์ด์์
(Sang Won Lee)
๊น์ํ
(Sang-Hoon Kim)
๋ฐ์ฑํ
(Sung Hyuk Park)
*
-
๊ฒฝ๋ถ๋ํ๊ต ์ ์์ฌ๊ณตํ๋ถ
(School of Materials Science and Engineering, Kyungpook National University, Daegu
41566, Republic of Korea)
Copyright ยฉ The Korean Institute of Metals and Materials
Key words
magnesium alloy, extrusion, microstructure, tensile properties, fatigue resistance
1. ์ ๋ก
์ต๊ทผ ์์ก๊ธฐ๊ธฐ ์ฐ์
์์ ์ฐ๋น ํจ์จ ํฅ์๊ณผ ์ด์ฐํํ์ ๋ฐฐ์ถ ์ ๊ฐ์ ์ํด ์์ก๊ธฐ๊ธฐ ๋ถํ์ ๊ฒฝ๋ํ์ ์ฃผ๋ชฉํ๊ณ ์์ผ๋ฉฐ, ๋ฎ์ ๋ฐ๋์ ๋์ ๋น๊ฐ๋๋ฅผ ๊ฐ์ง๋
๋ง๊ทธ๋ค์ํฉ๊ธ์ ์ด์ ์ ํฉํ ์์ฌ๋ก ์๋ ค์ ธ ์๋ค [1-4]. ๋ง๊ทธ๋ค์ํฉ๊ธ์ ์ฃผ๋ก ์ฃผ์กฐ์ฌ๋ก ์์ก๊ธฐ๊ธฐ ๋ถํ์ ์ ์ฉ๋์ด ์์ง๋ง, ๋ง๊ทธ๋ค์ ๊ฐ๊ณต์ฌ๋ ์ฃผ์กฐ์ฌ๋ณด๋ค ์ฐ์ํ ๊ธฐ๊ณ์ ๋ฌผ์ฑ์ ๋ํ๋ด๊ธฐ ๋๋ฌธ์ ์๋์ฐจ์ ์ธํ
๋ฆฌ์ด(interior)
๋ฟ๋ง ์๋๋ผ ๋ฐ๋(body)์ ์์(chassis)์ ๊ฐ์ ๋ค์ํ ์ข
๋ฅ์ ๋ถํ์ผ๋ก ์ ์ฉ๋ ์ ์๋ ์ ์ฌ๋ ฅ์ ์ง๋๊ณ ์๋ค [5-8]. ๋ง๊ทธ๋ค์ ์์ถ์ ์์ด์ ์์ถ์๋๋ ์์ฌ์ ์์ฐ๋ ฅ๊ณผ ๋ฐ์ ํ ๊ด๋ จ์ด ์์ผ๋ฉฐ, ์ด๋ ์ ํ์ ์ต์ข
๋จ๊ฐ์ ์ํฅ์ ๋ฏธ์น ์ ์๋ค. ๊ทธ๋ฌ๋ฏ๋ก, ๋ง๊ทธ๋ค์ ๋ถํ์
๊ฐ๊ฒฉ๊ฒฝ์๋ ฅ์ ํฅ์์ํค๊ธฐ ์ํด์๋ ๋์ ์์ถ์๋๊ฐ ์๊ตฌ๋๋ค. ํ์ง๋ง, ํ์ฌ ๊ฐ๊ณต์ฌ๋ก ์ฃผ๋ก ์์ฉ๋๋ ๊ณ ๊ฐ๋ AZ80(Mg-8Al-0.5Zn, wt%),
ZK60(Mg-6Zn-0.5Zr, wt%) ํฉ๊ธ๋ค์ ์๋ฃจ๋ฏธ๋ํฉ๊ธ์ ๋นํด ๋ฎ์ ์ต๋ ์์ถ์๋๋ฅผ ๊ฐ์ง๊ณ ์์ผ๋ฉฐ, ์ด๊ฒ์ ์์ก๊ธฐ๊ธฐ ๋ถํ์ผ๋ก์ ์ ์ฉ์ ๋ํ
์ ํ์ ์์๊ฐ ๋๋ค. ์ด๋ ๊ฒ ์์ฉ ๋ง๊ทธ๋ค์ํฉ๊ธ๋ค์ด ๋ฎ์ ์ต๋ ์์ถ์๋๋ฅผ ๋ํ๋ด๋ ๊ฒ์ ์์ถ์๋์ ์ฆ๊ฐ์ ๋ฐ๋ฅธ ์๋นํ ํฐ ๊ฐ๊ณต ๋ฐ์ด์ด ์์ฌ์ ์จ๋๋ฅผ
์์น์ํค๊ธฐ ๋๋ฌธ์ด๋ฉฐ, Mg-Al๊ณ, Mg-Zn๊ณ์ ์์ฉ ๋ง๊ทธ๋ค์ํฉ๊ธ์์ ํ์ฑ๋๋ Mg17Al12, MgZn2 ์ด์ฐจ์ ์
์(second phase particle)๋ค์ ๋ฎ์ ๋
น๋์ ์ผ๋ก ์ธํด ๋์ ์์ถ์๋๋ก ์ผ๊ธฐ๋๋ ์์ฌ์ ์จ๋ ์์น ์ ์ฉ์ต์ด ์ผ์ด๋ ํ๋ฉด์
์ด๊ฐ๊ท ์ด(hot cracking)์ ๋ฐ์์ํจ๋ค [7,9,10]. ๊ทธ๋ฌ๋ฏ๋ก, ์ด๋ฌํ ์์ฉ ๋ง๊ทธ๋ค์ํฉ๊ธ์ ์ด์ฉํ ์์ถ์ฌ ๋ถํ ์์ฐ์๋ ์์ฐ์ฑ ์ ํ์ ๋ฐ๋ฅธ ์ต์ข
๋จ๊ฐ ์์น์ด๋ผ๋ ๋ฌธ์ ์ ์ด ์๋ฐ๋๋ค. ์ด๋ฌํ ์์ฉ ๋ง๊ทธ๋ค์ํฉ๊ธ์์
๋ฎ์ ๋
น๋์ ์ ๊ฐ์ง๋ ๊ธฐ์กด์ ์ด์ฐจ์ ๋์ ์ด์ ์ผ๋ก ์์ ํ ์ด์ฐจ์์ ํ์ฑํ๋ ํฉ๊ธ์ ๊ฐ๋ฐํ๊ธฐ ์ํ ์ฐ๊ตฌ๊ฐ ํ๋ฐํ ์งํ๋์ด ์๋ค [11-17]. ๊ทธ ์ค, Mg-Sn๊ณ ๋ง๊ทธ๋ค์ํฉ๊ธ์ 770 ยฐC์ ์๋นํ ๋์ ๋
น๋์ ์ ๊ฐ์ง๊ณ ์๋ ์ด์ฐจ์์ธ Mg2Sn์ ํ์ฑํ๊ธฐ ๋๋ฌธ์ ์์ถ์๋์ ์ฆ๊ฐ์ ๋ฐ๋ฅธ
์ด์ฐจ์์ ์ฉ์ต์ด ์ฝ๊ฒ ๋ฐ์ํ์ง ์๋๋ค๋ ํน์ง์ด ์๋ค [18,19]. ์ต๊ทผ ์ฐ๊ตฌ์ ๋ฐ๋ฅด๋ฉด, Mg-Sn๊ณ ๋ง๊ทธ๋ค์ํฉ๊ธ์ธ TAZ711(Mg-7Sn-1Al-1Zn, wt%)ํฉ๊ธ์ผ๋ก 27 m/min์ ๋์ ์์ถ์๋์์๋
ํ๋ฉด์ ์ด๊ฐ๊ท ์ด์ด ์๋ ๊ฑด์ ํ ์์ถ์ฌ ์ ์กฐ๊ฐ ๊ฐ๋ฅํ๋ฉฐ[20], 450 ยฐC์ ๋์ ์จ๋์์๋ ํ๋ฉด๊ฒฐํจ์ด ์ ํ ๊ด์ฐฐ๋์ง ์์๋ค๊ณ ๋ณด๊ณ ๋๊ณ ์๋ค [21]. ์ด๋ ๊ฒ TAZ711 ๋ง๊ทธ๋ค์ํฉ๊ธ์ ์์ถ ๊ฐ๋ฅํ ์์ถ์กฐ๊ฑด ๋ฒ์๊ฐ ์์ฃผ ๋๊ธฐ ๋๋ฌธ์ ๊ธฐ์กด์ ์์ฉ ๋ง๊ทธ๋ค์ํฉ๊ธ์ ๋นํด ์ ํ์์ฐ์ฑ์ด ์๋นํ ์ฐ์ํ๋ค๊ณ
ํ ์ ์๋ค. ์ด์ ๊ฐ์ด ์ฐ์ํ ์์ถ์ฑ์ ๋ํ๋ด๋ TAZ711 ๋ง๊ทธ๋ค์ํฉ๊ธ์ ์์ฉ AZ80 ๋ง๊ทธ๋ค์ํฉ๊ธ๊ณผ ๋น์ทํ ํฉ๊ธ์ฒจ๊ฐ๋์๋ ๋ถ๊ตฌํ๊ณ (TAZ711
ํฉ๊ธ์ ์ด 9 wt%, AZ80 ํฉ๊ธ์ ์ด 8.5 wt%), ๋ฏธ์ธํ Mg2Sn ๋์ ์์ถ๋ฌผ์ ํ์ฑ์ด ๊ฒฐ์ ๋ฆฝ ๋ฏธ์ธํ๋ฅผ ์ผ๊ธฐ์์ผ ๋ณด๋ค ๋ ํฅ์๋ ์ธ์ฅํญ๋ณต๊ฐ๋(tensile yield strength)๋ฅผ ๋ํ๋ธ๋ค๊ณ ๋ณด๊ณ ๋๊ณ ์๋ค
[21,22].
ํํธ, ์๋์ฐจ์ ์ดํ ์ค ์์ง(engine)๊ณผ ํธ๋์ค๋ฏธ์
(transmission)์์ ๋ฐ์ํ๋ ๊ณผ์ด๋ก ์ธํด ํธ๋์ค๋ฏธ์
์ผ์ด์ค(transmission
case), ์์ง๋ธ๋ก(engine block)๊ณผ ๊ฐ์ ํ์ํธ๋ ์ธ(powertrain)์ ์จ๋๋ 200 ยฐC ์ด์์ผ๋ก ์์นํ๊ฒ ๋๋ค [8,23]. ํ์์ด ๋ณต์กํ ํ์ํธ๋ ์ธ์๋ ๋ง๊ทธ๋ค์ ์์ถ์ฌ์ ์ ์ฉ์ด ์ ํ์ ์ผ ์ ์์ง๋ง, ํ์ํธ๋ ์ธ์ ์ง์งํ๋ ์์๋ก ์ ์ฉ๋๋ ๋ง๊ทธ๋ค์ ์์ถ์ฌ ๋ถํ๋ค์ ํ์ํธ๋ ์ธ์์
๋ฐ์ํ ์๋นํ ์ด์ ์ ๋ฌ๋ก ์ธํด ์จ๋๊ฐ ์์นํ์ฌ ๋ฌผ์ฑ์ด ์ ํ๋ ์ ์๋ค. ๊ฒ๋ค๊ฐ, ๋ง๊ทธ๋ค์ ์์ถ์ฌ ๋ถํ์ ์ฃผํ ์ค ์์ง์ ์ง๋๊ณผ ์ง๋ฉด๊ณผ์ ๋ง์ฐฐ๋ก ์ธํด
๋ฐ๋ณต์ ์ธ ์๋ ฅ์ด๋ ๋ณํ์ด ๋ฐ์ํ์ฌ ๋ถ๊ฐํผํ๊ฒ ์น๋ช
์ ์ธ ํผ๋ก ํ๊ดด๋ฅผ ์ผ์ผํฌ ์ ์๋ค. ๊ทธ๋ฌ๋ฏ๋ก, ๋ง๊ทธ๋ค์ ์์ถ์ฌ๊ฐ ์๋์ฐจ ๋ถํ์ผ๋ก ์ ์ฉ๋๊ธฐ ์ํด์๋
์๋ํ๊ฒฝ์ ๋ฐ๋ฅธ ๊ธฐ๊ณ์ ๋ฌผ์ฑ๊ณผ ํผ๋ก ํน์ฑ์ด ํ๊ฐ๋์ด์ผ ํ๋ฉฐ ๊ณ ์จ ๋ณํ๊ฑฐ๋๊ณผ ํผ๋ก๊ฑฐ๋์ ๋ํ ์ฐ๊ตฌ๊ฐ ์ ์คํ ์๊ตฌ๋๋ค. ํ์ง๋ง, TAZ711 ๋ง๊ทธ๋ค์
ํฉ๊ธ์ด ์์ฉ AZ80 ๋ง๊ทธ๋ค์ํฉ๊ธ์ ๋นํด ์ฐ์ํ ์์ถ์ฑ๊ณผ ๋์ ๊ฐ๋๋ฅผ ์ง๋์๋ ๋ถ๊ตฌํ๊ณ , ์์ง๊น์ง ๊ณ ์จ ๋ฌผ์ฑ๊ณผ ํผ๋ก ํน์ฑ์ ๋ํ ์ฐ๊ตฌ๋ ๋ฏธ๋นํ ์ค์ ์ด๋ค.
๋ฐ๋ผ์, ๋ณธ ์ฐ๊ตฌ์์๋ ๋์ผํ ์์ถ ์กฐ๊ฑด์์ ์์ถ๋ AZ80๊ณผ TAZ711 ๋ง๊ทธ๋ค์ ์์ถ์ฌ์ ๋ฏธ์ธ์กฐ์ง์ ๋น๊ต ๋ถ์ํ๊ณ , ๊ทธ์ ๋ฐ๋ฅธ ๋ ์์ถ์ฌ์ ์์จ
๋ฐ ๊ณ ์จ ์ธ์ฅ ํน์ฑ๊ณผ ๊ณ ์ฃผ๊ธฐ ํผ๋ก ํน์ฑ์ ๋ํด ์กฐ์ฌํ์๋ค.
2. ์คํ ๋ฐฉ๋ฒ
๋ณธ ์ฐ๊ตฌ์์๋ AZ80๊ณผ TAZ711 ํฉ๊ธ์ ์ฌ์ฉํ์๋ค. ์์ถ์ ์ํ ๋น๋ (billet)์ ์ ์กฐํ๊ธฐ ์ํด, ๋๊ฐ๋์ ์์ ๋ง๊ทธ๋ค์์ ์ฅ์
ํ๊ณ 720
ยฐC์์ ์ฉํด ์ํจ ํ Al, Sn, Zn์ ํฉ๊ธ์์๋ฅผ ์ฒจ๊ฐํ์ฌ 20๋ถ ๋์ ์ ์งํ์๊ณ , ์ฉํด ์ค ์ฉํ์ ์ฐํ๋ฅผ ๋ฐฉ์งํ๊ธฐ ์ํด CO2์ SF6 ํผํฉ ๊ฐ์ค๋ฅผ ์ฃผ์
ํ์๋ค. ์์ ํ๋ ์ฉํ์ 210 ยฐC๋ก ์์ด๋ ์คํธ๋ชฐ๋(steel mold)์ ์ถํํ์ฌ ์์ถ ๋น๋ ์ ์ ์กฐํ์๋ค. ์ ์กฐ๋ ๋น๋ ์ ๊ท ์งํ
์ด์ฒ๋ฆฌ๋ PANDAT ์ํํธ์จ์ด๋ฅผ ํตํด ์ป์ด์ง ํํ ์ํ๋์์์ ์ฉ์ต ์จ๋๋ฅผ ๊ณ ๋ คํ์ฌ AZ80 ํฉ๊ธ์ 400 ยฐC, TAZ711 ํฉ๊ธ์ 500 ยฐC์์
24์๊ฐ ๋์ ์งํํ์์ผ๋ฉฐ, ์ด์ฒ๋ฆฌ ํ ๊ณผํฌํ ์ํ๋ฅผ ๋ง๋ค๊ธฐ ์ํด ์๋ํ์๋ค. ์์ถ์ ์ํด, ๊ท ์งํ ์ฒ๋ฆฌ๋ ๋น๋ ์ ์ง๊ฒฝ 80 mm๋ก ๊ฐ๊ณต ํ 250
ยฐC์ ์จ๋์์ 1์๊ฐ ๋์ ์์ดํ๊ณ , 500 ton์ ์ฉ๋์ ๊ฐ์ง๋ ์ง๊ฐ์ ๊ฒธ์ฉ ์์ถ๊ธฐ๋ฅผ ์ด์ฉํ์ฌ 1 mm/s์ ๋จ์๋(ram speed)๋ก 250
ยฐC์์ 25:1์ ์์ถ๋น(extrusion ratio)๋ก ๊ฐ์ ์์ถ(indirect extrusion)์ ์ค์ํ์๋ค.
์์ถ์ฌ์ ๋ฏธ์ธ์กฐ์ง๊ณผ ์งํฉ์กฐ์ง์ ๊ด์ฐฐํ๊ธฐ ์ํด ์์ถ์ฌ์ ๊ธธ์ด๋ฐฉํฅ ๋จ๋ฉด(logitudinal cross-section)์ ๊ดํํ๋ฏธ๊ฒฝ(optical microscope)๊ณผ
์ ์ ํ๋ฐฉ ์ฐ๋ ํ์ ๊ธฐ๋ฒ(electron backscatter diffraction, EBSD)์ ์ด์ฉํ์ฌ ์ธก์ ํ์๋ค. ์์ถ์ฌ์ ๊ธฐ๊ณ์ ํน์ฑ์ ํ๊ฐ
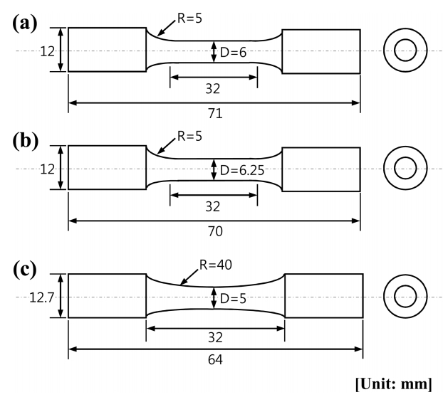
๋น๊ตํ๊ธฐ ์ํด ์์จ ๋ฐ ๊ณ ์จ ์ธ์ฅ ์ํ๊ณผ ๊ณ ์ฃผ๊ธฐ ํผ๋ก ์ํ์ ์ํํ์๋ค. ์ธ์ฅ ์ํํธ์ ๋ฏธ๊ตญ์ฌ๋ฃ์ํํํ(American Society for Testing
and Materials, ASTM) E8/E8M ๊ท๊ฒฉ์ ๋ฐ๋ผ ๊ทธ๋ฆผ 1(a)์ (b)์ ๊ฐ์ด ์ ์ํ์์ผ๋ฉฐ, ์์จ ์ธ์ฅ ์ํ์ Instron 4206 ์ํ๊ธฐ๋ฅผ ์ด์ฉํ์ฌ 5ร10-3s-1์ ๋ณํ๋ฅ ์๋๋ก ์์จ์์ ์ํํ์์ผ๋ฉฐ, ๊ณ ์จ ์ธ์ฅ์ํ์ Instron 5581 ์ํ๊ธฐ๋ฅผ ์ด์ฉํ์ฌ 150 ยฐC์ ์จ๋์์ 10-3์ 10-4s-1 ์ ๋ณํ๋ฅ ์๋์์ ๊ฐ๊ฐ ์ํํ์๋ค. ๊ณ ์ฃผ๊ธฐ ํผ๋ก ์ํํธ์ ๊ทธ๋ฆผ 1(c)์ ๊ฐ์ด ์ํํธ์ ์ค์ฌ ๋ถ๋ถ์ด ๊ฐ์ฅ ์์ ์ง๊ฒฝ์ ๊ฐ์ง๋ ASTM E466์ continuous radius between ends ํ์
์ผ๋ก ์ ์ํ์๋ค.
ํผ๋ก ์ํ์ Instron 8801์ ์ด์ฉํ์ฌ ์์จ์์ ์๋ ฅ์ ์ด ๋ฐฉ์(stress controlled mode)์ผ๋ก ์ฌ์ธํ(sine wave)๋ก ์๋ ฅ๋น(stress
ratio) -1์กฐ๊ฑด์์ 10 Hz์ ์ง๋์๋ก 1์ถ ์ธ์ฅ-์์ถ ํผ๋ก ์ํ์ ์ํํ์๋ค. ํผ๋ก ๊ท ์ด ์์์ ํ์ธ์ ์ํด ํผ๋ก ์ํ ํ ํ๋จ๋ ์ํธ์
์ฃผ์ฌ์ ์ํ๋ฏธ๊ฒฝ(scanning electron microscope, SEM)์ ์ด์ฉํ์ฌ ํ๋ฉด์ ๊ด์ฐฐํ์๋ค.
3. ๊ฒฐ๊ณผ ๋ฐ ๊ณ ์ฐฐ
3.1. ์์ถ ํ์ค ๋ณํ ๋ฐ ๋ฏธ์ธ์กฐ์ง
๊ทธ๋ฆผ 2(a)๋ ๊ฐ์ ์์ถ ์ค ์ผ๊ธฐ๋๋ ์์ถ ํ์ค์ ๋ณํ๋ฅผ ๋ํ๋ธ ๊ฒ์ผ๋ก, ๋ ํฉ๊ธ ๋ชจ๋ ์์ถ ์งํ ์ด๊ธฐ์ ํ์ค์ด ๊ธ๊ฒฉํ ์ฆ๊ฐํ๋ค๊ฐ ๋น๋ ์ด ๋ค์ด๋ฅผ ํต๊ณผํ๊ฒ ๋๋ฉด
ํ์ค์ด ํฌ๊ฒ ๊ฐ์ํ๊ณ ๊ทธ ํ ๊ฑฐ์ ์ผ์ ํ๊ฒ ์ ์ง๋๊ณ ์๋ค. ์ง์ ์์ถ(direct extrusion)์ ๊ฒฝ์ฐ ์์ถ์ด ์งํ๋จ์ ๋ฐ๋ผ ๋น๋ ์ ๊ธธ์ด๊ฐ ๊ฐ์ํ๊ธฐ
๋๋ฌธ์ ๋น๋ ๊ณผ ์ปจํ
์ด๋์์ ๋ง์ฐฐ๋ ฅ์ด ๊ฐ์ํ๊ฒ ๋์ด ์์ถ ํ์ค์ด ์ ์ฐจ ๊ฐ์ํ๋ค [24]. ์ด์ ๋ฐํด, ๊ฐ์ ์์ถ์ ๊ฒฝ์ฐ ์์ถ ๋์ ๋น๋ ๊ณผ ์ปจํ
์ด๋์ ๋ง์ฐฐ์ด ๋ฐ์ํ์ง ์๊ธฐ ๋๋ฌธ์ ์์ถ์ด ์งํ๋จ์ ๋ฐ๋ผ ํ์ค์ ๋ณํ๊ฐ ๊ฑฐ์ ๋ฐ์ํ์ง ์๋๋ค.
AZ80 ํฉ๊ธ์ ์ต๋ ์์ถ ํ์ค์ 448 ton์ธ ๋ฐ๋ฉด, TAZ711 ํฉ๊ธ์ 370 ton์ผ๋ก AZ80 ํฉ๊ธ์ ๋นํด 18% ๋ฎ๋ค. ๋ํ, ๋น๋ ์ด ๋ค์ด๋ฅผ
ํต๊ณผํ์ฌ ์์ถ์ฌ๊ฐ ์ ์กฐ๋๋ ๋์์ ํ์ค ๋ํ TAZ711 ํฉ๊ธ์ด AZ80 ํฉ๊ธ์ ๋นํด 15 ton ๊ฐ๋ ๋ฎ๋ค. ์ด๋ฌํ ์์ถ ์ค ์ผ๊ธฐ๋๋ ํ์ค์ ์ค์
์์ฐํ ๊ณต์ ์์ ์์ถ๊ธฐ์ ๊ธํ์ ๋ถํ ๋ฐ ์๋ช
๊ณผ ์ง์ ์ ์ผ๋ก ๊ด๋ จ๋์ด ์์ผ๋ฉฐ, ์๊ธฐ ์์ถ ํ์ค ๊ฒฐ๊ณผ๋ TAZ711 ํฉ๊ธ์ด AZ80 ํฉ๊ธ์ ๋นํด ์์ถ์ฉ
์์ฌ๋ก ์ ํฉํจ์ ์๋ฏธํ๋ค. ๋ ํฉ๊ธ ๋ชจ๋ ๊ฐ์ ์์ถ์ ํตํด ๊ทธ๋ฆผ 2(b)์ ๊ฐ์ด ์ด๊ฐ๊ท ์ด๊ณผ ๊ฐ์ ๊ฒฐํจ ์์ด ๋ฏธ๋ คํ ํ๋ฉด ์ํ๋ฅผ ๊ฐ์ง๋ ์์ถ ๋ด์ฌ๋ฅผ ์ป์ ์ ์์๋ค.
๊ทธ๋ฆผ 3์ ๊ดํํ๋ฏธ๊ฒฝ์ผ๋ก ๊ด์ธกํ ์์ถ์ฌ์ ๋ฏธ์ธ์กฐ์ง์ ๋ณด์ฌ์ค๋ค. AZ80 ํฉ๊ธ์ ์์ถ ์ค ๋์ ์ฌ๊ฒฐ์ ์ด ์์ฌ์ ์ ์ฒด์ ๊ฑธ์ณ ๋ฐ์ํ ์์ ์ฌ๊ฒฐ์ ์กฐ์ง(fully
recrystallized structure)์ ๊ฐ์ง๋ค(๊ทธ๋ฆผ 3(a)). ๋ฐ๋ฉด, TAZ711 ํฉ๊ธ์ ๋ฏธ์ธํ ์ฌ๊ฒฐ์ ๋ ๊ฒฐ์ ๋ฆฝ๊ณผ ํจ๊ป ์ฌ๊ฒฐ์ ๋์ง ์๊ณ ์์ถ ๋ฐฉํฅ(extrusion direction, ED)์ผ๋ก ๊ธธ๊ฒ ์ฐ์ ๋
์กฐ๋ํ ๋ฏธ์ฌ๊ฒฐ์ ๊ฒฐ์ ๋ฆฝ(non-recrystallized grain)๋ค์ด ์กด์ฌํ๋ค(๊ทธ๋ฆผ 3(b)). ๊ทธ๋ฆฌ๊ณ AZ80 ํฉ๊ธ์์๋ ๋์ ์์ถ๋ฌผ(dynamic precipitate)๋ค์ด ์์ถ ๋ฐฉํฅ์ผ๋ก ๊ธธ๊ฒ ๋ชจ์ฌ์๋ ์์ถ ๋ฐด๋(precipitate
band)๊ฐ ๊ด์ฐฐ๋๋ฉฐ(๊ทธ๋ฆผ 3(a)), ์์ถ ๋ฐด๋ ์์ญ์์๋ ๋ค๋ฅธ ์์ญ์ ๋นํด ๊ฒฐ์ ๋ฆฝ์ด ๋ฏธ์ธํ ๊ฒ์ ์ ์ ์๋ค(๊ทธ๋ฆผ 3(c)). ์ด๋ ์์ถ ์ค ํ์ฑ๋ ๋์ ์์ถ๋ฌผ๋ค์ด ์ฌ๊ฒฐ์ ๋ ๊ฒฐ์ ๋ฆฝ์ ์
๊ณ ์์ง์์ ๋ฐฉํดํ์ฌ ๊ฒฐ์ ๋ฆฝ์ ์ฑ์ฅ์ ์ต์ ์ํด์ผ๋ก์จ ๋น๊ต์ ๋ฏธ์ธํ ๊ฒฐ์ ๋ฆฝ์ ๊ฐ์ง๊ฒ ๋๋
๊ฒ์ด๋ค [15]. ์ด์ ๊ฐ์ด AZ80 ํฉ๊ธ์ ๊ฒฝ์ฐ ๋์ ์์ถ๋ฌผ๋ค์ด ์์ถ ๋ฐด๋์ ๊ตญ๋ถ์ ์ผ๋ก ํ์ฑ๋์ด ์ฌ๊ฒฐ์ ๋ ๊ฒฐ์ ๋ฆฝ๋ค์ ํฌ๊ธฐ ํธ์ฐจ๊ฐ ํฐ ๋ฐ๋ฉด, TAZ711 ํฉ๊ธ์์๋
์์ถ๋ฌผ๋ค์ด ์ฌ๊ฒฐ์ ๋ ์์ญ ์ ๋ฐ์ ๊ฑธ์ณ ๊ณจ๊ณ ๋ฃจ ๋ถํฌํ์ฌ ๊ท ์ผํ ๊ฒฐ์ ๋ฆฝ ํฌ๊ธฐ๋ฅผ ๊ฐ์ง๊ณ ์๋ค(๊ทธ๋ฆผ 3(d)). ๋ํ, TAZ711 ํฉ๊ธ์ ์กฐ๋ํ ๋ฏธ์ฌ๊ฒฐ์ ๋ ๊ฒฐ์ ๋ฆฝ์ด ์กด์ฌํ์ง๋ง, ์ฌ๊ฒฐ์ ๋ ๊ฒฐ์ ๋ฆฝ์ ํฌ๊ธฐ๋ TAZ711 ํฉ๊ธ์ด AZ80 ํฉ๊ธ ๋ณด๋ค ํจ์ฌ ๋ฏธ์ธํ๋ค(๊ทธ๋ฆผ 3(c), (d)). ์ด๋ฌํ ๊ฒฐ๊ณผ๋ฅผ ํตํด, TAZ711 ํฉ๊ธ์ด AZ80 ํฉ๊ธ์ ๋นํด ์์ถ ์ค ๋์ ์ฌ๊ฒฐ์ ๊ฑฐ๋์ ํ์ฑํ๊ฐ ์ฝํ๊ฒ ๋ฐ์ํ์ฌ ์์ ์ฌ๊ฒฐ์ ์กฐ์ง์ ๊ฐ์ง์ง
๋ชปํ์ง๋ง, ๋์ ์์ถ ๊ฑฐ๋์ด ์์ฌ ์ ๋ฐ์ ๊ฑธ์ณ ๊ท ์ผํ๊ฒ ๋ฐ์ํ์ฌ ๋ฏธ์ธํ ์ฌ๊ฒฐ์ ๋ ๊ฒฐ์ ๋ฆฝ๋ค์ด ํ์ฑ๋๋ค๋ ๊ฒ์ ์ ์ ์๋ค.
3.2. ์ฌ๊ฒฐ์ ๊ฒฐ์ ๋ฆฝ ํฌ๊ธฐ ๋ฐ ์งํฉ์กฐ์ง
๊ทธ๋ฆผ 4๋ ์์ถ์ฌ์ EBSD ๋ถ์ ๊ฒฐ๊ณผ๋ก์, ์์ถ์ฌ์ ๋ฏธ์ธ์กฐ์ง์ ๋ณด๋ค ๋ช
ํํ ๋ณด์ฌ์ฃผ๋ ์ญ ๊ทน์ ๋ ์ง๋(inverse pole figure map)๊ณผ ํจ๊ป
์งํฉ์กฐ์ง์ ๋ณด์ฌ์ฃผ๋ (0001) ๊ทน์ ๋(pole figure) ๋ฐ ED ์ญ ๊ทน์ ๋๋ฅผ ๋ํ๋ด์๋ค. AZ80 ํฉ๊ธ์์๋ ๋ฏธ์ธํ ๊ฒฐ์ ๋ฆฝ๋ค์ด ๋ ๋ฅผ ์ด๋ฃจ๋ฉฐ
์์ถ ๋ฐฉํฅ๊ณผ ํํํ๊ฒ ๋ฐฐ์ด๋์ด ์ฌ๊ฒฐ์ ๋ ๊ฒฐ์ ๋ฆฝ๋ค์ ํฌ๊ธฐ ํธ์ฐจ๊ฐ ์กด์ฌํ์ง๋ง (๊ทธ๋ฆผ 4(a)), TAZ711 ํฉ๊ธ์์๋ ์ฌ๊ฒฐ์ ๋ ๊ฒฐ์ ๋ฆฝ๋ค์ด ๋น๊ต์ ๊ท ์ผํ ํฌ๊ธฐ๋ฅผ ๊ฐ์ง๊ณ ์๋ค(๊ทธ๋ฆผ 4(b)). AZ80 ํฉ๊ธ์ ์ฌ๊ฒฐ์ ๋ ๊ฒฐ์ ๋ฆฝ์ ํ๊ท ํฌ๊ธฐ๋ 9.9 ฮผm๋ก TAZ711 ํฉ๊ธ์ 4.2 ฮผm์ ๋นํด ์ฝ 2.4๋ฐฐ ์กฐ๋ํ๋ค. ๋ฐ๋ผ์, ์์ถ์ฌ์
์ ์ฒด์ ์ธ ๋ฏธ์ธ์กฐ์ง ์ํ๋ฅผ ๋ณธ๋ค๋ฉด, ์์ ์ฌ๊ฒฐ์ ์ด ๋ฐ์ํ AZ80 ํฉ๊ธ์ด ๋ถ์์ ํ ์ฌ๊ฒฐ์ ์ผ๋ก ์ธํด ์กฐ๋ํ ๋ฏธ์ฌ๊ฒฐ์ ๋ ๊ฒฐ์ ๋ฆฝ๋ค์ด ์กด์ฌํ๋ TAZ711
ํฉ๊ธ์ ๋นํด ์กฐ์ง๊ท ์ผ๋๊ฐ ์ฐ์ํ์ง๋ง, ์ฌ๊ฒฐ์ ๋ ์์ญ๋ง ๊ณ ๋ คํ๋ค๋ฉด TAZ711 ํฉ๊ธ์ด AZ80 ํฉ๊ธ์ ๋นํด ๊ฒฐ์ ๋ฆฝ์ด ๊ท ์ผํ๊ณ ๋ฏธ์ธํ๋ค. ๊ทน์ ๋๋ฅผ ๋ณด๋ฉด
๋ ํฉ๊ธ ๋ชจ๋ ๊ฒฐ์ ๋ฆฝ๋ค์ ๊ธฐ์ ๊ทน(basal pole)์ด ์์ถ ๋ฐฉํฅ๊ณผ ์์ง์ผ๋ก ๋ฐฐ์ด๋์ด ์๋ ์ ํ์ ์ธ ๋ง๊ทธ๋ค์ ์์ถ์ฌ์ ์งํฉ์กฐ์ง์ ๊ฐ์ง๊ณ ์์ผ๋, ์ต๋
์งํฉ์กฐ์ง ๊ฐ๋(maximum texture intensity)๋ TAZ711 ํฉ๊ธ์ด AZ80 ํฉ๊ธ์ ๋นํด 2๋ฐฐ ๊ฐ๋ ํฌ๋ค. ๋ํ, TAZ711 ํฉ๊ธ์์์
๊ธฐ์ ๊ทน์ ๋ถํฌ๊ฐ AZ80 ํฉ๊ธ์ ๋นํด TD ์ ์ ๋ ๊ฐ๊น๊ฒ ๋ถํฌํ๊ณ ์๋ค. ์ด๋ ์์ถ ๋ฐฉํฅ์ผ๋ก์ ์ธ์ฅ ์ํ ์ TAZ711 ํฉ๊ธ์์์ ๊ธฐ์ ๋ฉด ์ฌ๋ฆฝ
ํ์ฑํ๊ฐ AZ80 ํฉ๊ธ์ ๋นํด ๋์ฑ ์ด๋ ค์์ ธ ์งํฉ์กฐ์ง ๊ฐํ ํจ๊ณผ๊ฐ ๋ ํฌ๊ฒ ๋ฐ์ํ๋ค๋ ๊ฒ์ ์๋ฏธํ๋ค. ๊ฒ๋ค๊ฐ, TAZ711 ํฉ๊ธ์ ๊ธฐ์ ๊ทน ๋ฟ๋ง ์๋๋ผ
๊ฐ์ฃผํ ๊ทน ๋ํ ๋ฐฉํฅ์ฑ์ ๊ฐ์ง๊ณ ์๋ค. ์ญ๊ทน์ ๋๋ฅผ ๋ณด๋ฉด AZ80 ํฉ๊ธ์ ๊ฒฝ์ฐ <10-10>์์ <2-1-10 > ๋ฐฉ์๊น์ง ๊ณ ๋ฅธ ๋ถํฌ๋ฅผ ๊ฐ์ง๊ณ ์๋
๋ฐ๋ฉด, TAZ711 ํฉ๊ธ์ <10-10> ๋ฐฉ์์ ๋์ ๊ฐ๋๋ฅผ ๊ฐ์ง๊ณ ์๋ค. ๋ฐ๋ผ์, TAZ711 ํฉ๊ธ์ ๊ธฐ์ ๊ทน์ด ์์ถ ๋ฐฉํฅ๊ณผ ์์งํ๋ฉฐ, ๊ฐ์ฃผํ ๊ทน
์ค ํ๋๊ฐ ์์ถ ๋ฐฉํฅ๊ณผ ํํํ๊ฒ ๋ฐฐ์ด๋ ๊ฐํ ์งํฉ์กฐ์ง์ ๊ฐ์ง์ ์ ์ ์๋ค.
3.3. ์์จ ์ธ์ฅ ํน์ฑ
๊ทธ๋ฆผ 5๋ ์์ถ์ฌ์ ์์จ ์ธ์ฅ ๊ณก์ ์ ๋ํ๋ธ ๊ฒ์ผ๋ก, TAZ711 ํฉ๊ธ์ ํญ๋ณต๊ฐ๋(yield stength, YS)๊ฐ 247 MPa๋ก AZ80 ํฉ๊ธ์ 192
Mpa์ ๋นํด 29% ๋๋ค. ํ์ง๋ง, ์ต๋์ธ์ฅ๊ฐ๋(ultimate tensile strength, UTS)๋ TAZ711 ํฉ๊ธ์ด 312 MPa, AZ80
ํฉ๊ธ์ด 317 MPa๋ก ํฐ ์ฐจ์ด๋ฅผ ๋ณด์ด์ง ์์์ผ๋ฉฐ, ์ฐ์ ์จ(elongation, EL)์ AZ80 ํฉ๊ธ์ด 22.2%๋ก TAZ711 ํฉ๊ธ์ 11.9%์
๋นํด 87% ๋๋ค (ํ 1). TAZ711 ํฉ๊ธ์ ๋์ ํญ๋ณต๊ฐ๋๋ ๊ฒฐ์ ๋ฆฝ ๋ฏธ์ธํ๊ฐ ์ฃผ๋ ์์ธ์ผ๋ก ํ๋จ๋๋ค. ์กฐ๋ํ ๋ฏธ์ฌ๊ฒฐ์ ๋ ๊ฒฐ์ ๋ฆฝ๋ค์ด ์ผ๋ถ ์กด์ฌํ์ง๋ง ์ฌ๊ฒฐ์ ๋ ๊ฒฐ์ ๋ฆฝ์ ํฌ๊ธฐ๊ฐ
AZ80 ํฉ๊ธ์ ๋นํด ๋งค์ฐ ๋ฏธ์ธํ๊ธฐ ๋๋ฌธ์ ์ธ์ฅ ๋ณํ ์ ๊ฒฐ์ ๋ฆฝ๊ณ ๊ฐํ(grain-boundary strengthening) ํจ๊ณผ๊ฐ ๋ ํฌ๊ฒ ๋ฐ์ํ๊ฒ
๋ ๊ฒ์ด๋ค. ๋ํ, TAZ711 ํฉ๊ธ์ ๊ฐํ ์งํฉ์กฐ์ง์ผ๋ก ์ธํด ์์จ ์ธ์ฅ ๋ณํ ์ ์ฃผ๋ ์ฌ๋ฆฝ๊ธฐ๊ตฌ์ธ ๊ธฐ์ ๋ฉด ์ฌ๋ฆฝ(basal slip)์ ํ์ฑํ๊ฐ ์ต์ ๋๊ณ ,
์ด๋ก ์ธํด ์ผ๊ธฐ๋๋ ์งํฉ์กฐ์ง ๊ฐํ(texture strengthening) ํจ๊ณผ๋ ์ผ๋ถ ๊ธฐ์ฌํ ๊ฒ์ผ๋ก ํ๋จ๋๋ค. ๋๋ถ์ด, TAZ711ํฉ๊ธ์์๋ ์์ถ๋ฌผ
๋ํ ๊ท ์ผํ๊ฒ ๋ถํฌํ๊ณ ์์ด ์งํฉ์ฒด ํํ์ ์์ถ๋ฌผ ๋ฐด๋๋ก ํ์ฑ๋ AZ80 ํฉ๊ธ์ ๋นํด ์
์๊ฐ ํ๊ท ๊ฑฐ๋ฆฌ(average interparticle spacing)๊ฐ
ํฌ๊ฒ ์์, ์ธ์ฅ ๋ณํ ์ ์ ์๋ค์ ์ด๋์ ํจ์จ์ ์ผ๋ก ๋ฐฉํดํจ์ผ๋ก์จ ๋์ฑ ๊ฐํ๋ ์์ถ ๊ฐํ(precipitate strengthening) ํจ๊ณผ๋ฅผ ์ผ๊ธฐ์ํฌ
๊ฒ์ด๋ค. TAZ711 ํฉ๊ธ์ ํญ๋ณต๊ฐ๋๊ฐ AZ80 ํฉ๊ธ์ ๋นํด 55 MPa์ด ๋์์๋ ๋ถ๊ตฌํ๊ณ ์ต๋์ธ์ฅ๊ฐ๋๋ AZ80 ํฉ๊ธ์ด ์คํ๋ ค TAZ711 ํฉ๊ธ๋ณด๋ค
5 MPa ๋์ผ๋ฉฐ, ์ด๋ AZ80 ํฉ๊ธ์ ๊ฐ๊ณต๊ฒฝํ๋ฅ(strain hardening ability)์ด TAZ711 ํฉ๊ธ๋ณด๋ค ๋ ํฌ๊ธฐ ๋๋ฌธ์ด๋ค. ๊ทธ๋ฆผ 5์ ๋ณด์ด๋ ๋ฐ์ ๊ฐ์ด, AZ80 ํฉ๊ธ์ ํ์ฑ ์์ญ ์ดํ ์์ฑ๋ณํ์ ์ํด ๊ฐ๋๊ฐ ํฌ๊ฒ ์ฆ๊ฐํ๋ ๋ฐ๋ฉด, TAZ711 ํฉ๊ธ์ ํญ๋ณต๊ฐ๋๋ ๋น๊ต์ ๋์ง๋ง ์์ฑ๋ณํ์
์ํ ๊ฐ๊ณต๊ฒฝํ๋ ํฌ์ง ์์ ์ต๋์ธ์ฅ๊ฐ๋๊ฐ AZ80 ํฉ๊ธ ๋ณด๋ค ๋ฎ๊ฒ ๋๋ค. ์ด๋ฌํ ๊ฐ๊ณต๊ฒฝํ์ ์ฐจ์ด๋ ํ์ฑ๋๋ ์ด์ฐจ์์ ์ฐจ์ด๋ก ์ธํ ๊ฒ์ผ๋ก ์ฌ๋ฃ๋๋ค.
TAZ711 ํฉ๊ธ์ ์ด๊ฐ ์์ถ ์ค Mg2Sn ์์ด ๋์ ์์ถ๋๋ ๋ฐ๋ฉด, AZ80 ํฉ๊ธ์ Mg17Al12 ์์ด ์์ถ๋๋ค [25,26]. Mg2Sn์ ๋ฉด์ฌ์
๋ฐฉ(fcc) ๊ตฌ์กฐ๋ฅผ ๊ฐ์ง๋ฉฐ, Mg17Al12๋ ์ฒด์ฌ์
๋ฐฉ(bcc) ๊ตฌ์กฐ๋ฅผ ๊ฐ์ง๊ณ ์๋ค [27,28]. Mg2Sn ์์ Fm3m์ ๊ณต๊ฐ๊ตฐ(space group)์ ๊ฐ์ง๋ฉฐ ํ๋์ ๋จ์ํฌ(unit cell)์ 8๊ฐ์ ๋ง๊ทธ๋ค์ ์์์ 4๊ฐ์ ์ฃผ์ ์์๋ฅผ ๊ฐ์ง ๋น๊ต์
๋จ์ํ ๊ตฌ์กฐ๋ฅผ ์ด๋ฃจ๊ณ ์๋ค [27]. ๋ฐ๋ฉด, I43m์ ๊ณต๊ฐ๊ตฐ์ ๊ฐ์ง๋ Mg17Al12 ์์ ํ๋์ ๋จ์ํฌ์ 34๊ฐ์ ๋ง๊ทธ๋ค์ ์์์ 17๊ฐ์ ์๋ฃจ๋ฏธ๋ ์์๋ก ์ด๋ฃจ์ด์ง ๋งค์ฐ ํฌ๊ณ ๋ณต์กํ ๊ตฌ์กฐ๋ฅผ ์ด๋ฃจ๊ณ ์๋ค [28]. ๊ฒฐ์ ๊ตฌ์กฐ๊ฐ ๋ณต์กํด์ง๋ฉด ๋๋ ทํ ์ต์กฐ๋ฐ๋ฉด(close-packed plane)๊ณผ ์ต์กฐ๋ฐ๋ฐฉํฅ(close-packed direction)์ ๊ฐ์ง์ง ๋ชปํ๊ธฐ
๋๋ฌธ์ ํผ์ด์ค ๋๋ฐ๋ก ํ(Peierls-Nabarro force)์ด ์ฆ๊ฐํ๊ฒ ๋์ด ์ ์๋ค์ ์์ง์์ด ์ด๋ ต๊ฒ ๋๋ค [24]. ๋ฐ๋ผ์ Mg17Al12์ด์ฐจ์์ ๊ฐ์ง AZ80 ํฉ๊ธ์์ ์ ์๊ฐ ์์ถ๋ฌผ์ ์๋ฅด๊ฑฐ๋ ํต๊ณผํ๊ธฐ ์ํด ๋ ๋์ ์๋ ฅ์ด ์๊ตฌ๋๊ณ , ์ด๋ก ์ธํด ์ธ์ฅ ๋ณํ ๋์ ๊ฐ๊ณต๊ฒฝํ๊ฐ ๋ ํฌ๊ฒ ๋ฐ์ํ
๊ฒ์ผ๋ก ํ๋จ๋๋ค.
3.4. ๊ณ ์จ ์ธ์ฅ ํน์ฑ
๊ทธ๋ฆผ 6์ ๋ค๋ฅธ ๋ณํ๋ฅ ์๋ ์กฐ๊ฑด์ผ๋ก 150 ยฐC์ ์จ๋์์ ์ธ์ฅ ์ํํ ๊ฒฐ๊ณผ๋ฅผ ๋ณด์ฌ์ค๋ค. ์์จ์์์ ์ธ์ฅ ๊ฒฐ๊ณผ์์์ ํญ๋ณต๊ฐ๋๋ TAZ711 ํฉ๊ธ์ด ๋๊ณ ,
์ฐ์ ์จ์ AZ80 ํฉ๊ธ์ด ๋์๋ค. ์ด์๋ ๋ฐ๋๋ก, 150 ยฐC ์ธ์ฅ ๊ฒฐ๊ณผ์์๋ AZ80 ํฉ๊ธ์ ๊ฐ๋๊ฐ ๋๊ณ , TAZ711 ํฉ๊ธ์ ์ฐ์ ์จ์ด ๋๊ฒ ๋ํ๋๋ค.
์ด๋ ์์จ๊ณผ ๊ณ ์จ์์์ ์ฃผ๋ ๋ณํ๊ธฐ๊ตฌ(dominant deformation mechanism)์ ์ฐจ์ด์ ์ํ ๊ฒ์ผ๋ก ๋ณผ ์ ์๋ค. ์์จ์์๋ ์ ์๋ค์
์ด๋์ ์ํ ์ ์ ์ฌ๋ฆฝ(dislocation slip)์ด ์ฃผ๋ ๋ณํ๊ธฐ๊ตฌ์ธ ๋ฐ๋ฉด, ๊ณ ์จ์์๋ climb-control์ ์ํ ์ ์ ํฌ๋ฆฌํ(dislocation
creep), ๊ฒฐ์ ๋ฆฝ ๊ณ๋ฉด์์์ ๋ฏธ๋๋ฌ์ง(grain boundary sliding, GBS) ์ด๋, ํ์ฐ์ ์ํ ํ์ฐํฌ๋ฆฌํ(diffusional creep)
๋ฑ์ ์ํด ๋ฐ์ํ๋ ๊ฒ์ผ๋ก ์๋ ค์ ธ ์๋ค [24,29,30]. ์ผ๋ฐ์ ์ผ๋ก ๊ธ์ ์์ฌ์ ์์จ์์์ ๋ณํ๋ฅ ์๋ ๋ฏผ๊ฐ๋(strain rate sensitivity, m)๋ ๊ฑฐ์ 0์ ๊ฐ๊น์ด ๋งค์ฐ ๋ฎ์ ๊ฐ์ ๊ฐ์ง๋ ๊ฒ์ผ๋ก ์๋ ค์ ธ ์๋ค [24]. ๋ฐ๋ผ์, ์์จ ๋ณํ์์๋ ๋ณํ๋ฅ ์๋ ๋ณํ์ ๋ฐ๋ฅธ ๊ฐ๋ ๋ณํ๊ฐ ๊ฑฐ์ ๋ฐ์ํ์ง ์๋๋ค. ํ์ง๋ง ์ด๋ฌํ ๋ณํ๋ฅ ์๋ ๋ฏผ๊ฐ๋๋ ์จ๋๊ฐ ์ฆ๊ฐํจ์ ๋ฐ๋ผ
ํฌ๊ฒ ์ฆ๊ฐํ์ฌ ๊ณ ์จ ๋ณํ ์์๋ ๋ณํ๋ฅ ์๋์ ๋ฐ๋ฅธ ๊ฐ๋ ๋ณํ๊ฐ ํฌ๊ฒ ๋ฐ์ํ๊ณ ์ฃผ ๋ณํ๊ธฐ๊ตฌ์ ๋ฐ๋ผ ๋ค๋ฅธ ๋ณํ๋ฅ ์๋ ๋ฏผ๊ฐ๋๋ฅผ ๋ํ๋ธ๋ค. ๊ฐ ๋ณํ๊ธฐ๊ตฌ์
๋ฐ๋ฅธ ๋ณํ๋ฅ ์๋ ๋ฏผ๊ฐ๋๋ climb-controlled ์ ์ ํฌ๋ฆฌํ์ผ ๊ฒฝ์ฐ 0.14 ~ 0.2, GBS์ผ ๊ฒฝ์ฐ 0.5, ๊ทธ๋ฆฌ๊ณ ํ์ฐ ํฌ๋ฆฌํ์ผ ๊ฒฝ์ฐ
1์ ๊ฐ๊น์ด ๊ฐ์ ๊ฐ์ง๋ค๊ณ ์๋ ค์ ธ ์๋ค [30]. ์ด๋ฌํ ๋ณํ๋ฅ ์๋ ๋ณํ์ ๋ฐ๋ฅธ ์ธ์ฅ ๋ฌผ์ฑ ๋ณํ๋ฅผ ํ์ธํ๊ธฐ ์ํด 10-3์ 10-4 s-1์ ๋ณํ๋ฅ ์๋์์ ๊ณ ์จ ์ธ์ฅ ์ํ์ ํ์๊ณ , ๊ทธ ๊ฒฐ๊ณผ ๋ณํ๋ฅ ์๋๊ฐ 10-3์์ 10-4 s-1๋ก ๊ฐ์ํจ์ ๋ฐ๋ผ AZ80๊ณผ TAZ711 ํฉ๊ธ์ ํญ๋ณต๊ฐ๋๋ ๊ฐ๊ฐ 23, 30 MPa ๊ฐ์ํ์๋ค(๊ทธ๋ฆผ 6๊ณผ ํ 1). ๋ณํ๋ฅ ์๋ ๊ฐ์๋ก ์ธํด ์ผ๊ธฐ๋๋ ํญ๋ณต๊ฐ๋ ์ ํ๋ TAZ711 ํฉ๊ธ์์๋ 22%๋ก AZ80 ํฉ๊ธ์์์ 15% ๋ณด๋ค ํฌ๊ฒ ๋ํ๋ฌ๋ค(ํ 1). ํญ๋ณต๊ฐ๋์ ๋ณํ๋ฅ ์๋ ๋ฏผ๊ฐ๋์ ๊ด๊ณ๋ฅผ ๋ํ๋ด๋ ฯ0 = C(ฮญ)m (์ฌ๊ธฐ์, ฯ0๋ ํญ๋ณต๊ฐ๋, C๋ ์์, ฮญ์ ๋ณํ๋ฅ ์๋, m์ ๋ณํ๋ฅ ์๋ ๋ฏผ๊ฐ๋์ด๋ค) ์์ ํตํด ๊ตฌํ ๋ณํ๋ฅ ์๋ ๋ฏผ๊ฐ๋(m) ๋ํ TAZ711 ํฉ๊ธ์ด 0.11๋ก AZ80 ํฉ๊ธ์ 0.07 ๋ณด๋ค ๋๋ค. ์ด๋ TAZ711 ํฉ๊ธ์ด ๋์ผํ ๋ณํ ์จ๋ ํ์์ ๋ณํ๋ฅ ์๋ ๋ณํ์
๋ฐ๋ฅธ ํญ๋ณต๊ฐ๋ ๋ณํ๊ฐ AZ80 ํฉ๊ธ์ ๋นํด ํฌ๋ค๋ ๊ฒ์ ์๋ฏธํ๋ฉฐ, ๊ณ ์จ ๋ณํ ํ์์ AZ80 ํฉ๊ธ์ ๋นํด TAZ711 ํฉ๊ธ์์ ์ ์ ํฌ๋ฆฌํ๊ฐ ๋ ํ๋ฐํ๊ฒ
๋ฐ์ํ์ฌ ๋ณํ๋ฅ ์๋ ๋ณํ์ ๋ ๋ฏผ๊ฐํ ๊ฒ์ผ๋ก ํ๋จ๋๋ค. ๋ํ Koike ๋ฑ[31]์ AZ31 ํฉ๊ธ์์ 25 ~ 250 ยฐC ์จ๋ ๋ฒ์์์ GBS์ด ๋ฐ์ํ๋ ๊ฒ์ ๊ด์ฐฐํ์์ผ๋ฉฐ, ์จ๋๊ฐ ์ฆ๊ฐํ ์๋ก GBS์ ์ํฅ์ด ์ปค์ง๋ค๊ณ ๋ณด๊ณ ํ์๊ณ ,
GBS์ด ์ผ์ด๋๋ ๊ฒฐ์ ๋ฆฝ๊ณ์ ์์ ๊ฒฐ์ ๋ฆฝ ํฌ๊ธฐ๊ฐ ์ปค์ง์๋ก ๊ฐ์ํ๊ธฐ ๋๋ฌธ์ GBS๋ฅผ ์ํ ์๊ณ์๋ ฅ(threshold stress)์ ๊ฒฐ์ ๋ฆฝ ํฌ๊ธฐ์ ๋น๋กํ์ฌ
์ฆ๊ฐํ๋ค [32]. ํ์ฐ ํฌ๋ฆฌํ๋ก ์ธํ ํฌ๋ฆฌํ ์๋ ์ญ์ ๊ณ ์จ์ผ ๊ฒฝ์ฐ ๊ฒฐ์ ๋ฆฝ ํฌ๊ธฐ์ ์ ๊ณฑ์ ๋ฐ๋น๋กํ๊ณ ์ ์จ์ผ ๊ฒฝ์ฐ ๊ฒฐ์ ๋ฆฝ ํฌ๊ธฐ์ ์ธ์ ๊ณฑ์ ๋ฐ๋น๋กํ๋ค๊ณ ์๋ ค์ ธ ์๋ค
[24]. ๋ฐ๋ผ์, GBS์ ํ์ฐ ํฌ๋ฆฌํ ๋ํ ์์ ๊ฒฐ์ ๋ฆฝ ํฌ๊ธฐ๋ฅผ ๊ฐ์ง๋ TAZ711 ํฉ๊ธ์์ ๋ ์ฉ์ดํ๊ฒ ๋ฐ์๋๋ฉฐ, ์ด๋ ์ ์ ํฌ๋ฆฌํ์ ๋๋ถ์ด TAZ711
ํฉ๊ธ์ด AZ80 ํฉ๊ธ์ ๋นํด ๋ฎ์ ๊ณ ์จ ๊ฐ๋๋ฅผ ๊ฐ์ง๊ฒ ํ๋ ์์ธ์ผ๋ก ํ๋จ๋๋ค.
3.5. ๊ณ ์ฃผ๊ธฐ ํผ๋ก ํน์ฑ
๊ทธ๋ฆผ 7์ ์์ถ์ฌ์ 1์ถ ์ธ์ฅ-์์ถ ๊ณ ์ฃผ๊ธฐ ํผ๋ก ์ํ ๊ฒฐ๊ณผ๋ฅผ ๋ํ๋ธ ์๋ ฅ-์๋ช
(stress-life, S-N) ๊ทธ๋ํ์ด๋ค. ์ ์ฒด ์๋ ฅ ๊ตฌ๊ฐ์์ AZ80 ํฉ๊ธ์ด
TAZ711 ํฉ๊ธ ๋ณด๋ค ๊ธด ํผ๋ก์๋ช
(fatigue life)์ ๋ณด์ด๋ฉฐ, ํผ๋กํ๊ณ(fatigue limit) ๋ํ AZ80 ํฉ๊ธ์ด 140 MPa๋ก TAZ711
ํฉ๊ธ์ 115 MPa ๋ณด๋ค ์ฝ 22% ๋๋ค. ๊ทธ๋ฆผ 7(b)์์ ๋ณด์ด๋ ๋ฐ์ ๊ฐ์ด, ๋ ํฉ๊ธ ๋ชจ๋ ๊ฐํด์ง ์๋ ฅ์ ์๊ด์์ด ๋ชจ๋ ์ํธ์ด ํ๋ฉด์์ ํผ๋ก๊ท ์ด(fatigue crack)์ด ๋ฐ์ํ์ฌ ๋ด๋ถ๋ก ์ ํ(propagation)ํ์ฌ
ํผ๋ก ํ๊ดด(fatigue fracture)๊ฐ ๋ฐ์ํ์๋ค. ํญ๋ณต ์๋ ฅ๋ณด๋ค ๋ฎ์ ์๋ ฅ์ผ์ง๋ผ๋ ๋ฐ๋ณต์ ์ผ๋ก ๋ถ๊ฐ๋๋ฉด ์์ฌ ๋ด๋ถ์ ์ ์์ ์ด๋์ด ๋ฐ์ํ๊ณ ์๊ตฌ์ฌ๋ฆฝ๋ฐด๋(persistent
slip band, PSB)๊ฐ ์์ฑ๋์ด ์์ฌ ํ๋ฉด์ ์ฌ๋ฆฝ๋ ๋์ถ๋ถ(extrusion)์ ์ฌ๋ฆฝ๋ ๊ณจ(intrusion)์ด ํ์ฑ๋๋ค [33]. ์ด๋ฌํ ๋ฏธ์ธ ํ๋ฉด ๋จ์ฐจ๋ ์๋ ฅ ์ง์ค(stress concentration)์ ์ผ๊ธฐ์์ผ ํผ๋ก๊ท ์ด์ ๋ฐ์์ํจ๋ค. ๋ฐ๋ผ์, ์์ฌ ๋ด๋ถ์ ์๋ ฅ ์ง์ค์
์ผ๊ธฐํ๋ ๊ฐ์ฌ๋ฌผ(inclusion)๊ณผ ๊ธฐ๊ณต(void) ๋ฑ๊ณผ ๊ฐ์ 3์ฐจ์ ๊ฒฉ์๊ฒฐํจ(3-dimensional lattice defect)์ด ์กด์ฌํ์ง ์์
๊ฒฝ์ฐ์๋ ์ผ๋ฐ์ ์ผ๋ก ํผ๋ก๊ท ์ด์ ์์ฌ์ ํ๋ฉด์์ ๋ฐ์ํ๊ฒ ๋๋ค. ์ด๋ฌํ ๊ฒฝ์ฐ ์์ฌ์ ํญ๋ณต๊ฐ๋๊ฐ ๋์์๋ก ์ฌ๋ฆฝ ๋น๊ฐ์ญ์ฑ(slip irrevesibility)์ด
ํฅ์๋์ด ํผ๋ก๊ท ์ด์ ์์์ ์ด ๋๋ ๋์ถ๋ถ, ๊ณจ, ๋์ถ๋ถ(protrusion)์ ํ์ฑ์ด ์ต์ ๋์ด ํผ๋ก ์ ํญ์ฑ(fatigue resistance)์ด ํฅ์๋๋ค.
๊ทธ๋ฌ๋, ๋ณธ ์ฐ๊ตฌ์์๋ TAZ711 ํฉ๊ธ์ ์์จ ํญ๋ณต๊ฐ๋(247 MPa)๊ฐ AZ80 ํฉ๊ธ์ ํญ๋ณต๊ฐ๋(192 MPa) ๋ณด๋ค ํฌ๊ฒ ๋์์๋ ๋ถ๊ตฌํ๊ณ ,
ํผ๋ก ํน์ฑ์ AZ80 ํฉ๊ธ์ด ๋ ์ฐ์ํ ๊ฒฐ๊ณผ๊ฐ ์ป์ด์ก๋ค. ์ด๋ฌํ TAZ711 ํฉ๊ธ์ ๋ฎ์ ํผ๋ก ์ ํญ์ฑ์ ์กฐ๋ํ ๋ฏธ์ฌ๊ฒฐ์ ๋ ๊ฒฐ์ ๋ฆฝ์์์ ์์ ํ์ฑ์
์ํ ๊ฒ์ผ๋ก ํ๋จ๋๋ค. ๋ง๊ทธ๋ค์์ ๊ฒฝ์ฐ ์ก๋ฐฉ์ ๊ณ ๊ตฌ์กฐ๋ฅผ ๊ฐ์ง๋ฉฐ ๊ฒฉ์์์์ ๋น(c/a ratio)๊ฐ 1.624๋ฅผ ๊ฐ์ง๊ณ ์์ด ๊ธฐ์ ๋ฉด ์ฌ๋ฆฝ์ด ์ฃผ๋ ์ฌ๋ฆฝ
๊ธฐ๊ตฌ๊ฐ ๋๋ฉฐ, ๊ฐ์ฃผํ ์ฌ๋ฆฝ(prismatic slip), ํผ๋ผ๋ฏธ๋ํ ์ฌ๋ฆฝ(pyramidal slip)๊ณผ ๊ฐ์ ๋น๊ธฐ์ ๋ฉด ์ฌ๋ฆฝ ์์คํ
(non-basal
slip system)๋ค์ ์์จ์์์ ์๊ณ๋ถํด์ ๋จ์๋ ฅ(critical resolved shear stress, CRSS)์ด ๊ธฐ์ ๋ฉด ์ฌ๋ฆฝ์ CRSS
๋ณด๋ค ํจ์ฌ ๋์ ์์จ์์์ ๋
๋ฆฝ์ ์ธ ์ฌ๋ฆฝ ์์คํ
์ ์๋ 2๊ฐ ๋ฐ์ ์กด์ฌํ์ง ์๊ฒ ๋๋ค [34,35]. ์ด๋ฌํ ๋ง๊ทธ๋ค์ ํฉ๊ธ์์์ ์ ํ๋ ์ฌ๋ฆฝ ์์คํ
์ผ๋ก ์ธํด ์์ฑ ๋ณํ ์ ๋ณํ์ ์์ฉํ๊ธฐ ์ํด ์์ (twinning)์ด ์ฝ๊ฒ ๋ฐ์ํ๊ฒ ๋๋ค. ์์ ์
ํน์ง์ผ๋ก์ ์์ ์ด ํ์ฑ๋๋ฉด ์์ ๋ฐด๋(twin band) ๋ด์์์ ๊ฒฐ์ ํ์ ๋ฐฉ์(crystallographic orientation)๊ฐ ๋ฐ๋๋ ๊ฒฉ์ํ์ (lattice
rotation)์ด ๋ฐ์ํ๊ณ , ์ด๋ก ์ธํด ์์ ๋ฐด๋์์์ ์ฌ๋ฆฝ์ ๋ํ ํ์ฑํ ์ ๋๋ ๋ณํ๊ฒ ๋๋ค[36,37]. ๊ธฐ์กด ์ฐ๊ตฌ์ ๋ฐ๋ฅด๋ฉด, ๋ง๊ทธ๋ค์ ๊ฐ๊ณต์ฌ๋ฅผ ์์ฐ ๋๋ ์์ถ ๋ฐฉํฅ์ผ๋ก 1์ถ ์ธ์ฅ-์์ถ ๊ณ ์ฃผ๊ธฐ ํผ๋ก ์คํ์ ์ํํ ๊ฒฝ์ฐ, ๋ฐ๋ณต ํ์ค์ ์ํด ์์ฌ ๋ด์
๋ณํ์์ (deformation twin)์ด ํ์ฑ๋๊ฒ ๋๊ณ ์์ ๋ฐด๋ ์์ญ์ ๋ฐฉ์๊ฐ ๋ณํ์ฌ ๊ธฐ์ ๋ฉด ์ฌ๋ฆฝ์ ํ์ฑ์ด ์ฉ์ดํ๊ฒ ๋๊ธฐ ๋๋ฌธ์ ์ ์๊ฐ ์์ ๋ฐด๋
๋ด์ ์ง์ ํ๊ฒ ๋๋ค. ์ด๋ก ์ธํด ์ํธ์ ํ๋ฉด ๊ทผ๋ฐฉ์ ํ์ฑ๋ ์์ ์์ ํผ๋ก๊ท ์ด์ด ๋ฐ์ํ๋ ๊ฒ์ผ๋ก ๋ณด๊ณ ๋์๋ค [38,39]. ์ด๋ ํผ๋ก ์ํ ์ค์ ์์ฌ ๋ด์ ์์ ์ด ํ์ฑ๋ ๊ฒฝ์ฐ ๊ณ ์ฃผ๊ธฐ ํผ๋ก ํน์ฑ์ด ์ ํ๋๋ค๋ ๊ฒ์ ์๋ฏธํ๋ค. ๋ํ, ์์ ํ์ฑ์ ์ํด ํ์ํ ํ์ฑํ ์๋ ฅ(activation
stress for twinning)์ ๊ฒฐ์ ๋ฆฝ ํฌ๊ธฐ์ ๋งค์ฐ ๋ฏผ๊ฐํ ๊ฒ์ผ๋ก ์๋ ค์ ธ ์๋ค [40,41]. ๊ธ์์์ฌ์ ๊ฐ์ฅ ์ฃผ์ํ 2๊ฐ์ ๋ณํ๊ธฐ๊ตฌ์ธ ์ฌ๋ฆฝ๊ณผ ์์ ์ ๋ชจ๋ ๊ฒฐ์ ๋ฆฝ์ด ๋ฏธ์ธํด์ง์ ๋ฐ๋ผ ํ์ฑํ ์๋ ฅ์ด ์ฆ๊ฐํ์ง๋ง, ๋ง๊ทธ๋ค์ ํฉ๊ธ์์๋ ๊ฒฐ์ ๋ฆฝ ํฌ๊ธฐ๊ฐ
๊ฐ์ํ ๊ฒฝ์ฐ ์์ ์ ํ์ฑํ ์๋ ฅ์ด ์ฌ๋ฆฝ์ ๋นํด ๋์ฑ ํฌ๊ฒ ์ฆ๊ฐํ๊ฒ ๋๋ค [41]. TAZ711 ํฉ๊ธ์ ๊ฒฝ์ฐ AZ80 ํฉ๊ธ๊ณผ ๋ฌ๋ฆฌ ๋ถ๋ถ์ ์ธ ๋์ ์ฌ๊ฒฐ์ ์ผ๋ก ์ธํด ๋งค์ฐ ์กฐ๋ํ ๋ฏธ์ฌ๊ฒฐ์ ๋ ๊ฒฐ์ ๋ฆฝ๋ค์ด ์กด์ฌํ๊ณ ์๋ค (๊ทธ๋ฆผ 3(b)). TAZ711 ํฉ๊ธ์ ์ฌ๊ฒฐ์ ๋ ๊ฒฐ์ ๋ฆฝ์ ํฌ๊ธฐ(4.2 ฮผm)๊ฐ AZ80 ํฉ๊ธ์ ๊ฒฐ์ ๋ฆฝ ํฌ๊ธฐ(9.9 ฮผm) ๋ณด๋ค ๋ฏธ์ธํ์ง๋ง, TAZ711 ํฉ๊ธ์๋
๊ธธ์ด 100 ~ 500 ฮผm, ํญ 20 ~ 100 ฮผm์ ๊ฐ์ง๋ ์กฐ๋ํ ๊ฒฐ์ ๋ฆฝ๋ค์ด ์์ด ๋ฐ๋ณต ํ์ค์ด ๊ฐํด์ง๋ ํผ๋ก ์ํ ๋์ ์ฝ๊ฒ ์์ ์ด ํ์ฑ๋ ๊ฒ์ด๋ค.
์์ ๊ทธ๋ฆผ 4์์ ์ธ๊ธํ ๋ฐ์ ๊ฐ์ด, ๋๋ถ๋ถ์ ๊ฒฐ์ ๋ฆฝ์ ๊ธฐ์ ๊ทน์ด ์์ถ ๋ฐฉํฅ๊ณผ ์์ง์ผ๋ก ๋ฐฐ์ด๋์ด ์๋ค. ๊ทธ๋ฌ๋ฏ๋ก, ์์ถ ๋ฐฉํฅ์ผ๋ก์ ์ธ์ฅ๊ณผ ์์ถ์ด ๊ฐํด์ง๋ ํผ๋ก ์ํ
ํ์์ ๊ธฐ์ ๋ฉด ์ฌ๋ฆฝ์ ๋ํ Schmid factor๊ฐ ๋งค์ฐ ๋ฎ๊ธฐ ๋๋ฌธ์ ์ฌ๋ฆฝ์ด ์ ํ์ฑํ ๋์ง ์๋๋ค. ํ์ง๋ง, ์กฐ๋ํ ๊ฒฐ์ ๋ฆฝ์์ ์์ ์ด ํ์ฑ๋๋ฉด
์์ ๋ ์์ญ์ ๊ฒฉ์ ํ์ ์ผ๋ก ์ธํด ๊ธฐ์ ๋ฉด ์ฌ๋ฆฝ์ด ์ฉ์ดํ ๋ฐฉ์๋ก ๋ฐฐ์ด๋์ด ์์ ๋ฐด๋ ๋ด์ ์ ์๋ค์ด ์ฝ๊ฒ ํ์ฑ๋๊ณ ์ถ์ ๋๋ฏ๋ก ํผ๋ก๊ท ์ด์ด ๋ ์ ๋ฐ์ํ๊ฒ
๋ ๊ฒ์ด๋ค. ๋ฐ๋ผ์, TAZ711 ํฉ๊ธ์ ๋์ ์์จ ํญ๋ณต๊ฐ๋๋ฅผ ๊ฐ์ง์๋ ๋ถ๊ตฌํ๊ณ , ์กฐ๋ํ ๋ฏธ์ฌ๊ฒฐ์ ๋ ๊ฒฐ์ ๋ฆฝ๋ค๋ก ์ธํด ๋ฎ์ ๊ณ ์ฃผ๊ธฐ ํผ๋ก ์ ํญ์ฑ์ ๊ฐ์ง๊ฒ
๋๋ ๊ฒ์ผ๋ก ์ฌ๋ฃ๋๋ค.
4. ๊ฒฐ ๋ก
๋ณธ ์ฐ๊ตฌ์์๋ AZ80๊ณผ TAZ711 ๋ง๊ทธ๋ค์ ํฉ๊ธ ์์ถ์ฌ์ ๋ฏธ์ธ์กฐ์ง๊ณผ ์์จ ๋ฐ ๊ณ ์จ ์ธ์ฅ ํน์ฑ, ๊ทธ๋ฆฌ๊ณ ๊ณ ์ฃผ๊ธฐ ํผ๋ก ํน์ฑ์ ๋ํ์ฌ ์กฐ์ฌํ์ฌ ๋ค์๊ณผ
๊ฐ์ ๊ฒฐ๋ก ์ ์ป์๋ค.
1. AZ80 ํฉ๊ธ ์์ถ์ฌ๋ ์์ฌ ์ ์ฒด๊ฐ ์์ ํ ๋์ ์ฌ๊ฒฐ์ ๋ ๋ฏธ์ธ์กฐ์ง์ ๊ฐ์ง๋ ๋ฐ๋ฉด, TAZ711 ํฉ๊ธ ์์ถ์ฌ๋ ์ฌ๊ฒฐ์ ๋์ง ์๋ ์กฐ๋ํ ๊ฒฐ์ ๋ฆฝ๊ณผ
์ฌ๊ฒฐ์ ๋ ๋ฏธ์ธํ ๊ฒฐ์ ๋ฆฝ์ด ํผ์ฌ๋์ด ์๋ค. ๋ฐ๋ฉด, AZ80 ํฉ๊ธ์์๋ ์์ถ๋ฌผ์ด ๋ ๋ฅผ ์ด๋ฃจ์ด ๋ถํฌํ๊ณ ์๋ ๋ฐ๋ฉด, TAZ711 ํฉ๊ธ์ ์์ถ๋ฌผ์ด ์ํธ ์ ๋ฐ์
๊ฑธ์ณ ๊ท ์ผํ๊ฒ ๋ถํฌํ๊ณ ์๋ค.
2. TAZ711 ํฉ๊ธ์ด ์กฐ๋ํ ๋ฏธ์ฌ๊ฒฐ์ ๋ ๊ฒฐ์ ๋ฆฝ์ ๊ฐ์ง๊ณ ์์ผ๋, ์ฌ๊ฒฐ์ ๋ ๊ฒฐ์ ๋ฆฝ์ ํฌ๊ธฐ๋ AZ80 ํฉ๊ธ์ ๋นํด ๋ฏธ์ธํ๋ค. ๋ ํฉ๊ธ ๋ชจ๋ ๊ฒฐ์ ๋ฆฝ๋ค์
๊ธฐ์ ๋ฉด์ด ์์ถ ๋ฐฉํฅ๊ณผ ํํํ๊ฒ ๋ฐฐ์ด๋ ์ ํ์ ์ธ ๋ง๊ทธ๋ค์ ์์ถ์ฌ ์งํฉ์กฐ์ง์ ๋ณด์ด๊ณ ์์ผ๋, ์งํฉ์กฐ์ง์ ๊ฐ๋๋ TAZ711 ํฉ๊ธ์ด AZ80 ํฉ๊ธ ๋ ํฌ๋ค.
3. ์์จ ์ธ์ฅ ์ํ ๊ฒฐ๊ณผ, TAZ711 ํฉ๊ธ์ ํญ๋ณต๊ฐ๋๊ฐ AZ80 ํฉ๊ธ๋ณด๋ค ๋์ผ๋ฉฐ, ์ด๋ ๋ฏธ์ธํ ๊ฒฐ์ ๋ฆฝ, ๊ฐํ ์งํฉ์กฐ์ง, ๋ถ์ฐ๋ ์์ถ๋ฌผ๋ก ์ธํ ๊ฐํ
ํจ๊ณผ ์ฆ๋๋ก ์ธํ ๊ฒ์ผ๋ก ํ๋จ๋๋ค. ๊ทธ๋ฌ๋, AZ80 ํฉ๊ธ์ ์ฐ์ํ ๊ฐ๊ณต๊ฒฝํ๋ฅ์ผ๋ก ์ธํด ์ต๋์ธ์ฅ๊ฐ๋๋ ๋ ํฉ๊ธ์ด ๊ฑฐ์ ์ ์ฌํ๋ฉฐ, ์ฐ์ ์จ์ ํญ๋ณต๊ฐ๋๊ฐ
๋ฎ์ AZ80 ํฉ๊ธ์ด ๋ ์ฐ์ํ๋ค.
4. ๊ณ ์จ ์ธ์ฅ ์ํ ๊ฒฐ๊ณผ, TAZ711 ํฉ๊ธ์ด AZ80 ํฉ๊ธ๋ณด๋ค ๋ฎ์ ๊ฐ๋๋ฅผ ๋ณด์ด๋ฉฐ, ์ด๋ ์ ์ ํฌ๋ฆฌํ์ ๋๋ถ์ด ๋ฏธ์ธํ ๊ฒฐ์ ๋ฆฝ์ผ๋ก ์ธํ GBS๊ณผ
ํ์ฐ ํฌ๋ฆฌํ์ ๋ฐ์์ด TAZ711 ํฉ๊ธ์์ ๋ ์ฉ์ดํ๊ฒ ๋ฐ์ํ๊ธฐ ๋๋ฌธ์ด๋ค. ๋ ํฉ๊ธ ๋ชจ๋ ๋ณํ๋ฅ ์๋๊ฐ ๊ฐ์ํจ์ ๋ฐ๋ผ ๊ฐ๋๊ฐ ๊ฐ์ํ์์ผ๋, ๋ฏธ์ธํ
๊ฒฐ์ ๋ฆฝ์ ๊ฐ์ง๋ TAZ711 ํฉ๊ธ์ด ๋ณํ๋ฅ ์๋ ๋ฏผ๊ฐ๋๊ฐ ๋์์ ๊ฐ๋ ์ ํ๊ฐ ํฌ๊ฒ ๋ฐ์ํ๋ค.
5. ์์จ ๊ณ ์ฃผ๊ธฐ ํผ๋ก ์ํ ๊ฒฐ๊ณผ, ๋ชจ๋ ์ํธ์ด ํ๋ฉด์์ ํผ๋ก๊ท ์ด์ด ๋ฐ์ํ์์ผ๋ฉฐ, TAZ711 ํฉ๊ธ์ ์์จ ํญ๋ณต๊ฐ๋๊ฐ AZ80 ํฉ๊ธ ๋ณด๋ค ๋์์๋
๋ถ๊ตฌํ๊ณ ๋ฎ์ ๊ณ ์ฃผ๊ธฐ ํผ๋ก ํน์ฑ์ ๋ํ๋ธ๋ค. ์ด๋ TAZ711 ํฉ๊ธ์ ์กด์ฌํ๋ ์กฐ๋ํ ๊ฒฐ์ ๋ฆฝ๋ค์์ ๋ฐ๋ณต ํ์ค ์ค์ ์์ ์ด ํ์ฑ๋๊ณ ์์ ๋ด์ ์ ์๊ฐ
์ถ์ ๋์ด ํผ๋ก๊ท ์ด์ด ๋ฐ์ํ์ฌ ํผ๋ก ์ ํญ์ฑ์ด ๊ฐ์ํ ๊ฒ์ผ๋ก ์ฌ๋ฃ๋๋ค.
Acknowledgements
์ด ๋
ผ๋ฌธ์ 2018๋
๋ ์ ๋ถ(๋ฏธ๋์ฐฝ์กฐ๊ณผํ๋ถ)์ ์ฌ์์ผ๋ก ํ๊ตญ์ฐ๊ตฌ์ฌ๋จ ๊ธฐ์ด์ฐ๊ตฌ์ค์ง์์ฌ์
์ ์ง์์ ๋ฐ์ ์ํ๋ ์ฐ๊ตฌ์ (No. 2017R1A4A1015628).
REFERENCES
Mordike B. L., Ebert T., Mater. Sci. Eng. A,302, 37 (2001)

Friedrich H., Schumann S., J. Mater. Process. Tech,117, 276 (2001)

Ramakrishnan S., Koltun P., Resour. Conserv. Recy,42, 49 (2004)

Sajuri Z. B., Miyashita Y., Hosokai Y., Mutoh Y., Int. J. Mech. Sci,48, 198 (2006)

Bettles C., Barnett M., Advances in Wrought Magnesium Alloys: Fundamentals of Processing,Woodhead
Publishing (2012)

Froes F. H., Eliezer D., Aghion E., JOM,50, 30 (1998)

Park S. H., Cho D. H., Cho K. M., Park I. M., Met. Mater. Int,24, 1162 (2018)

Nam S. W., Korean J. Met. Mater,55, 213 (2017)

Bettles C. J., Gibson M. A., JOM,57, 46 (2005)

Davies C., Barnett M., JOM,56, 22 (2004)

Meng S., Yu H., Zhang H., Cui H., Park S. H., Zhao W., You B. S., Mater. Sci. Eng.
A,690, 80 (2017)

Kim W. J., Kwak T. Y., Met. Mater. Int,23, 660 (2017)

Yuan G., Liu Y., Lu C., Ding W., Mater. Sci. Eng. A,472, 75 (2008)

Tan X., Chee W., Chan J., Kwok R., Gupta M., Met. Mater. Int,23, 699 (2017)

Sasaki T. T., Yamamoto K., Honma Y., Kamado S., Hono K., Scr. Mater,59, 1111 (2008)

Yu H., Kim Y. M., You B. S., Yu H. S., Park S. H., Mater. Sci. Eng. A,559, 798 (2013)

Park S. H., You B. S., J. Alloy. Compd,637, 332 (2015)

Liu H., Chen Y., Tang Y., Wei S., Niu G., J. Alloy. Compd,440, 122 (2007)

Elsayed F. R., Sasaki T. T., Mendis C. L., Ohkubo T., Hono K., Scr. Mater,68, 797
(2013)

Park S. H., Kim S. H., Kim H. S., Yoon J., You B. S., Compd J. Alloy., 170, 667, (2016)

Park S. H., Kim H. S., You B. S., Korean J. Met. Mater,51, 637 (2013)

Park S. S., Tang W. N., You B. S., Mater. Lett,64, 31 (2010)

Luo A. A., Int. Mater. Rev,49, 13 (2004)

Dieter G. E., Mechanical Metallurgy,McGraw-Hill Book Company (1988)

Kim S. H., Lee J. U., Kim Y. J., Choi J. O., Lee J. H., Park S. H., Korean J. Met.
Mater,56, 40 (2018)

Shahzad M., Wagner L., Mater. Sci. Eng. A,506, 141 (2009)

Grosch G. H., Range K.-J., J. Alloy. Compd,235, 250 (1996)

Hort N., Huang Y., Kainer K. U., Adv. Eng. Mater,8, 235 (2006)

Roodposhti P. S., Sarkar A., Murty K. L., Brody H., Scattergood R., Mater. Sci. Eng.
A,669, 171 (2016)

Somekawa H., Hirai K., Watanabe H., Takigawa Y., Higashi K., Mater. Sci. Eng. A,407,
53 (2005)

Koike J., Ohyama R., Kobayashi T., Suzuki M., Maruyama K., Mater. Trans,44, 445 (2003)

Zelin M. G., Yang H. S., Valiev R. Z., Mukherjee A. K., Metall. Trans. A,23, 3135
(1992)

Suresh S., Fatigue of Materials,Cambridge University Press (1998)

Styczynski A., Hartig Ch., Bohlen J., Letzig D., Scr. Mater,50, 943 (2004)

Roberts C. S., Magnesium and Its Alooys,Jhon Wiley and Sons (1960)

Wu L., Jain A., Brown D. W., Stoica G. M., Agnew S. R., Clausen B., Fielden D. E.,
Liaw P. K., Acta Mater,56, 688 (2008)

Agnew S. R., Duygulu O., Int. J. Plasticity,21, 1161 (2005)

Yang F., Yin S. M., Li S. X., Zhang Z. F., Mater. Sci. Eng. A,491, 131 (2008)

Koike J., Fujiyama N., Ando D., Sutou Y., Scr. Mater,63, 747 (2010)

Christian J. W., Mahajan S., Prog. Mater. Sci,39, 1 (1995)

Barnett M. R., Keshavarz Z., Beer A. G., Atwell D., Acta Mater,52, 5093 (2004)

Figures and Table
Fig. 1.
Dimensions of samples for (a) room- and (b) elevated-temperature tensile testing and
(c) high-cycle fatigue testing.
Fig. 2.
(a) Variation in extruded load during indirect extrusion and (b) extruded bar images.
Fig. 3.
Optical micrographs at (a, b) low and (c, d) high magnifications of extruded (a, c)
AZ80 and (b, d) TAZ711 alloys. DRXed and non-DRXed regions denote the dynamically
recrystallized and non-dynamically recrystallized regions, respectively.
Fig. 4.
ED inverse pole figure maps and (0001) pole figures and ED inverse pole figures of
extruded (a) AZ80 and (b) TAZ711 alloy. davg denotes the average grain size.
Fig. 5.
Room temperature tensile stress-strain curves of extruded AZ80 and TAZ711 alloys.
Fig. 6.
Elevated temperature tensile stress-strain curves of extruded AZ80 and TAZ711 alloys
at strain rates of (a) 10-3 and (b) 10-4.
Fig. 7.
(a) High-cycle fatigue test results (S-N curves) of extruded AZ80 and TAZ711 alloys
and (b) sample image and SEM micrograph of fatigue fractured specimen at a stress
amplitude of 150 MPa of extruded AZ80 alloy.
Table 1.
Temperature tensile properties at room and elevated temperatures of extruded AZ80
and TAZ711 alloys.
|
Temperature (oC)
|
Strain rate (s-1)
|
AZ80
|
TAZ711
|
|
YS (MPa)
|
UTS (MPa)
|
EL (%)
|
YS (MPa)
|
UTS (MPa)
|
EL (%)
|
|
25
|
5ร10-3 |
192
|
317
|
22.2
|
247
|
312
|
11.9
|
|
150
|
10-3 |
149
|
188
|
40.7
|
139
|
150
|
47.4
|
|
10-4 |
126
|
143
|
42.6
|
109
|
119
|
48.7
|