조민수
(Min-Su Jo)
12
조영희
(Young-Hee Cho)
1
이정무
(Jung-Moo Lee)
1*
김수배
(Soo-Bae Kim)
1
김수현
(Su-Hyeon Kim)
1
장재일
(Jae-il Jang)
2
-
한국재료연구원 금속재료연구본부
(Division of Metallic Materials, Korea Institute of Materials Science, Changwon 51508,
Republic of Korea)
-
한양대학교 신소재공학부
(Division of Materials Science and Engineering, Hanyang University, Seoul 04763, Republic of Korea)
Copyright © 2022 The Korean Institute of Metals and Materials
Key words
Al-Si-Cu-Ni alloy, elevated temperature strength, interconnectivity, microstructure, ultrasonic melt treatment, cooling rate
1. 서 론
Al-Si계 주조 합금은 경량성, 우수한 주조성, 우수한 강도/연성 및 낮은 열팽창계수 등의 장점을 가지고 있기 때문에 수송기기 부품, 기계부품 등의
제조에 널리 사용되고 있으며, 주철재를 대체하여 고온에서 사용하기 위한 연구들도 최근에 많이 이루어지고 있다. 고온에서 사용시 고온 강도, 내마모성
등의 특성이 추가적으로 필요하기 때문에 공정 또는 과공정 Al-Si 합금(12-18 wt.% Si)이 주로 사용된다 [1-3].
고온에서의 더 높은 요구 특성을 만족시키기 위하여 Al-Si계 주조 합금에 다량의 전이금속(Cu, Ni, Co, Ti, V 및 Zr 등)을 첨가하여
고온 강도를 향상 시키는 연구들이 이루어지고 있다. Al-Si계 주조 합금에 전이금속을 첨가하게 되면 고온에서 안정한 상들이 생성되면서 고온 특성을
향상시킬 수 있다 [4-9]. 다양한 전이금속의 첨가에 의한 고온 특성 향상은 미세조직에서 생성상의 분율 증가에 의한 생성상의 상호연결성 증가에 기인하는 것으로 보고되고 있다
[10]. 상호연결성은 미세조직에서 생성상들이 서로 연결되어 있는 정도를 나타내는 것으로, 생성상의 크기 또는 상분율이 클수록 이 정도는 커지며, 고온
특성 또한 향상된다. 그러나, Al-Si계 주조 합금에 전이금속을 과다하게 첨가하면 생성상이 조대해지며 합금의 취성을 증가시켜 특성 저하를 야기할
수 있다. 그렇기 때문에 합금의 상분율을 증가시키면서 취성적인 특성을 개선할 수 있는 방법이 다양하게 연구되고 있는데, 화학적 개량화제의 첨가[11], 급속 응고[12], 과열처리[13] 및 초음파용탕처리[2,14,15] 등에 대한 연구가 보고되고 있다. 이중에서 초음파용탕처리는 합금의 미세조직을 미세화시킬 뿐만 아니라 주조품의 품질을 향상 시킬 수 있기 때문에
효과적인 방법 중 하나로 간주되며[16-19], 냉각속도가 클수록 더 좋은 효과를 보이는 것으로 보고되어 있다[2,3]. 또한, 초음파용탕처리는 금속간화합물[20-22]이나 초정 Si[14,22,23]을 미세화하여 합금의 상온 및 고온강도 향상에 기여하는 것으로 알려져 있다.
Al 합금에서 미세조직적 특성의 변화가 고온강도에 미치는 영향에 대하여 많은 연구가 이루어지고 있다[10,24-29]. Requena 등[26], Asghar 등[27]과 Tolnai 등[28]은 미세조직내에 존재하는 생성상들간의 상호연결성이 증가함에 따라 고온에서의 강도가 증가한다고 보고하였다. 또한, Stadler 등[29]은 Al-Si 합금에 Ni을 첨가하면 고온안정상의 부피 분율이 증가하기 때문에 고온안정상들의 상호연결성이 증가하여 고온에서 강도가 증가한다고 보고하였다.
이외에도 상들의 상호연결성과 고온강도의 연관성을 찾기 위해 미세조직을 3D로 분석하여 생성상의 형상 및 부피분율과 고온 강도와의 상관관계를 찾는 연구도
보고되고 있다[10,24]. 생성상의 상호연결성에 의하여 설명되는 고온특성은 이의 부피분율과 밀접한 관계가 있다. 그러나, 초음파용탕처리 또는 빠른 냉각속도를 적용할 때와
같이 생성상의 부피분율이 거의 변하지 않는 상황에서의 강도 변화를 설명하기에는 어려움이 있다.
한편, Al 복합재에서는 SiC 장섬유 (long fiber)나 그래핀 (graphene)과 같은 강화재의 부피분율과 형상에 따라 이들이 받는 응력을
계산하여 복합재의 강도를 예측하는 연구가 많이 보고되었다 [30-36]. Narodone과 Prewo[30]는 Al-SiC 복합 재료에서 SiC 장섬유에 가해지는 응력을 계산하여 복합재의 강도를 예측하는 전단 지연 모델(shearlag model)을 제안하였다.
전단 지연 모델을 사용하여 강도의 계산을 연구한 보고들 중에 Jiang 등[31]은 단순하게 계산된 장섬유에 가해지는 응력을 실제 응력에 가깝게 계산하고자 하였으며 기존의 전단 지연 모델에서 고려되지 않은 장섬유의 탄성계수를
사용하여 재료의 강도를 계산하는 식을 제안하였다. 또한, Ryu 등[32]은 단섬유 (whisker)가 응력방향에 평행하지 않고 무질서한 방향으로 놓여 있을 때 이들의 배향에 따라 받는 응력을 계산하여 재료의 강도를 구하는
수식을 제안하였다. Kotha 등[33]과 Hanifeh 등[34]은 전단 지연 모델을 사용하여 복합재의 강도를 계산할 때 플레이트(plate)들간에 상호 작용 작용을 고려하여 응력 분포를 적용한 수식을 제안하였다.
그리고 Friend[35,36]는 전단 지연 모델을 기반으로 Al2O3 단섬유가 불규칙적으로 배열된 복합재에서 상온 및 고온 강도를 계산하는 연구를 하였다. 이와 같이, 제2상 입자가 존재하는 복합재에서 상온과 고온
강도를 계산하기 위한 다양한 연구가 보고되었다 [25,37,38].
Al 합금의 상온 또는 고온에서의 강도를 수식적으로 해석하려는 선행 연구들 중 상당수는 싱크로트론 단층촬영기법 (Synchrotron Tomography)[10] 또는 자동 연속 절단법 (Automatic serial sectioning)[2]을 사용하여 생성상의 부피분율이나 형상을 3차원(3D)으로 분석하여 생성상의 상호연결성을 구하고 이를 기반으로 고온 강도를 정성적으로 비교하는 방법이다.
하지만, 이 기법들은 시간과 비용이 많이 소요될 뿐만 아니라, 초음파용탕처리나 냉각속도 변화와 같이 생성상의 부피분율 변화가 크지 않은 조건에서는
강도 변화를 설명하기에 어려움이 있다.
또한, Al-Si계 주조 합금의 미세조직은 전단 지연 모델이 제안될 때 사용된 복합재의 미세조직과는 다르기 때문에, Al-Si계 주조 합금에 이 모델을
그대로 적용하기에는 어려움이 있다. 즉, Narodone과 Prewo[30]는 장섬유가 일방향으로 배열된 구조를 갖는 복합재의 미세조직에서 전단 지연 모델을 제안하였는데, Al-Si계 주조 합금은 소위 Al-셀(cell)
주변에 금속간화합물이 불규칙하게 생성되는 구조를 가지고 있기 때문에 오히려 단섬유가 여러방향으로 분산된 복합재의 구조에 더 유사하다. 따라서, Al-Si계
주조 합금의 고온 강도 변화에 전단 지연 모델을 적용하기 위해서는, 이들이 갖는 미세조직적 특징에 맞게 모델을 수정하여 해석해야 할 필요가 있다.
이상과 같은 관점을 바탕으로, 본 연구에서는 생성상의 부피분율을 달리 한 두 종류의 Al-Si계 주조 합금에 대하여 초음파용탕처리나 빠른 냉각속도가
적용되었을 때의 고온 강도 변화를 분석하고자 하였다. 생성상의 분율, 형상 및 크기를 2차원(2D) 미세조직에서 측정한 후, Al-Si계 주조 합금의
미세조직에 맞게 전단 지연 모델을 변형시킨 육각 전단 지연 모델 (hexagonal shear-lag model)로 생성상들의 상호연결성을 분석하고,
이를 바탕으로 합금의 제조 조건에 따른 고온 강도 변화를 해석하였다.
2. 실험방법
합금의 고온 특성에 영향을 줄 수 있는 생성상 전체 부피분율, 생성상 크기 등의 인자에 변화를 주기 위하여 Si, Cu, Ni 등의 조성을 달리한
두 종류의 합금, 10S와 14S를 사용하였다 (표 1). 본 연구에서 사용한 합금은 안산 소재 동양피스톤에서 제조되었으며, 합금 조성은 발광분광분석기(OES, optical emission spectrometer)를
사용하여 분석하였다.
전기저항로에서 500 Kg의 합금을 용해하고 Ar 가스를 이용하여 GBF로 탈가스 처리를 한 후 주조하였는데, 이때 용탕의 온도는 800 °C로 유지하였다.
2.5 Kg의 용탕을 주철재 레들(ladle)에 옮겨 담아 800~770 °C의 온도에서 세라믹(sialon) 혼(horn)을 사용하여 초음파용탕처리(ultrasonic
melt treatment, UST)를 하였다. 초음파용탕처리는 20 kHz의 공진 주파수와 325W의 출력으로 대기중에서 20초 동안 실시하였다.
초음파용탕처리를 한 용탕과 하지않은 용탕 모두 4~64 K/s의 냉각속도를 갖는 주철재 계단식 주형(steel step mold)에 주입하여 시편을
제작하였다. 계단식 주형은 200 × 240 × 45 mm 치수를 가지고 있으며 총 4단계(40, 20, 10, 4 mm)의 시편 두께를 가지고 있다.
본 연구에서는 4 K/s 및 32 K/s의 냉각속도에 해당하는 계단에서 시편을 채취하여 분석하였다. 제작된 시편에 대하여 T7 열처리를 실시하였는데,
470 °C 에서 2시간 동안 용체화처리한 후 230 °C에서 5시간 동안 시효처리하였다.
통상적인 연마공정으로 미세조직 시편을 준비하였으며 최종연마시에 0.05 μm colloidal silica 연마제를 사용하였다. 광학현미경(OM,
Nikon MA200)과 주사전자현미경(SEM, JEOL JSM-6610LV)을 사용하여 시편의 미세조직을 관찰하였다. 바둑판형식으로 배열된 x200배율
사진 9장(1.8 × 1.4 mm2)을 사용하여 I-solution DT로 α-Al의 길이, 생성상의 크기, 분율 등 미세조직적 인자를 정량분석하였다. Al-셀과 초정 및 공정 Si의 정량분석에는 광학현미경 사진을 사용하였고,
생성상인 금속간화합물의 정량분석에는 후방 산란 전자(BSE, back-scattered electron) 사진을 사용하였다. 미세조직 인자의 정량분석에는
측정된 α-Al의 크기, 생성상의 길이 및 폭 등의 값을 산술평균하여 구하였다. 생성상의 등고선도(contour map)는 총 9 장의 후방 산란 전자 사진에서
측정된 각각의 생성상을 길이와 종횡비로 분류하여 해당 빈도를 나타내었다. 14S합금에 대해서 생성상의 3D 미세조직을 분석하였는데, A Robo-Met
3D serial sectioning system과 Avizo Fire reconstruction software를 사용하였다. 또한, NaOH(95%)를
증류수에 1:9로 희석한 수용액으로 시편을 딥에칭(deep etching)하여 Al-기지를 녹여낸 후 주사전자현미경으로 미세조직을 관찰하였다.
T7 열처리한 시편을 ASTM E8M sub size로 가공하여 350 °C에서 고온인장 시험을 실시하였으며, 시험전에 시편을 350 °C에서 100시간
동안 노출시킨 후 시험하였다. 고온 인장시험은 각각의 조건에서 2회 시험하였으며, 이의 평균값을 사용하였다.
3. 실험결과
3.1 고온 강도 변화
표 2에 10S와 14S 합금의 350 °C 고온강도를 나타내었다. 14S 합금은 냉각속도를 4 K/s에서 32 K/s로 증가시켰을 때 인장강도와 항복강도가
증가하였다. 또한, 초음파용탕처리를 하였을 때에도 인장강도 및 항복강도가 약간 증가하였다. 그러나 10S 합금은 냉각속도를 32 K/s로 증가시켰을
때 인장강도 및 항복강도가 증가하였지만, 초음파용탕처리를 하였을 때는 인장강도와 항복강도가 감소하는 것을 볼 수 있다.
초음파용탕처리를 적용한 10S와 14S의 고온 항복강도의 변화율을 그림 1에 나타내었다. 초음파용탕처리를 하였을 때 10S와 14S의 350 °C 고온강도는 서로 다른 경향성을 보여주었다. 14S의 경우 초음파용탕처리시
항복강도가 상승한 반면 10S는 감소한 것을 볼 수 있다. 즉, 14S는 초음파용탕처리를 하였을 때 4, 32 K/s의 냉각속도에서 항복 강도가 각각
0.2, 2.3% 증가하였지만, 10S의 경우 4, 32K/s의 냉각속도에서 항복강도가 각각 7.4, 6.0% 감소하였다.
3.2 미세조직
그림 2는 4 K/s의 냉각속도에서 10S와 14S합금의 초음파용탕처리 유무에 따른 광학현미경 미세조직 사진이다. 그림 2의 광학현미경 사진에서는 합금의 조성과 초음파용탕처리에 따른 α-Al과 초정 Si의 변화를 볼 수 있다. 10S의 경우 아공정 Al-Si 조성으로 초정 Si이 생성되지 않아야 하지만 다량의 전이금속 첨가로 인하여
소량의 초정 Si이 생성된 것을 볼 수 있다. 14S에는 많은 수의 초정 Si이 존재하며 초음파용탕처리시 그 크기가 다소 작아진 것을 볼 수 있다.
이전에 보고된 연구에 따르면 용탕중에 존재하는 P가 응고중에 AlP상으로 생성되어 초정 Si의 핵생성 사이트로 작용하여 이들을 미세화시키는데, 초음파용탕처리시
초정 Si이 미세화되지만 그 효과는 다른 생성상보다 낮은 것으로 보고되었다 [3].
그리고 α-Al의 크기는 동일한 냉각속도에서 10S가 14S 보다 큰 것으로 나타났으며 이는 10S가 14S보다 낮은 생성상 분율을 가지고 있기 때문인 것으로
판단된다. 초음파용탕처리시 두 합금 모두 α-Al의 변화는 나타나지 않았다. α-Al의 크기는 두 합금 모두 냉각속도에 의해서만 달라지는 것을 알 수 있었다.
그림 3은 4 K/s의 냉각속도에서 10S와 14S합금의 초음파용탕처리 유무에 따른 후방 전자 산란 사진으로, 주로 금속간화합물들의 변화를 보여준다. 10S와
14S는 Cu와 Ni의 첨가량이 다른 합금이지만, 두 합금에 존재하는 생성상의 종류는 거의 동일하며 주로 (Al,Si)3(Zr,Ni,Fe), Al9FeNi과 Al3(Cu,Ni)2 또는 Al7Cu4Ni등의 금속간화합물로 이루어져 있는 것으로 확인되었다. 다른 점은 10S의 경우 14S보다 Cu함량이 높기 때문에 Al3(CuNi)2 보다 Al7Cu4Ni상이 많이 생성된다. Al3(CuNi)2 또는 Al7Cu4Ni 상은 응고 중 Al3Ni가 먼저 생성된 후 Cu가 액상에서 Al3Ni로 확산되어 만들어진다 [3,39,40]. 그렇기 때문에 Cu 함량이 높은 10S에 Al7Cu4Ni상의 분율이 높다. 또한 10Si 합금에서 Ni의 함량이 상대적으로 낮기 때문에 Al3Ni의 분율이 적어 전체적으로 10S의 금속간화합물의 부피분율이 14S 대비 낮다. 10S에 많이 존재하는 Al7Cu4Ni상 또한 초음파용탕처리시 미세화가 일어나며 이는 Al7Cu4Ni상의 모체가 되는 Al3Ni상이 AlP를 핵생성 사이트로 가지기 때문이다 [3].
그림 4는 14S 합금에서 초음파용탕처리와 냉각속도에 따른 (Al,Si)3(Zr,Ni,Fe)상의 길이와 종횡비의 빈도 변화를 보여주는 등고선도이다. 14S 합금에서 금속간화합물들의 길이 및 종횡비의 측정은 SEM-EDS로
각각의 상을 식별한 후 바둑판형식으로 배열된 x200배율 사진 9장(1.8 × 1.4 mm2)의 영역에서 각각의 상들을 개별적으로 선택하여 측정을 하였다. 측정에는 동일한 영역에서 촬영한 BSE 및 OM 사진을 사용하였다. 초음파용탕처리시
상의 길이와 종횡비가 감소하는 것을 볼 수 있으며 냉각속도를 4 K/s에서 32 K/s로 증가시켰을 때 길이는 감소하지만 종횡비의 변화는 크지 않은
것을 볼 수 있다. 또한 초음파용탕처리와 4 K/s에서 32 K/s로 냉각속도의 변화가 동시에 적용되었을 때 길이와 종횡비가 모두 감소하는 것을 볼
수 있다. (Al,Si)3(Zr,Ni,Fe) 상은 기본적으로 플레이트 형상을 가지고 있으며 32 K/s의 냉각속도에서는 단일한 플레이트 형상을 유지하고 있으나 초음파용탕처리를
적용하였을 때 다방면으로 성장하여 플레이트가 겹쳐진 형상을 이루고 있다[3]. (Al,Si)3(Zr,Ni,Fe) 상은 Al3Zr상에 Si, Ni 및 Fe가 치환되어 생성되기 때문에 Al3Zr과 같은 결정 구조를 가지고 있으며[41], 플레이트 형상으로 자라거나 다방면으로 성장하는 형상을 가지는 Al3Zr과 유사한 형상을 가지고 있다 [42].
그림 5의 등고선도는 초음파용탕처리와 냉각속도에 따른 Al9FeNi상의 길이와 종횡비의 변화를 보여준다. Al9FeNi상은 핵생성 사이트가 존재하지 않아 초음파용탕처리에 의한 미세화 효과가 없기 때문에[3] 초음파용탕처리시 길이 및 종횡비의 빈도 변화가 거의 없었다. 반면, 4 K/s에서 32 K/s로 냉각속도를 다르게 하였을 때는 크기가 현저히 감소하였다.
그림 6에 나타낸 초음파용탕처리와 냉각속도에 따른 등 고선도에서 Al3(Cu,Ni)2 상의 경우 초음파용탕처리에 의한 미세화 효과가 있기 때문에 빠른 냉각속도와 초음파용탕처리를 하였을 때 (Al,Si)3(Zr,Ni,Fe)상과 유사한 변화 양상을 보여주었다. Al3(Cu,Ni)2 상은 초음파용탕처리시 상의 폭은 거의 변하지 않으나 핵생성으로 인하여 길이가 짧아지게 되면서 종횡비가 줄어드는 것으로 나타났다. 그러나 4 K/s에서
32 K/s로 냉각속도를 증가시키면 짧은 성장 시간으로 인하여 길이와 폭이 같이 감소하면서 종횡비는 거의 변하지 않고 미세화 된다. 또한 초음파용탕처리를
하고 32 K/s의 냉각속도를 가질 때 핵생성으로 인한 미세화 효과가 더욱 커지게 되면서 길이가 크게 감소하는 것을 확인할 수 있었다.
그림 7은 4, 32 K/s의 냉각속도에서 14S합금에 초음파용탕처리를 한 시편과 하지 않은 시편을 딥에칭한 후방 전자산란 사진이다. 그림 2, 3, 4, 5, 6에서 살펴본 바와 같이 초음파용탕처리와 32 K/s 냉각속도에서 Si 및 금속간화합물들이 미세해진 것을 볼 수 있으며, 대다수의 생성상들이 잘 연결되어
있는 것을 확인할 수 있다.
이를 조금 더 명확하게 하기 위하여 A Robo-Met 3D serial sectioning system을 사용하여 생성상의 3D image를 구축하고
이를 분석하였다 (그림 8). 그림 8에서 붉은색은 Si을 나타내고 초록색 (그림 3에서 (Al,Si)3(Zr,Ni,Fe)상)과 노란색 (그림 3에서 Al9FeNi 및 Al3(Cu,Ni)2 등)은 금속간 화합물을 나타낸다. Asghar 등[28]과 Tolnai 등[27]은 3D 미세조직에서 전체 구성상의 부피 대비 가장 큰 구성상의 부피비를 상호연결성으로 정의하였다. 이 정의에 따라 상호연결성을 구한 값을 표 3에 나타내었는데, 모든 제조조건에서 상호연결성은 99.7% 이상의 큰 값을 보였으며 또한 제조 조건에 따른 차이도 거의 없었다.
4. 육각 전단 지연 모델
기지 내부에 기지보다 경도가 큰 강화재가 존재하는 복합재에서는 재료에 인장 응력이 가해질 때 강화재와 기지간의 전단응력을 변형하여 항복응력으로 나타내는
수식을 많이 사용하는데[30-32], 그 중 Narodone과 Prewo[30]가 제안한 전단 지연 모델이 대표적이다. 그러나 이 모델은 일방향으로 배열된 장섬유를 가지는 Al 복합재의 강도를 계산하는 것이기 때문에, 금속간화합물들이
불규칙적으로 분포된 미세조직을 갖는 Al-Si 주조합금의 강도 계산에 이를 그대로 적용하는 것은 적합하지 않으며, 다성분계 AlSi 합금의 미세조직
인자를 반영할 수 있도록 모델을 변형할 필요가 있다. 앞서 살펴본 미세조직과 같이, 다성분계 Al-Si 합금에는 경도가 높은 다양한 금속간화합물이
기지에 존재하며 이들은 주로 α-Al 수지상 경계면에 존재한다.
이의 미세조직을 반영한 모식도를 그림 9에 나타내었는데, 육각형의 α-Al 셀을 기반으로 생성상들이 플레이트 형태(2D에서 직사각형)로 셀 경계면에 분포하고 있는 것으로 가정할 수 있다. 수식을 유도하기 위한 그림 9의 모식도 형상을 육각형으로 가정한 이유는 실제 Al-cell의 형상과 유사하면서 기지와 생성상의 부피분율 계산시 빈 공간이 생기지 않는 형상을 사용하고자
하였기 때문이다. 이 모식도를 바탕으로 미세조직 인자가 들어가 있는 육각 전단 지연 모델을 유도하여 고온 항복 강도를 계산하였다. 수식을 유도하기
위한 모식도 형상은 실제 α-Al 의 형상과 유사한 육각형으로 가정하였다. 또한, 표 4 [41,46]에 나타낸 바와 같이 Si 및 금속간화합물은 α-Al 매트릭스(matrix) 대비 350 °C 경도와 탄성계수 등의 특성이 현저히 높기 때문에 이들을 구별하지 않고 단일한 하나의 생성상으로 가정하고
계산하였다.
전단 지연 모델[30]을 기반으로 육각 전단 지연 모델에서 강도는 다음과 같이 유도하였다.
여기서 σc는 복합재의 항복강도이다.
σ
¯
p
와
σ
¯
m
는 각각 플레이트와 α-Al 매트릭스의 평균 항복강도를 나타내며 Vp와 Vm은 플레이트와 α-Al 매트릭스의 부피분율이다. 본 연구에서 사용된 10S와 14S합금에서 생성상들은 대부분 플레이트 형상[3]을 가지고 있다.
그렇기 때문에 그림 10같은 플레이트 (2D에서 직사각형)에 작용하는 응력을 계산하여 강도를 계산하였다. 전단 지연 모델[30]에서 플레이트에 작용하는 평균 응력
σ
¯
p
은 다음과 같다.
이 때 σi는 플레이트에 작용하는 인장 응력이며 L2 및 t는 각각 플레이트의 길이와 폭을 나타내고 s는 플레이트의 종횡비이다. 매트릭스에 작용하는 평균 응력 σm은 플레이트와 매트릭스의 계면에서 슬립이 없다고 가정하면 플레이트에 작용하는 인장응력 σi가 된다. 또한, 복합재의 항복강도 σcy를 도출하기 위하여 매트릭스가 항복강도에 도달하였을 때, 즉 σi = σmy 일 때 복합재의 항복강도가 발생한다고 가정하였다. 이러한 가정을 바탕으로 식(2)를 식 (1)에 대입하여 구성요소가 플레이트 형상을 가지는 복합재의
식으로 유도 할 수 있다. 플레이트를 구성요소로 가진 복합재의 항복강도 σcy는 다음과 같다.
합금의 생성상이 그림 10에서 나타낸 정방형의 플레이트라고 가정하면 L2 = = 2L1 = L, 그리고 s = L/t이다. 이 때 식(3)은 다음과 같이 유도된다.
여기서 합금의 부피 분율 Vm + VP = 1 이다.
유도된 식(5)는 정방형의 플레이트를 가지는 복합재의 항복강도를 계산하는 식이다. 따라서 정방형의 플레이트를 가지는 복합재의 Vp를 육각형셀에 금속간화합물이 존재하는 Vp로 변환하여야 한다. 그림 9에 나타낸 육각모델의 Vp는 다음과 같다.
여기서
A
c
e
l
l
=
3
3
(
1
/
2
·
l
c
e
l
l
)
2
/
2
은 한 면이 1/2·lcell인 육각형의 면적이고, Ap = 3Lt은 육각형에 포함 된 직사각형 모양의 금속간화합물의 면적이다. 식 (6)은 다음과 같이 계산된다.
식 (7)을 식(5)에 대입하면
식 (8)에서 L/lcell을 α로 정의하면 육각 전단 지연 모델로 유도되는 합금의 항복강도는 다음의 식 (9)와 같다.
육각 전단 지연 모델에서 L은 고온안정상인 플레이트의 길이이다. lcel은 육각셀의 마주보는 꼭지점을 잇는 대각선의 길이이며 그림 9에서 Al-셀의 크기를 의미한다. Al-셀의 크기 lcell은 미세조직에서의 α-Al 수지상의 크기를 의미하며 Al-Si 합금 미세조직의 SDAS (secondary dendrite arm spacing)로 정의하였다. σcy 와 σmy 는 각각 합금의 항복강도와 α-Al 매트릭스의 항복강도이다. 또한, s=L/t이며 고온안정상의 종횡비이다. 여기서, t는 상의 평균 두께이다.
5. 고 찰
5.1 육각 전단 지연 모델 기반 고온강도 해석
결과에서 서술하였듯이 초음파용탕처리시 10S와 14S합금에서 고온강도의 변화는 서로 다른 경향을 보여주고 있다. 이 결과는 초음파용탕처리에 의해 생성상의
크기, 종횡비 및 분율 등과 같은 미세조직적 인자의 변화에 따라 고온 강도와 연관성이 있는 생성상의 상호연결성이 달라지는데 기인하는 것으로 판단된다.
Asghar 등[28]과 Tolnai 등[27]은 3D 미세조직에서의 상호연결성과 생성상의 형상 인자인 구형화 정도를 결부하여 고온강도를 해석하였다. 그들은 동일한 합금에서 용체화처리 조건을
달리하거나 또는 동일한 합금계에서 합금원소의 첨가량을 달리하여 생성상의 크기나 부피분율에 큰 차이를 보이는 합금에서 3D 미세조직에서의 상호연결성
변화와 고온 강도의 변화가 거시적으로 잘 일치하는 것으로 보고하였다. 그러나 본 연구에서 사용한 14S 또는 10S합금의 경우 초음파용탕처리나 냉각속도
변화에 따라 고온안정상의 크기나 종횡비에 변화를 보였으나 부피분율은 거의 변하지 않았고 또한 3D 미세조직에서의 상호연결성은 크게 변하지 않았기 때문에,
Asghar 등[28]과 Tolnai 등[27]이 사용한 상호연결성으로 고온강도의 변화를 해석하기에는 어려움이 있는 것으로 판단된다. 그래서 본 고찰에서는 일반적으로 널리 사용되는 전단 지연
모델을 Al-Si계 주조 합금의 2D 미세조직에 적합하게 변형시킨 육각 전단 지연 모델을 사용하여 생성상들의 상호연결성을 분석하고, 합금의 제조 조건에
따른 고온 강도 변화를 해석하고자 하였다.
육각 전단 지연 모델을 사용하여 식 (9)에서 고온안정상의 평균 길이와 평균 두께, Al-셀 크기 및 매트릭스의 고온 강도를 알 수 있다면 고온 항복
강도를 구할 수 있다. 10S와 14S 합금에서 계산된 항복강도와 실제 측정된 350°C에서의 고온 항복강도를 비교하여 그림 11에 나타내었다. 식 (9)를 사용하여 계산된 고온항복강도값은 측정된 값과 비교적 잘 일치하는 것을 볼 수 있다. 고온 항복강도 계산시에 사용한 미세조직적
인자는 인장시험편의 미세조직을 관찰하여 측정한 것으로 이 값들을 표 5에 나타내었다. 표 5에 표기된 lcell, L, t 및 s는 합금에 존재하는 모든 고온안정상들의 평균값이며, α는 측정된 평균값을 사용하여 구하였다. 또한 Vp는 Si과 금속간화합물의 전체 부피분율의 합이다. 고온 항복강도 계산 시 σmy의 값은 26 MPa로 하였다 [45].
5.2 육각 전단 지연 모델에서 상호연결성
Al-Si 주조 합금에서 고온 강도는 생성상의 분율 증가에 의한 생성상의 상호연결성 증가에 기인하는 것으로 보고되고 있다[10]. Tolnai 등[27]은 3D 미세조직에서 생성상의 상호연결성을 생성상의 전체 부피 대비 최대 크기를 갖는 생성상의 부피비로 정의하였다. 이 정의를 2-D 미세조직을
사용한 육각 전단 지연 모델에서는 동일하게 사용할 수 없으며, 본 연구에서는 식(9)의 인자인 α를 상호연결성 지수로 사용하였다. α는 L/lcell로 Al-셀 크기 (SDAS)대비 이의 변에 존재하는 고온안정상의 크기 비로, 이 값이 클수록 고온안정상의 연결 정도가 커진다고 볼 수 있다. 그림 9의 모식도를 참고하였을 때 L ≥ 1/2·lcell 의 조건에서 육각형의 변에 위치한 고온안정상들이 연결될 수 있는 것을 볼 수 있다. 즉, 육각 전단 지연 모델에서 미세조직에서 상들이 떨어지지 않고
연결될 수 있는 최소연결성은 α = 0.5 일 때이며, 연결성을 가질 수 있는 조건인 α≥0.5가 되려면 lcell이 감소하거나 L 이 증가하여 L ≥ 1 2 lcell의 조건을 만족하여야 한다.
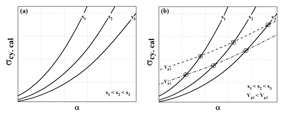
그림 12는 식 (9)를 사용하여 임의의 α와 s에서 이들의 변화에 따른 강도 변화를 나타낸 그림으로, 생성상이 Al-셀 주위에 균일하게 분포하고 있는 이상적인 조직을 가정하여 구한 것이다.
그림 12(a)의 그래프에서 s가 일정할 때 α가 커지면 σcy는 증가하며, α가 일정할 때 s가 커지면 σcy는 감소하게 된다. 식 (9)에 따르면, 직관적으로 α가 커지거나 또는 s가 커지면 σcy는 증가할 것으로 예상할 수 있는데, s가 커질 때 σcy는 반대로 감소하는 것을 알 수 있다. 이는 α와 s가 L을 매개로 서로 연동되는 값이기 때문이다. 생성상의 분율 Vp는 합금을 제조할 때 첨가되는 원소의 양으로 결정이 되고 제조된 합금은 일정한 Vp를 가지고 있다. 따라서 일정한 Vp를 가지는 조건에서 σcy의 변화를 살펴 보았다. 그림 12(b)는 일정한 Vp에서 α와 s의 변화에 따라 계산된 σcy를 나타낸 그래프이다. 합금의 Vp가 일정할 때 고온안정상들이 특정 s를 가지게 되면 α가 결정되고 σcy의 값이 정해지게 된다. 여기서 Vp가 Vp1 또는 Vp2 등으로 일정할 때 s가 커지면 α도 동시에 커지게 되어 σcy가 증가한다. 따라서, 육각 전단 지연 모델에서 유도된 식(9)는 상호연결성 측면에서 직관적으로 얻어지는 바를 잘 반영하는 것으로 판단된다.
5.3 미세조직 변화와 상호연결성
10S와 14S 합금에서 초음파용탕처리와 냉각속도 증가는 합금의 미세조직을 미세화시킬 수 있다. 그러나 초음파용탕처리와 냉각속도는 미세조직을 미세화시킬
때 서로 다른 경향성을 보여준다. 앞서 서론에서 언급하였듯이 합금의 고온강도는 고온안정상들의 상호연결성에 영향을 받으며 상호연결성은 고온안정상들간의
연결된 정도이다. 그렇기 때문에 초음파용탕처리와 냉각속도에 의하여 달라지는 미세화 경향성은 상호연결성에 다른 영향을 줄 것이고 이는 서로 다른 고온강도변화를
나타낼 것이다.
초음파용탕처리와 냉각속도에 의한 미세화 경향과 상호연결성변화를 보여주는 모식도를 그림 13에 나타내었다.이 모식도는 그림 2, 3 및 4, 5, 6에서 보여준 금속간화합물, 초정Si 및 α-Al의 초음파용탕처리와 냉각속도에 의한 미세화 경향을 바탕으로 그렸다. 그림 13에서 육각형은 Al-셀을 나타내고 초록색 직사각형과 붉은색 빗금이 쳐진 직사각형은 금속간화합물을 나타낸다. 그리고 붉은색으로 빗금친 육각형은 초정Si을
나타낸다. 10S와 14S 합금의 미세화 경향에 따른 연결성은 모식도에서 나타낸 것과 같이 아무 처리 하지 않은 합금에서는 상들의 크기가 크기 때문에
Al-셀을 둘러 싸고 있는 상들이 모두 연결되어 있다. 하지만 초음파처리를 하였을 때 Al-셀은 줄어들지 않고 금속간화합물들과 초정Si의 크기가 감소하면서
상들이 연결되지 않고 떨어지게 된다. 또한 증가된 냉각속도에서는 금속간화합물, 초정Si 및 Al-셀의 크기가 모두 감소하면서 연결성이 유지될 수 있다.
초음파용탕처리와 냉각속도의 증가가 동시에 적용 되었을 때 금속간화합물과 초정 Si이 더 크게 미세화 된다. 하지만, 금속간화합물과 초정Si가 미세화된
만큼 Al-셀도 감소하기 때문에 연결성이 무너지지 않고 유지될 수 있다.
14S의 경우 그림 13의 모식도를 참고하였을 때 초음파용탕처리에 의한 고온안정상들의 미세화가 일어났다. 그러나 고온안정상들의 상호연결성이 유지될 수 있는 강도 상승에 적합한
미세조직의 개선이 이루어졌기 때문에 강도가 상승하였다. 반면 10S의 경우 초음파용탕처리를 적용하여 고온안정상들이 미세화되었을 때 고온안정상들의 상호연결성이
유지가 되지 않기 때문에 강도가 감소한 것으로 해석할 수 있다.
이에 대하여 10S 합금에서 상호연결성이 유지 되지 않는 이유를 그림 14에 나타내었다. 그림 14(a)는 고온안정상의 분율 Vp와 s에 따른 α값의 등고선을 나타낸 그림으로, 그림 9의 모식도에서 고온안정상이 Al-셀의 각 변에 균일하게 분포되어 있는 이상적인 미세조직을 가정하여 계산한 것이다. 포인트들은 실측된 Vp와 s값 (표 5)을 등고선 상에 표시하여 나타낸 것이다. 14S의 경우 L/lcell로 계산된 α 값은 0.7~0.8 (표 5)이지만, - s 선도 상에서는 이보다 낮은 0.5~0.6 정도의 값을 보였다. 또한, 10S의 경우 계산된 α 값은 0.6~0.7 (표 5)로 최소연결성(α = 0.5)을 넘어서 있지만, - s 선도 상에서는 이보다 낮은 0.4~0.45 정도의 값을 보이며 최소연결성을 만족하지 못할 가능성을 시사하고
있다. 이와 같은 차이는 강도를 계산할 때 생성상의 평균값을 미세조직 인자로 사용한 것에 기인하는 것으로 판단된다. 즉, 많은 개수를 가지고 있지만
초음파용탕처리로 미세화되지 않는 상들(Al9FeNi, 공정Si)에 의하여 L의 평균값이 상대적으로 과대평가되어 나타난 결과이다. 그림 14(b, c)는 그림 2(a, b)에서 노란색으로 표시된 사각형 점선 부분을 확대한 사진이다. 그림 14(b, c)에 나타나 있는 10S와 14S의 미세조직에서 반투명한 노란선으로 표시된 고온안정상들을 볼 때 14S의 경우 Al-셀 주위를 고온안정상들이 대부분
메우고 있다. 그러나 10S의 경우 Al-셀 주위에 고온안정상들이 많이 비어있는 것을 볼 수 있다.
이와 같은 α 값의 유도 방식에 따른 차이에도 불구하고, 14S 합금의 경우 최소연결성 (α = 0.5)을 넘어선 α 값을 보였다. 즉, 14S는 생성상의 부피분율이 충분하여 고온안정상들이 서로 잘 연결된 조직을 가지고 있다는 것이다. 그러나 10S의 경우 Vp - s 선도에서 구한 α 값은 최소연결성을 만족시키지 못하고 있으며, 이는 모든 고온안정상들이 완벽하게 연결되어 있지는 않다는 것을 의미한다. 즉, 10S에 초음파용탕처리를
하였을 때 lcell은 감소하지 않고 고온안정상들의 길이가 줄어드는데, 상호연결성을 유지하는데 필요한 고온안정상의 부피분율이 충분하지 않아, 고온 항복강도가 감소하게
된 것으로 분석된다.
실제 얻어지는 미세조직은 이상적인 형태의 미세조직과는 차이가 있다. 따라서, 강도 변화 해석시 그림 14에 나타낸 바와 같이 최소연결성(α)뿐만 아니라 부피분율(Vp)을 동시에 고려해야 할 것으로 판단된다.
5.4 육각 전단 지연 모델의 개선 방안
그림 11에서 보여주었듯이 육각 전단 지연 모델은 측정값과 계산값이 비교적 잘 일치하지만, 전체적으로 계산값이 실측값보다는 다소 낮은 값을 보여주고 있다.
이것은 본 모델이 2D미세조직을 사용하여 고온 항복강도 계산값을 구할 수 있도록 설계되었으며, 식을 유도할 때 고려하지 않은 몇가지 사항으로 인하여
생기는 차이로 판단되며 정확한 계산을 위해서 향후 다음의 사항을 고려해야 할 것으로 판단된다.
첫번째로 본 연구에서 유도한 육각 전단 지연 모델에서는 금속간화합물들의 배열 방향에 따른 응력을 고려하지 않았다. 두번째, 350 °C에서 고온안정상들은
α-Al 매트릭스에 비하여 상당히 큰 경도와 탄성계수 특성을 가지고 있다. 그렇기 때문에 본 연구에서는 식 (9)를 유도하는 과정에서 단일 특성을 갖는
강화상이 존재하는 것으로 가정하여 계산하였다. 세번째로 인접한 고온안정상들 간의 상호작용을 고려하지 않고 고온안정상들의 상호연결성에 중점을 두고 분석을
하였다. 네번째로 기지 합금의 강도(σmy)이다. 본 연구에서 사용한 합금에는 Si, Cu 및 Mg 등이 첨가원소로 포함되어 있기 때문에 조대한 석출물들이 분산 강화를 줄 수 있을 것으로
판단된다. 하지만 본 연구에서는 이의 효과를 고려하지 않았다. 다섯번째, 강도를 계산할 때 생성상의 평균값을 미세조직 인자로 사용하였다. 그러나 초음파용탕처리로
미세화되지 않는 상들(Al9FeNi, 공정Si)에 의하여 전체 평균값이 생성상의 미세화 경향을 뚜렷하게 반영하지 못하는 문제가 있다.
위와 같이 고려되지 않은 인자의 영향으로 육각 전단 지연 모델로 계산된 강도가 실제 측정된 강도보다 조금 낮게 계산되는 것으로 판단되며 향후 상기
사항을 반영하여 모델을 개선해 나가야할 것으로 판단된다. 그럼에도 불구하고 육각 전단 지연 모델은 2D의 미세조직 인자 및 매트릭스의 강도를 사용하여
고온에서의 강도를 비교적 용이하게 예측할 수 있는 것으로 판단된다.
6. 결 론
생성상의 부피분율을 달리한 두 종류의 Al-Si-Cu-Ni계 다성분계 주조재 합금에서 초음파 용탕 처리 및 냉각속도에 변화를 준 시편에 대하여 주요
생성상인 금속간화합물을 중심으로 미세조직을 관찰하고 350°C에서 고온 인장시험을 실시하여 다음과 같은 결론을 얻었다.
(1) Al-Si-Cu-Ni계 다성분계 합금의 미세조직에는 초정 및 공정 Si, (Al,Si)3(Zr,Ni,Fe), Al9FeNi과 Al3(Cu,Ni)2 등의 금속간화합물이 존재하였으며, 초음파용탕처리나 냉각 속도에 따라 각 상들의 크기 및 종횡비 변화가 달랐다. 초음파용탕처리에 의하여 미세화 효과가
있는 (Al,Si)3(Ni,Zr,Fe)과 Al3(CuNi)2상은 크기와 종횡비가 달라지고, 미세화 효과가 없는 Al9FeNi상은 크기나 종횡비의 변화가 없었으며, 냉각속도를 4 K/s에서 32 K/s로 증가 시켰을 때 모든 금속간화합물, Si 및 Al-셀 등이 형상에
변화가 없이 미세화되었다.
(2) 약 30% 정도로 높은 생성상의 부피분율을 갖는 14S합금에서는 초음파용탕처리를 하였을 때 4, 32 K/s의 냉각속도에서 350 °C 고온강도가
증가하였으며, 약 18% 정도로 낮은 생성상의 부피분율을 갖는 10S합금에서는 350 °C 고온강도가 감소하였다.
(3) 다성분계 Al-Si합금의 미세조직적 특징을 반영하여 전단 지연 모델을 변형시킨 육각 전단 지연 모델을 만들고 이를 기반으로 2D의 미세조직적
인자를 사용하여 고온강도를 계산하였는데, 예측치는 실측치와 비교적 잘 일치하였다. 육각 전단 지연 모델에서 고온 강도는 생성상의 상호연결성 및 전체
부피분율에 영향을 받았다.
Acknowledgements
본 연구는 산업통상자원부 산업기술혁신사업 (과제번호 20012145), 민군겸용기술개발사업 (과제번호 21-CM-EC-08)의 지원으로 수행되었으며,
이에 감사드립니다.
REFERENCES
Haque M. M., Sharif A., J. Mater. Process. Technol,118, 67 (2001)

Jung J. -G., Ahn T. -Y., Cho Y. -H., Kim S. -H., Lee J. -M., Acta Mater,144, 31 (2018)

Jo M. -S., Cho Y. -H., Lee J. -M., Kim S. -B., Kang J. -Y., Jung J. -G., Jang J. -i.,
Materialia,16, 101070 (2021)

Belov N. A., Eskin D. G., Avxentieva N. N., Acta Mater,53, 4709 (2005)

Gao T., Zhu X., Sun Q., Liu X., J. Alloys Compd,567, 82 (2013)

Knipling K. E., Dunand D. C., Seidman D. N., Acta Mater,56, 114 (2008)

Yang Y., Yu K., Li Y., Zhao D., Liu X., Mater. Des,33, 220 (2012)

Li Y., Yang Y., Wu Y., Wang L., Liu X., Mater. Sci. Eng. A,527, 7132 (2010)

Kasprzak W., Amirkhiz B. S., Niewczas M., J. Alloys Compd,595, 67 (2014)

Asghar Z., Requena G., Degischer H. P., Cloetens P., Acta Mater,57, 4125 (2009)

Haque M. M., Maleque M. A., J Mater Process Technol,300, 122 (1998)

L Tian., Y Guo., J Li., F Xia., M Liang., Y Bai., Materials,11, 1230 (2018)

Q Wang., H Geng., S Zhang., H Jiang., M Zuo., Metall Mater Trans A,45, 1621 (2014)

Yoon J. -H., Cho Y. -H., Jung J. -G., Lee J. -M., Park I. -M., Korean J. Met. Mater,55,
396 (2017)

Zhang Y., Jie J., Gao Y., Lu Y., Li T., Intermetallics,42, 120 (2013)

Kim S. -B., Cho Y. -H., Jung J. -G., Yoon W. -H., Lee Y. -K., Lee J. -M., Met. Mater.
Int,24, 1376 (2018)

Kim S. -B., Cho Y. -H., Lee J. -M., Jung J. -G., Lee Y. -K., Metall Mater Trans A,50,
1534 (2019)

Eskin G. I., ordon and Breach Science Publishers (1998)
Puga H., Carneiro V. H., Met. Mater. Int,27, 3195 (2020)

Jung J. -G., Lee S. -H., Cho Y. -H., Yoon W. -H., Ahn T. -Y., Ahn Y. -S., Lee J. -M.,
J. Alloys Compd,712, 277 (2017)

Lin C., Wu S., Lü S., An P., Wan L., J. Alloys Compd,568, 42 (2013)

Sha M., Wu S., Wan L., Mater. Sci. Eng. A,554, 142 (2012)

Jung J. -G., Lee S. -H., Lee J. -M., Cho Y. -H., Kim S. -H., Yoon W. -H., Mater. Sci.
Eng. A,669, 187 (2016)

Kruglova A., Engstler M., Gaiselmann G., Stenzel O., Schmidt V., Roland M., Diebels
S., Mücklich F., Comput. Mater. Sci,120, 99 (2016)

Gang H., Weizheng Z., Guohua Z., Zengjian F., Yanjun W., Mater. Sci. Eng. A,633, 161
(2015)

Requena G., Garcés G., Asghar Z., Marks E., Staron P., Cloetens P., Adv Eng Mater,13,
674 (2011)

Tolnai D., Requena G., Cloetens P., Lendvai J., Degischer H. P., Mater. Sci. Eng.
A,585, 480 (2013)

Asghar Z., Requena G., Boller E., Acta Mater,59, 6420 (2011)

Stadler F., Antrekowitsch H., Fragner W., Kaufmann H., Uggowitzer P. J., Int. J. Cast
Met. Res,25, 215 (2013)

Narodone V. C., Prewo K. M., Scr. Metall,20, 43 (1986)

Jiang Z. H., Lian J. S., Yang D. Z., Dong S. L., J Mater Sci Technol,14, 516 (1998)

Ryu H. J., Cha S. I., Hong S. H., J. Mater. Res,18, 2851 (2003)

Kotha S. P., Kotha S., Guzelsu N., Compos Sci Technol,60, 2147 (2000)

Hanifeh R., Fattahi A.M., Mech. Based Des. Struct. Mach,50, 2569 (2020)

Friend C. M., J. Mater. Sci,22, 3005 (1987)

Friend C. M., Scr. Mater,23, 33 (1989)

Akbulut H., Durman M., Mater. Sci. Eng. A,262, 214 (1999)

Shin S. E., Ko Y. J., Bae D. H., Compos. B. Eng,106, 66 (2016)

Warmuzek M., J. Alloys Compd,604, 245 (2014)

Jung S. B., Minamino Y., Yamane T., Saji S., J Mater Sci Lett,12, 1684 (1993)

Jo M. -S., Cho Y. -H., Lee J. -M., Kim S. -H., Kang J. -Y., Jung J. -G., Kim S. -B.,
Jang J. -i., Intermetallics,117, 106667 (2020)

Wang F., Eskin D., Connolley T., Mi J. -W., T NONFERR METAL SOC,27, 977 (2017)

Tolnai D., Requena G., Cloetens P., Lendvai J., Degischer H. P., Mater. Sci. Eng.
A,585, 480 (2013)

Asghar Z., Requena G., Boller E., Acta Mater,59, 6420 (2011)

Cho Y. -H., alloys The Effect of alloying elements on the formation of intermetallic
compounds mechanical properties of Al-12Si cast, Seoul National University (2008)
Chen C. L., Richter A., Thomson R. C., Intermetallics,18, 499 (2010)

Figures and Tables
Fig. 1.
The increment of yield strength by UST with cooling rate.
Fig. 2.
Optical micrographs showing the microstructures of the (a, c) 10S and (b, d) 14S:
(a, b) without UST and (c, d) with UST (cooling rate = 4 K/s).
Fig. 3.
BSE images showing the microstructures of the (a, c) 10S and (b, d) 14S: (a, b) without
UST and (c, d) with UST (cooling rate = 4 K/s).
Fig. 4.
The contour map for the distribution of size and aspect ratio of (Al,Si)3(Zr,Ni,Fe) phase in the alloy 14S solidified at cooling rates of (a,b) 4 K/s and (c,
d) 32 K/s: (a, c) without UST and (b, d) with UST.
Fig. 5.
The contour map for the distribution of size and aspect ratio of Al9FeNi phases in
the alloy 14S solidified at cooling rates of (a,b) 4 K/s and (c, d) 32 K/s: (a, c)
without UST and (b, d) with UST.
Fig. 6.
The contour map for the distribution of size and aspect ratio of Al3(Cu,Ni)2 phases in the alloy 14S solidified at cooling rates of (a,b) 4 K/s and (c, d) 32
K/s: (a, c) without UST and (b, d) with UST.
Fig. 7.
BSE images of the deep etched samples showing all the intermetallic phases and their
network structures of the 14S alloys solidified at cooling rates of (a, b) 4 K/sec
and (c, d) 32 K/sec: (a, c) without UST and (b, d) with UST.
Fig. 8.
3D reconstructed images of the 14S alloys solidified at cooling rates of (a, b) 4
K/sec and (c, d) 32 K/sec: (a, c) without UST and (b, d) with UST.
Fig. 9.
Representative of the hexagonal unit cell.
Fig. 10.
Schematic diagram of the stress acting at the end in the square plate.
Fig. 11.
Comparisons of the measured yield strength of the alloys with the calculated one.
Fig. 12.
Variation of calculated yield strength with the change of α and s : (a) the change of strength with α and s with variable volume fraction, (b) the change of strength with α and s at a fixed volume fraction.
Fig. 13.
Schematic diagram showing the changes of microstructural features with UST and/or
cooling rate.
Fig. 14.
(a) The contour map of α with Vp and s when the phases are ideally located in the Al-cell shown in Fig. 5, and the marked points are measured value corresponding to Vp and s of 10S and 14S alloys, (b) enlarged view of Fig. 2(a), and (c) enlarged view of Fig. 2(b).
Table 1.
Chemical composition of the alloys used in the investigation (wt.%)
|
Alloy
|
Si
|
Cu
|
Ni
|
Mg
|
Fe
|
Mn
|
Ti/V/Zr
|
P
|
Al
|
|
14S
|
14.61
|
3.00
|
4.50
|
0.52
|
0.40
|
0.19
|
0.40 max.
|
0.004
|
bal.
|
|
10S
|
10.03
|
4.66
|
2.85
|
0.65
|
0.41
|
0.22
|
0.40 max.
|
0.004
|
bal.
|
Table 2.
Tensile properties of the alloys at 350 °C
|
Alloy
|
Cooling rate (K/s)
|
|
UTS (MPa)
|
YS (MPa)
|
El (%)
|
|
14S
|
4
|
without UST
|
72.5 ± 2.1
|
46.3 ± 1.6
|
5.9 ± 0.3
|
|
32
|
81.0 ± 4.3
|
48.6 ± 1.4
|
5.4 ± 1.9
|
|
4
|
with UST
|
73.2 ± 0.1
|
46.4 ± 0.8
|
5.9 ± 0.1
|
|
32
|
82.9 ± 0.2
|
49.7 ± 0.3
|
6.9 ± 1.1
|
|
10S
|
4
|
without UST
|
65.6 ± 0.4
|
41.8 ± 0.1
|
15.9 ± 3.2
|
|
32
|
72.6 ± 0.3
|
44.9 ± 0.3
|
16.5 ± 1.5
|
|
4
|
with UST
|
61.5 ± 1.8
|
38.7 ± 1.4
|
16.8 ± 1.4
|
|
32
|
68.3 ± 1.3
|
42.2 ± 0.9
|
16.7 ± 0.9
|
Table 3.
Interconnectivity of 14S alloys obtained by the 3D reconstructed images.
|
Alloy
|
Cooling rate (K/s)
|
UST
|
Interconnectivity (%)
|
|
14S
|
4
|
without UST
|
99.74
|
|
32
|
99.87
|
|
4
|
With UST
|
99.87
|
|
32
|
99.88
|
Table 4.
Hardness and reduced modulus of the phases measured by nano-indentation at 350 °C
[41, 46]
|
Phases
|
Aluminum
|
Silicon
|
(Al,Si)3(Ni,Zr,Fe)
|
Al9FeNi
|
Al3(CuNi)2 |
|
Hardness (GPa)
|
0.2 ± 0.1
|
10.7 ± 0.5
|
9.7 ± 1.6
|
9.7± 1.6
|
6.7
|
|
Reduced modulus (GPa)
|
72.0 ± 38.2
|
184.7 ± 8.9
|
215.2 ± 28.5
|
180.5 ± 34.7
|
-
|
Table 5.
Microstructural features analyzed on the 10S and 14S alloys with and without UST at
cooling rates of 4 and 32 K/s.
|
|
Cooling rate (K/s)
|
lcell (μm)
|
L (μm)
|
t (μm)
|
s
|
α
|
Vp (%)
|
|
14S
|
without UST
|
4
|
29.4
|
22.0
|
5.4
|
4.42
|
0.75
|
34.9
|
|
32
|
16.3
|
12.2
|
2.7
|
4.90
|
0.75
|
28.4
|
|
with UST
|
4
|
30.1
|
21.8
|
5.9
|
4.14
|
0.72
|
30.0
|
|
32
|
15.0
|
11.9
|
3.0
|
4.28
|
0.79
|
31.7
|
|
10S
|
without UST
|
4
|
37.3
|
21.5
|
5.3
|
4.42
|
0.58
|
17.8
|
|
32
|
24.4
|
16.1
|
3.5
|
5.14
|
0.66
|
18.4
|
|
with UST
|
4
|
35.2
|
20.8
|
4.1
|
5.52
|
0.59
|
17.1
|
|
32
|
21.0
|
13.6
|
3.1
|
4.82
|
0.65
|
16.9
|