(Won-Sang Shin)
1
(Yoon-Jun Kim)
1*
Copyright © 2023 The Korean Institute of Metals and Materials
Key words(Korean)
aging heat treatment, cast aluminum, atom probe tomography, precipitation, clustering
1. INTRODUCTION
A356 cast aluminum alloys are widely used in the automotive and aerospace industries
because of their ease of fabrication and processing, high strength, high rigidity,
and light weight [1,2]. Various studies of the A356 alloy have been performed to make the alloys exhibit
favorable mechanical properties, for industrial applications [3-5].
The shape and size of microstructures, such as precipitates, grains, and dendrites,
observed on the micrometer scale, are known to affect the mechanical properties of
alloys [1,6-8]. The A356 cast aluminum alloy (Al: 7 at.% Si: 0.3 at.% Mg) depends on the high Si
content to control the shape of the eutectic, precipitate, and other intermetallic
compounds [1, 9, 10]. In general, aging treatments produce coherent metastable Guinier–Preston (GP) zones
[11-15], followed by transformation into metastable semi-coherent precipitates [16]. In other articles, the precipitation sequence of the Al-Mg-Si alloys (6xxx) series
(similar to the A356 alloy’s composition) has been proposed as follows:
Solid Solution (SS) Al → Clusters of Si → GP-I → GP-II + β″ → β′ → β (Mg 2 Si) [17–21].
In addition, the precipitation sequence of wrought Al-Mg-Si alloys containing excess
Si has been proposed as follows:
Supersaturated SS (SSS) Al→ (Mg+Si) co-clusters or (plate-like/spherical) GP-I → β″
or GP-II (needles) → β′ (rods) + Si + others → β (Mg 2 Si) plates + Si [22].
Accordingly, the alloy comprising Al-Mg-Si forms clusters of Si or co-clusters of
(Mg+Si). to produce a fine eutectic morphology that provides high strength and fatigue
resistance in A356 alloys, known as precipitation alloys, it is necessary to understanding
how to form Si clusters that are soluble in the α-matrix. Studies on the formation
behavior of precipitates and clusters for various aging heat-treatment temperature
conditions have been conducted, to understand the correlation between microstructural
evolution and mechanical properties [11,13,23,24]. Typically, the Al-Mg-Si alloy (6xxx) series has been subjected to an aging heat-treatment
at a temperature of about 150-200 °C, and a lot of research has already been done
on this [1]. In addition, automotive aluminum wheels, made of A356 alloy, are usually cast followed
by aging heat-treatment at a temperature of 140 °C or higher [25]. However, analyses of the aging heat-treatment results at a relatively low temperature
(less than 140 °C) are currently lacking. In spite of the fact that age-heat treatment
at low temperature (less than 140 °C) should be crucial to suppress GP zone formation
and cluster growth and results in other aspects of precipitate formation, few studies
has been carried out.
The typical cluster size is a few nanometers or less, making characterization challenging,
however atom probe tomography (APT) can provide nano- or subnanoscale cluster information
(e.g., size, distribution, and composition) and three-dimensional (3D) chemical and
spatial information [26,27]. In addition, APT can provide useful information, such as the semiconductor bandgap
and chemical mixing at the interface, and various analysis methods have been studied
on various materials [26,28-30].
Moreover, APT raw data can be further analyzed using the well-known maximum separation
algorithm for 3D coordinate information, and time-of-flight data to define and characterize
clusters. The input parameters required for this algorithm (e.g., dmax and Nmin) need to be carefully selected for agglomerated Mg and Si ions in an α-aluminum matrix
and then, can be quantitatively analyzed, determining their size distributions and
average sizes [17]. Clustering information can also be correlated with the age-hardening process of
the A356 alloy, including types of clusters such as GP-zone Si-clusters, and (Mg+Si)
co-clusters formed in α-aluminum solid solution prior t°Commencing the age hardening
sequence.
In this study, the precipitates and clusters of A356 alloy fabricated with two aging
heat-treatment temperatures (110 °C and 130 °C) were analyzed using microscopy and
APT analysis methods. Finally, the size, distribution, and composition of precipitates
and clusters according to the aging treatment temperature were obtained and compared.
Outcomes from this study can be considered to have a meaningful effect on studies
to determine the aging heat-treatment temperature of A356 alloy, considering the behavior
of precipitates and clusters.
2. EXPERIMENTAL
2.1. Sample Preparation
The A356 alloy in this study was prepared using the gravity casting method (Fig 1). First, molten metal with the composition shown in Table 1 is poured into the mold. The dimensions of the mold are displayed at the bottom of
Fig 1. The injection temperature of the molten metal was 720 °C, and the mold was preheated
to 400 °C to prevent it from splashing. The inside of the mold was degassed to reduce
defects during injection, and the process was performed in an Ar atmosphere. The solution
treatment temperature was maintained at 540 °C for 195 min, and the first aging treatment
was conducted at 110 °C and 130 °C for 120 min. Finally, each specimen was heat treated
at 180 °C for 30 min for the second aging. For the classification of each sample,
the samples were labeled 110A (at 110 °C) and 130A (at 130 °C) according to the aging
heat-treatment temperature.
2.2 Mechanical Properties
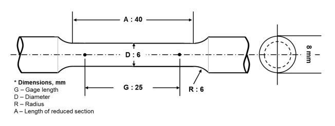
Figure 2 illustrates the shape of the tensile test specimen (dimensions: gauge length = 25
mm, diameter = 6 mm, radius = 6 mm, and length of the reduced section = 40 mm). Each
sample was machined into a rod-shaped test specimen to measure their mechanical strength.
The test specimen geometry and testing parameters followed the ASTM E8/E8M standard.
A tensile testing machine (AGS-X; Shimadzu) was used to measure the tensile strength
at a crosshead speed of 10 mm/min, and the average value and standard error were obtained
by testing 10 times.
2.3 Microscopy
To observe the microstructure of the A356 alloy via optical microscopy (OM), scanning
electron microscopy (SEM), and transmission electron microscopy (TEM), the specimens
were polished using sandpaper grit #200 to #2000 and mirror-polished with a 0.04 micro
silica colloidal suspension. For basic observation, the dendrites formed by eutectic
Si and the precipitates were observed using OM (AX10, ZEISS). The composition of each
precipitate was analyzed through a secondary image and electron dispersive spectroscopy
(EDS) mapping of SEM (S-4300SE, Hitachi).
Information at the nanoscale was obtained via TEM (JEM-ARM200F, JEOL). The TEM specimens
were fabricated using the conventional lift-out technique with a dual-beam focused
ion beam (FIB; FEI Helios, FEI). The sample transferred to the finish was milled thinner
by alternating back and forth with an ion beam acceleration voltage of 30 kV and a
current of 0.92 nA down to 28 pA. The TEM samples were obtained from eutectic Si and
precipitate with an Al matrix at the 110A surface, respectively (Fig 3a and 3b). The locations where the TEM sample was taken are marked with a yellow rectangle.
2.4 Atom Probe Tomography (APT)
Nanoscale particle-like clusters and precipitates can be analyzed using analytical
instruments, such as TEM or APT. However, a 3D analysis by TEM is not easy compared
with APT and analyzing composition at a subnanometer size is difficult. Therefore,
in this study, the nanoscale microstructure analysis of the A356 alloy was conducted
using APT to investigate the effect of cluster and precipitate characteristics on
the mechanical properties according to the aging heat-treatment temperature.
To make the APT specimen a cylindrical shape with a diameter of 1 mm and a height
of 3 cm was machined utilizing an electric discharge machine, and electro-polishing
was performed to reduce the tip radius of the specimen to a subnanometer size using
an electro-polisher [31]. Electro-polishing was conducted at DC 1-6 V with 0.286% to 0.375% solution using
6% perchloric acid and 99.9% methyl alcohol [32]. The tip size was about 400 nm, as depicted in Fig 3c on the left. Due to difficulty etching high Si in the Al matrix, a final tip sharpening
stage was added using FIB milling. The final FIB milling was conducted at 2 to 5 kV.
As a result of the fine-milling of each specimen through FIB, the tip radius was less
than 50 nm (Fig 3c; right). The APT analysis was conducted using the APT microscopes (LEAP 4000-XHR
and EIKOS, Cameca) with a 0.15 V pulse fraction at a specimen base temperature of
50K. The detection rate was 0.4, and the specimen voltage was 500 V. The pulse rate
was 100 kHz in an ultrahigh vacuum (UHV < 10-10 Torr). The clusters in the reconstructed nanotips were also identified using the
cluster analysis module equipped with the IVAS software package (v. 3.6.14).
A partial radial distribution function (PRDF) represents the average 3D concentration
distribution of specified atoms that form clusters around a given solute species [33,34]. Therefore, the PRDF is primarily used as an indicator of which elements are distributed
around the designated atom. As APT has a spatial resolution corresponding to the nearest-neighbor
(NN) interatomic distance, the PRDF information includes the measurement of the ordering
phenomena [33,35,36].
When the calculated PRDF has a value of unity, a random radial distribution occurs,
indicating that the surrounding atoms are randomly distributed. A value greater than
unity implies that a corresponding solute atom is a significant first NN of a designated
atom. A PRDF can be calculated using Eq. (1):
where r denotes the average concentration distribution of component i around a given solute species X,
<
C
i
X
(
r
)
>
is the normalized overall concentration of i atoms,
C
i
0
,
N
i
k
(
r
)
represents the number of i atoms in a radial shell around the kth X atom centered at r,
N
t
o
t
k
(
r
)
indicates the total number of atoms in the shell, and Nx denotes the number of X atoms in the volume.
In general, two steps are required for cluster analysis: extracting (or defining the
clusters) and characterization of the 3D reconstructed clusters. Various methods have
been used to define clusters from APT data [17,31,37], including composition frequency distributions [38-40], proximity histograms [41], PRDFs [36,42], statistical nearest-neighbor analyses [43], and Delaunay tessellations [44]. Numerous algorithms have been developed for Al and some steel alloy systems to
characterize clusters [17,20,45-47]. Among the reported algorithms, the maximum separation method is the most reliable
for describing the clusters detected using APT [17].
The double maximum separation method described above requires five parameters, Norder, dmax, Nmin, L, and derosion, to be defined, along with the ions considered to be the real ‘cluster ions.’ The
first three parameters assign the minimum number of individual ions that can become
a single cluster. First, Norder is the minimum number of solute ions considered to be a unit of clustered ions. Second,
dmax is the maximum separation distance between ions within a cluster. Third, Nmin is the minimum number of ions comprising a cluster. Although a random solid solution
may contain some solute ions within dmax, the finding frequency rapidly decreases with an increase in cluster size in the
randomized ionic configuration. Therefore, Nmin is the point where solute pairing is not observable within the random distribution.
The latter two parameters define the boundary that separates the clusters. The envelopment
parameter, L, ensures a realistic cluster shape and size by adding unclustered solute ions within
the Nmin distance. Thus, those ions consist of minor cluster elements. Because the envelopment
parameter, L, affects the proportion of unclustered solute ions, some hollow regions may form
if the value of L is too small. Such a parameter involves only the composition and number of ions but
is not used for finding clustered ions in the Al matrix. Finally, the erosion parameter,
derosion, removes surface ions in the cluster; thus, cluster ions closest to the matrix ions
are excluded from the cluster analysis and aid in correctly identifying cluster ions
[17]. Clusters were formed via IVAS software by setting appropriate values (Norder = 8, dmax = 0.71, Nmin = 10, L = 0.35, and derosion = 0.35).
3. RESULTS AND DISCUSSION
3.1 Mechanical Properties
The stress versus strain curves for the tensile test results of the 110A and 130A
specimens are shown in Fig 4. In the case of the 110A specimen, the tensile test was approximately 15-20 MPa higher
than that of the 130A specimen, and the elongation increased significantly, by more
than 3%. The average values and standard deviations of a total of seven test results
were entered into a Table 2. The tensile strength was 279.059 MPa at 110A and 265.894 MPa at 130A. The yield
strength and elongation of 110A were 205.586 MPa and 9.498%, respectively, which was
higher than for 130A (202.539 MPa and 6.842%). Therefore, when the aging heat-treatment
temperature was 110 °C, the mechanical properties were improved compared to 130 °C.
Better understanding of the difference in mechanical properties of the two samples
was obtained through microstructural analysis using OM, SEM, TEM, and APT.
3.2 Microstructure
Figure 5 illustrates the surface of the A356 alloy, with a mirror surface formed by polishing,
using OM and SEM. In the OM image of both samples (Fig 5a and 5b), eutectic Si (dark gray) was formed as a precipitated phase along the Al dendrite
structure in the Al matrix (light gray). At 110A (Fig 5a), long needle-shaped precipitates (yellow circles) were also formed, but at 130A
(Fig 5b), precipitates other than eutectic Si were not confirmed. At a higher magnification
image through SEM, other types of precipitates than needle-like precipitates were
found in the 110A (Fig 5c) and 130A (Fig 5d) samples. Yellow circles indicate the locations of the precipitates.
In addition, SEM-EDS and TEM-EDS mapping were performed to compare the precipitate
compositions (Fig 6). The composition of each precipitate in the cross-marked area is displayed along
with the overall composition. In the 110A, irregularly shaped precipitates (Fig 6a) were found around eutectic Si, an 11.7 Fe–15.48 Si–2.97 Mn (wt.%) precipitate, and
EDS mapping revealed that Fe and Mn were distributed at the location of the precipitate.
As confirmed by OM (Fig 5a), other precipitates of 110A, which were needle-shaped (Fig 6b), were also confirmed around the eutectic Si. The size of this 27.02 Ti–9.66 Si (wt.%)
precipitate is several tens of μm larger than that of the Fe-Si-Mn precipitate. In
130A (Fig 6c), only the precipitate comprising 17.24 Fe–8.23 Si–5.51 Mn (wt.%) was confirmed [25].
The TEM-EDS and images of the precipitates (eutectic Si and the long Ti-Si precipitate)
are illustrated in Fig 7. The Ti atoms were not distributed around the eutectic Si (Fig 7a). The needle-like long precipitate (Fig 7b) was primarily composed of Ti atoms, and some Si atoms were also present. In Fig 7c and 7d are TEM images at the interface of each precipitate. At the interface between eutectic
Si and Al matrix (Fig 7c), Si is precipitated through a eutectic reaction in the Al matrix, so the interface
is over 10 nm, and a low angle boundary is formed. In contrast, in the Ti-Si precipitate
(Fig 7d), a high angle boundary of about 72° is formed with the Al matrix, forming a very
thin interface in the atomic unit. The lattice parameters (Fig 7e) of the matrix and precipitate were 0.14 and 0.44 nm, and classified as Al and Ti2Si, respectively. The diffraction pattern of the precipitates is the [011] zone axis
for Si and the [32
3
¯
] zone axis for Ti2Si. The Ti2Si belonging to the F
4
¯
3 m space group symmetry was confirmed.
3.3 Atom Probe Tomographic Analysis
Figure 8 presents the 3D reconstruction from the APT analysis for the proxigram analysis of
110A. Obtaining a proxigram from the APT analysis is an intuitive way of effectively
demonstrating the element distribution and behavior of the distance around the formed
interface. The interface was taken as an isosurface with a concentration of 5.0 wt.%
Ti. The matrix is primarily comprised of Al atoms, and the precipitates constitute
the Ti2Si composition, as in the TEM analysis result (Fig 7e). In addition, the interface thickness between the matrix and precipitate was very
thin, in subnanometer units, and no segregated atoms were found at the interface.
Moreover, there was no Ti-Si precipitate in 130A.
The PRDF calculations of the major components of both A356 samples, such as Al, Si,
Mg, Ti, and Mn, were performed to determine which alloying elements influenced their
clustering during the manufacturing process. Figure 9 depicts the PRDF as a function of the radial distance from the Si, Mg, Ti, and Mn
atoms as the center (or origin) positions. In Fig 9a, the PRDF results of 110A for the Ti, Mg, and Mn atoms, have a normalized concentration
of about 2.0 at.% around the center of the Si atom. The Mg atom self-assembles with
a normalized concentration of 5 at.%, and there is little affinity with atoms other
than the Si atom.
The Ti atoms demonstrated a powerful tendency to gather together with a normalized
concentration of 10 at.%, and the Mn, Si, and Mg atoms were also close to the center.
The Mn atoms formed a normalized concentration of 4 at.% of Mn at about 0.4 nm, a
bit far from where the Ti atom was gathered. Even at 130A (Fig 9b), the PRDF trends of Si and Mg atoms are similar to those of 110A. However, the tendency
of the Ti atoms to gather around the Ti atom was significantly reduced, and it was
confirmed that the Mn atoms gathered together with a normalized concentration of 10
at.%.
In conclusion, the distribution behavior around specific atoms, such as Ti and Mn,
differed between 110A and 130A, which is similar to the microstructure analysis results,
where the Ti-Si precipitate was observed in 110A, but any Ti-related precipitates
were not found in 130A. Therefore, the aging heat-treatment temperature affects the
behavior of atoms, suggesting that the temperature should be carefully considered
when designing the process steps for aluminum alloys.
Figure 10 displays the results of reconstruction by forming clusters within each sample. Most
clusters had various compositions of Si-Si, Al-Si, Mg-Si, and Al-Mg-Si, and in some
cases, other atoms, such as Ti or Mn, were additionally included. The number of clusters
of 110A (Fig 10a) was greater than for 130A (Fig 10b), and the size was also relatively smaller. For each sample, clusters were extracted
from a total of four APT samples, and the information for each cluster was gained
and listed in Table 3.
Within the analysis size of approximately 20 × 20 × 70 nm3, 68.33 and 54.66 clusters were found in 110A and 130A, respectively. The cluster
radius was created by assuming the cluster was spherical and obtained through the
measured volume. The volume and radius of the 110A clusters were 2.5700 nm3 and 0.7899 nm, respectively, smaller than those of the 130A clusters (volume = 5.1594
nm3, radius = 0.9711 nm). Each standard deviation was also relatively large in 130A,
indicating that the size of the 130A cluster was not constant.
Regarding the number of ions composing the cluster, 110A had 29.9954 (smaller than
38.3125 for 130A), and it was confirmed that a larger number of clusters was formed
at 1.8326×1024 (#/m3). The edge-to-edge interprecipitate spacing, λe-e, was calculated based on the Delaunay tetrahedron [44], where the points of the triangles are the center coordination of each cluster.
The λe-e measured using the above method was about 1.7046 nm at 110A and about 2.3430 nm at
130A. This indicates that clusters were located more closely in 110A. When the aging
temperature is 130 °C, it is possible to predict that phenomena such as the coarsening
effect, like Oswald Ripening or compositional structural changes, have occurred due
to the decrease in the number density and the increase in the volume of the individual
cluster. The behavior of these clusters is a vital cause of the formation of high
mechanical properties following aging heat treatment at 110 °C.
4. CONCLUSIONS
Aluminum alloy is well known to be an age hardening alloy, and such phases as precipitates
and clusters have a meaningful influence on mechanical properties in the alloy. Analyzing
the mechanical properties after various aging heat treatments at 110 o C and 130 °C
confirmed better properties at 110 °C.
SEM, TEM, and APT methods were used to understand this outcome, and the following
two differences were identified between the two samples (110A and 130A). First, at
110A, the Ti2Si precipitate with a cubic crystal structure of the F
4
¯
3m space group was confirmed. Second, the number of clusters was higher in the specimens
subjected to aging heat treatment at 110 °C, and the size was smaller.
Acknowledgements
This work was supported by Inha University research grant.
REFERENCES
Davis J. R., Aluminum and aluminum alloys,ASM international (1993)

Fine M. E., Metall. Trans. A,6, 625 (1975)

Ma Z. Y., Sharma S. R., Mishra R. S., Metall. Mater. Trans. A,37, 3323 (2006)

Mazahery A., Abdizadeh H., Baharvandi H. R., Mater. Sci. Eng. A,518, 61 (2009)

Zhang L. Y., Jiang Y. H., Ma Z., Shan S. F., Jia Y. Z., Fan C. Z., Wang W. K., J.
Mater. Process. Technol,207, 107 (2008)

Verhoeven J. D., Sons John Wiley &, Fundamentals of physical metallurgy,John Wiley
& Sons (1975)

Choi S., Kim G., Kim J. P., Kim S. H., Son S. B., Lee S. -J., Korean J. Met. Mater,59,
515 (2021)

Baek M. -S., Kang T. -H., Kim J. -H., Park J. -P., Euh K. J., Lee K. -A., Korean J.
Met. Mater,60, 360 (2022)

Sjölander E., Seifeddine S., J. Mater. Process. Technol,210, 1249 (2010)

Manickaraj J., Liu G., Shankar S., Int. J. Met,5, 17 (2011)

Park J. K., Ardell A. J., Mater. Sci. Eng. A,114, 197 (1989)

Berg L. K., Gjønnes J., Hansen V., Li X. Z., Knutson-Wedel M., Waterloo G., Schryvers
D., Wallenberg L. R., Acta Mater,49, 3443 (2001)

Richard D., Adler P. N., Metall. Trans. A,8, 1177 (1977)

Adler P. N., DeIasi R., Metall. Trans. A,8, 1185 (1977)

Ran G., Zhou J. E., Wang Q. G., J. Mater. Process. Technol,207, 46 (2008)

Zhao Y. H., Liao X. Z., Zhu Y. T., Valiev R. Z., J. Mater. Res,20, 288 (2005)

Marquis E. A., Hyde J. M., Mater. Sci. Eng. R Rep,69, 37 (2010)

Dutta I., Allen S. M., J. Mater. Sci. Lett,10, 323 (1991)

Zandbergen M. W., Xu Q., Cerezo A., Smith G. D. W., Acta Mater,101, 136 (2015)

Vaumousse D., Cerezo A., Warren P. J., Ultramicroscopy,95, 215 (2003)

Murayama M., Hono K., Acta Mater,47, 1537 (1999)

Chomsaeng N., Haruta M., Chairuangsri T., Kurata H., Isoda S., Shiojiri M., J. Alloys
Compd,496, 478 (2010)

Chen H., Yang B., Mater. Trans,49, 2912 (2008)

Abdulwahab M., Madugu I. A., Yaro S. A., Hassan S. B., Popoola A. P. I., Mater. Des,32,
1159 (2011)

Yu J. H., Kim S. W., Son H. W., Kim Y.-J., Shin Y. C., Lim S. S., Choi H. J., Kim
Y. S., Shin K. D., Han K. K., Jung T. K., Hyun S. K., J. Nanosci. Nanotechnol,19,
1704 (2019)

Miller M. K., Forbes R. G., Mater. Charact,60, 461 (2009)

Geiser B. P., Kelly T. F., Larson D. J., Schneir J., Roberts J. P., https://doi.org/10.1017/S1431927607070948,
Microsc. Microanal,13, 437 (2007)

Agrawal R., Bernal R. A., Isheim D., Espinosa H. D., J. Phys. Chem. C,115, 17688 (2011)

Dmitrieva O., Ponge D., Inden G., Millán J., Choi P., Sietsma J., Raabe D., Acta Mater,59,
364 (2011)

Kelly T. F., Larson D. J., Thompson K., Alvis R. L., Bunton J. H., Olson J. D., Gorman
B. P., Annu. Rev. Mater. Res,37, 681 (2007)

Miller M. K., Atom Probe Tomography: Analysis as the Atomic Level,Springer (2000)

Gault B., Moody M. P., Cairney J. M., Ringer S. P., Atom Probe Microscopy,Springer
(2012)

Shin W.-S., Baik S.-I., Seidman D. N., Lee K.-A., Park C., Kim Y.-J., Acta Mater,225,
117589 (2022)

Sudbrack C. K., Noebe R. D., Seidman D. N., Phys. Rev. B,73, 212101 (2006)

Brandes M. C., Kovarik L., Miller M. K., Mills M. J., J. Mater. Sci,47, 3913 (2012)

Geuser F. de, Lefebvre W., Blavette D., Philos. Mag. Lett,86, 227 (2006)

Miller M. K., Cerezo A., Hetherington M. G., Smith G. D. W., Atom-Probe Field Microscopy,Clarendon
Press (1996)

Camus E., Abromeit C., J. Appl. Phys,75, 2373 (1994)

Moody M. P., Stephenson L. T., Liddicoat P. v., Ringer S. P., Microsc. Res. Tech,70,
258 (2007)

Moody M. P., Stephenson L. T., Ceguerra A. v., Ringer S. P., Microsc. Res. Tech,71,
542 (2008)

Hellman O. C., Vandenbroucke J. A., Rüsing J., Isheim D., Seidman D.N., Microsc. Microanal,6,
437 (2000)

Kim Y.-J., Zhao L.-D., Kanatzidis M. G., Seidman D. N., ACS Appl. Mater. Interfaces,9,
21791 (2017)

Philippe T., Geuser F. de, Duguay S., Lefebvre W., Cojocaru-Mirédin O., Costa G. da,
Blavette D., Ultramicroscopy,109, 1304 (2009)

Lefebvre W., Philippe T., Vurpillot F., Ultramicroscopy,111, 200 (2011)

Stephenson L. T., Moody M. P., Liddicoat P. V., Ringer S. P., Microsc. Microanal,13,
448 (2007)

Kolli R. P., Seidman D. N., Microsc. Microanal,13, 272 (2007)

Lefebvre W., Danoix F., Costa G. da, Geuser F. de, Hallem H., Deschamps A., Dumont
M., Surf. Interface Anal,39, 206 (2007)

Figures and Tables
Fig. 1.
Testing material casting process and shape and dimensions of the Y-block.
Fig. 2.
Schematic diagram of the tensile test specimen.
Fig. 3.
Sampling results of (a) eutectic Si, (b) Ti-Si precipitate, and (c) electro-polished
A356 alloy through FIB fine-milling.
Fig. 4.
Stress-strain curve of 110A and 130A
Fig. 5.
Low-magnification OM images of (a) 110A and (b) 130A, and high-magnification OM images
of (c) 110A and (d) 130A.
Fig. 6.
SEM images and SEM-EDS analysis: (a) Fe-Mn related precipitate of 110A, (b) Ti-Si-related
precipitate of 110A, and (c) Fe-Mn related precipitate of 130A.
Fig. 7.
TEM analysis of 110A: TEM-EDS analysis of (a) eutectic Si and (b) Ti-Si-related precipitate.
TEM images of interface between the matrix and (c) eutectic Si and (d) Ti-Si-related
precipitate. (e) High-resolution TEM image and (f) index of the diffraction pattern
of the Ti-Si precipitate.
Fig. 8.
Three-dimensional reconstruction and proxigram of each element according to the isosurface
distance of the Ti atom of 110A.
Fig. 9.
The PRDF for (a) 110A and (b) 130A.
Fig. 10.
Reconstruction of clusters in (a) 110A and (b) 130A.
Table 1.
Composition of the A356 alloy sample (unit: at.%)
|
|
Al
|
Si
|
Fe
|
Cu
|
Mn
|
Mg
|
Ti
|
Sr
|
Sn
|
|
A356 alloy
|
92.52
|
6.76
|
0.09
|
0.001
|
0.04
|
0.36
|
0.12
|
0.01
|
<0.001
|
Table 2.
Mechanical properties of the A356 alloy sample *( ) : Standard deviation
|
Aging temperature (°C)
|
Tensile strength (MPa)
|
Yield strength (MPa)
|
Elongation (%)
|
|
110
|
279.059 (7.4)
|
205.586 (15.306)
|
9.498 (1.627)
|
|
130
|
265.894 (6.532)
|
202.539 (4.799)
|
6.842 (1.884)
|
Table 3.
|
|
110A
|
130A
|
|
Average number of observed clusters
|
68.33
|
54.66
|
|
Average cluster volume (nm3)
|
2.5700 (±2.2819)
|
5.1594 (±6.4104)
|
|
Average cluster radius (nm)
|
0.7899 (±0.1989)
|
0.9711 (±0.2995)
|
|
Average number of ions forming a cluster
|
29.9954
|
38.3125
|
|
Number of clusters/density (#/m3)
|
1.8326 × 1024 |
1.4530 × 1024 |
|
Average edge-to-edge interprecipitate spacing (λe-e, nm)
|
1.7046
|
2.343
|