The Journal of
the Korean Society on Water Environment

The Journal of
the Korean Society on Water Environment

Bimonthly
  • ISSN : 2289-0971 (Print)
  • ISSN : 2289-098X (Online)
  • KCI Accredited Journal

Editorial Office





Hydroxyapatite (HAP), Livestock wastewater, Magnesium Ammonium Phosphate (MAP), Magnesium Potassium Phosphate (KMP)

1. Introduction

인은 인류 생존을 위해 반드시 필요한 물질이지만 사용된 후, 적절히 처리되지 못하고 배출되면 여러 가지 환경 문제를 일으키는 물질이기도 하다. 인은 주로 인광석에서 얻어지는데 대체물질이 없는 고갈자원으로 농업용 비료의 원료로 가장 많이 사용된다(Jasinski, 2015). 현재 세계 인 소비량은 P2O5 기준으로 연간 약 4천만톤에 이르지만 중금속이나 방사능 물질의 함유량이 적어 경제성이 높은 인광석 매장량은 약 180억톤에 불과하다.

향후 세계 인 소비량은 개발도상국의 인구증가로 크게 증가할 것으로 예상된다. 그러나 인광석 생산량은 한정된 고품질의 인광석 매장량 때문에 2030년경에 최대치에 도달한 후, 급속히 감소할 것으로 전망된다. 이 시점을 피크인(Peak phosphorus)이라고 하며, 이후에는 인광석 수요와 공급의 심각한 불균형으로 큰 폭의 가격상승이 예상된다고 보고된 바 있다(Cordell et al., 2009).

우리나라는 인광석이 생산되지 않아 전량 수입에 의존하고 있다. 2013년도 인광석 수입량은 53만톤으로 수입액은 약 9백억원에 이른다(KITA, 2015). 이외에도 인은 비료, 곡물, 식료품, 사료 등과 같은 다양한 형태로 수입된다. 이렇게 수입된 인은 사용된 후, 일부가 하수와 함께 공공하수 처리장으로 배출되어 생물학적 고도처리시설에서 처리된다. 이 과정에서 인은 혐기성 소화조의 관거와 슬러지 탈수기 등에 스케일 문제를 일으켜 하수처리장의 운영비를 크게 증가시키는 것으로 알려져 있다(Hagino et al., 2014).

2013년 기준으로 국내 연간 하수 발생량은 55억톤으로 하수에 포함된 인 농도가 약 5 mg-P/L인 점을 감안하면 하수와 함께 버려지는 인은 연간 2만8천톤에 이를 것으로 추정된다(MOE, 2014). 이를 인광석(P2O5 기준으로 30%의 인 함유율)으로 환산하면 연간 수입량의 약 40%에 해당한다. 따라서 적절한 방법으로 인을 회수하여 재활용할 수 있다면 공공하수처리장의 운영비 절감 및 인광석의 수입대체 효과가 클 것으로 기대된다. 그러나 국내에는 인 회수를 위한 시설의 도입 사례는 아직 없는 실정이다.

현재 국내 ‧ 외에서 개발된 인 회수 기술은 다양한데 대표적으로 결정화법, 흡착법, 환원 용융법 등이 있다. 결정화법은 Mg2+ 혹은 Ca2+과 같은 2가 금속을 인산염(PO43-)과 반응시켜 회수하고, 흡착법은 활성탄과 같은 흡착제에 인산염을 흡착시켜 회수한다. 환원 용융법은 슬러지 소각재에 2가 금속을 첨가해 환원 용융시켜 회수한다. 이중에서 생물학적 고도처리시설에서는 결정화법이 기술적으로나 경제적으로 가장 적합한 것으로 알려져 있다. 이 방법은 인산염 농도가 높은 혐기성 소화액이나 탈리여액을 대상으로 하는데 MAP (Magnesium Ammonium Phosphate) 혹은 HAP (Hydroxyapatite) 결정체로 회수한다.

이에 본 연구에서는 생물학적 축산폐수처리시설에서 MAP 결정화 방법을 이용한 인과 질소의 동시 회수 및 이 기술을 통해 회수한 결정체의 재활용 가능성을 알아보았다. 이를 위해 회분식 인 결정화 반응조를 운전하였고, 이 기간 동안 얻은 MAP 결정체의 총인, 총질소 및 중금속 함량과 X선 회절분석 및 X선 분광분석 결과를 이용하여 논의 하였다.

2. Materials and Methods

2.1. 인 회수시설의 운전

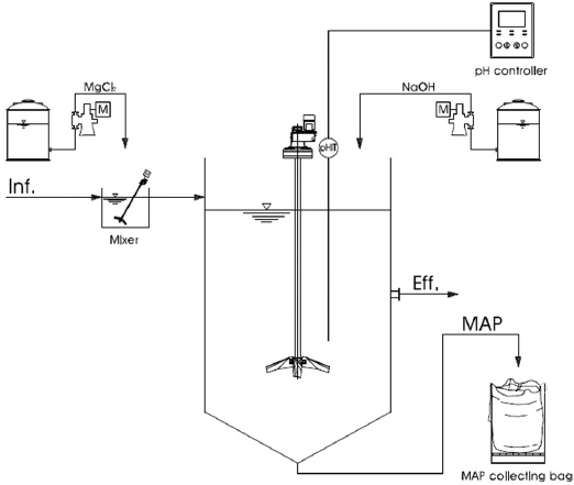
시설용량 일일 10톤 규모의 회분식 인 회수시설을 Fig. 1과 같이 나주시에 위치한 축산폐수처리장 내에 설치하여 약 2개월간 운전하였다. 이 처리장은 무산소조 및 호기조로 구성된 MLE (Modified Ludzack-Ettinger) 공정으로 생물학적 처리수는 나주하수종말처리장에 유입되어 합병 처리된다. 이 MLE 공정은 생물학적으로 호기조에서 암모니아를 질산염으로 산화시킨 후, 무산소조에서 질소가스로 환원시켜 제거하는 특징을 가지고 있어 총질소 제거율이 높다. 그러나 생물학적 총인 제거능력에는 한계가 있어 본 처리장에서는 호기조 후단의 막분리 시설에 철염을 투입하여 유출수의 총인 농도를 낮게 유지하고 있다.

Fig. 1.

Schematic diagram of phosphorus recovery system.

../../Resources/kswe/32-4/images/SJBJB8_2016_v32n4_343_f001.jpg

그러나 이와 같이 화학적 총인 처리에 의해 유출수의 인산염 농도가 낮을 경우, MAP 결정화법을 이용한 인 회수가 기술적으로 어렵고 경제성도 낮다. 이에 본 연구에서는 철염에 의한 총인 제거효과를 최소화시켜 높은 농도의 인산염을 함유한 생물학적 처리수를 얻기 위해 슬러지 반송을 24시간 동안 중지시킨 후, 호기조의 부유성 고형물을 침전시켜 얻은 상등액을 이용하였다. 또한, 상등액의 정기적 수질분석을 통해 인산염과 암모니아 농도가 각각 100 mg-P/L과 45 mg-N/L 이상이 되도록 염화암모늄(NH4Cl)과 제일인산칼륨(KH2PO4)을 이용하여 조정하였다.

인 회수시설은 회분식으로 운전하였는데 유입 15분, 결정화 반응 60분, 침전 30분, 배출 15분 등 총 2시간을 1 사이클로 하였으며, 1일 총 4사이클로 운전하였다. 사이클 초기 유입수의 인과 마그네슘의 몰비는 1:1.1가 되도록 염화마그네슘 용액을 주입하였고, 인 결정체의 성장반응이 진행될 수 있도록 pH 콘트롤러를 사용하여 pH 8.5에서 운전하였다. 인 결정화 반응이 끝난 후에는 성장한 인 결정체를 30분간 침전시킨 후, 일부는 반응기 하부로 배출시켜 회수하고 나머지는 인 결정체의 성장에 씨드 역할을 할 수 있도록 남겨 두었다.

2.2. 물리 ‧ 화학적 분석

회수한 인 결정체가 어떠한 물질이며, 인과 질소가 어느정도 함유되어 있는지를 알아보기 위해 총인, 총질소 및 중금속 함량을 비료의 품질검사방법 및 시료채취기준(농촌진흥청고시 제2013-29호)에 기초하여 분석하였다. 한편, 인 결정체의 구조는 X선 회절분석(X-Ray Diffraction, XRD) (New D8-Advance, Bruker-AXS)를 통해 얻은 분석결과를 JCPDS (Joint Committee on Powder Diffraction Standards)의 PDF (Powder Diffraction File) 데이터와 비교 ‧ 분석하여 인 결정체가 어떠한 물질인지 정성분석을 실시하였다. 인 결정체의 성분은 X선 분광분석기(Energy Dispersive X-ray Spectrometer, EDS)가 부착된 전자현미경(Scanning Electron Microscopy, SEM) (JSM-6490N, Jeol)을 이용하여 분석하였다. 그 외에 인 결정체 반응이 끝난 후, 배출되는 처리수의 총인 농도는 Standard methods (APHA, AWWA, and AWEF, 1989)에 기초하여 분석하였다.

한편, MAP 결정화 과정에서 인 결정체의 입자가 어떻게 성장하는지를 알아보기 위해 회분식 인 회수시설의 스타트업과 동시에 생성된 첫 번째 사이클의 결정체와 다섯 번째 사이클에서 생성된 결정체를 채취하여 디지털 이미지 촬영기(AM423, Dino-Lite)가 부착된 광학 현미경(MT4310H, Meiji) 을 이용하여 관찰 ‧ 분석하였다.

3. Results and Discussion

3.1. 인 결정화 시설의 인 제거능력

회분식 인 결정화 반응조의 유입수 및 처리수를 분석한 결과, 93% 이상의 인 제거율을 얻을 수 있었다. 이는 MLE 공정의 생물학적 처리과정에서 충분히 제거되지 못하고 처리수에 남아 있던 인산염 대부분이 암모니아 및 마그네슘과 반응하여 Fig. 2에 나타낸 것과 같이 MAP로 결정화되어 제거되었기 때문으로 판단된다.

Fig. 2.

MAP crystals recovered from biological livestock wastewater treatment plant.

../../Resources/kswe/32-4/images/SJBJB8_2016_v32n4_343_f002.jpg

일반적으로 하수나 축산폐수와 함께 배출되는 인은 처리과정에서 여러 가지 문제들을 일으킨다. 특히, 질소 제거에 특화된 생물학적 MLE 공정이 도입된 처리시설에서는 더욱 심각한데 이는 처리수 배출기준을 만족시킬 수 있는 충분한 총인 제거가 어렵기 때문이다. 이를 보완하기 위해 총인 처리시설을 도입하여 화학적 방법으로 총인을 제거하고 있으나 슬러지의 대량 발생으로 약품 및 매립비용이 크게 증가한다. 더욱이 혐기성 소화조가 설치되어 있는 처리시설에서는 잉여 슬러지의 소화과정에서 생성된 MAP 결정체가 열교환 장치나 주변 관거 혹은 탈수기 등에 스케일 문제를 유발하여 처리장 운영비도 크게 증가한다.

그러나 이와 같은 문제점들은 인 회수시설의 도입을 통해 개선할 수 있고, 더욱이 회수한 인을 재활용하여 부가가치 창출도 가능하다. 일례로 생물학적 고도처리시설의 반류수에서 인산염을 MAP 결정체로 회수할 경우, 탈수케익 처리비용 20%, 총인설비 약품비용 75%, 탈수기 스케일 대책비용 65%의 운영비 절감이 가능한데 시설용량 10만톤 규모의 하수처리장 절감액은 연간 약 5억원에 이르는 것으로 알려져 있다(Hagino et al., 2014). 이외에도 회수한 인의 부가가치까지 고려하면 인 회수시설의 도입에 따른 경제적 효과는 더욱 클 것으로 생각된다.

따라서 인 회수시설의 도입을 통해 지금까지 제거 대상으로 인식되어 왔던 인을 질소와 함께 회수하여 재활용할 수 있게 되면 생물학적 축산페수처리시설의 총인 처리효율 개선 및 운영비 절감 효과와 함께 부가가치 창출을 동시에 실현할 수 있을 것으로 판단된다.

3.2. 인 결정체의 형성 및 성장

회분식 인 회수시설의 운전기간 동안 MAP 결정체가 어떻게 성장하는지를 관찰하기 위해 첫 번째와 다섯 번째 사이클에서 회수한 결정체를 광학 현미경으로 관찰 ‧ 분석하였다. 그 결과를 Fig. 3에 나타냈는데 반응시간 경과에 따라 MAP 결정체의 성장이 관찰되었다. 첫 번째 사이클에서 생성된 결정체의 길이는 Fig. 3(a)와 같이 약 40 μm, 폭은 약 5 μm으로 원기둥과 같은 형태를 갖추고 있었다. 이 결정체는 사이클 횟수가 증가함에 따라 길이와 폭이 점점 성장하여 다섯 번째 사이클에서는 2배 이상 성장하여 길이가 Fig. 3(b)와 같이 약 80 μm, 폭이 약 10 μm에 이르렀다. 따라서 MAP 결정체는 반응시간과 비례하여 성장하는 것으로 나타났다. 그러나 다섯 번째 사이클에서도 첫 번째 사이클에서와 같이 작은 결정체도 관찰되었는데 이는 pH 8.5의 운전조건에서 준안정지대(Metastable zone)의 결정체 성장 반응뿐만 아니라 불안정지대(Unstable zone)의 미세 결정체 생성 반응이 동시에 이루어졌기 때문으로 판단된다. 일반적으로 미세 결정체의 형성은 불안정지대에서 이루어지고, 성장은 준안정지대에서 가능한 것으로 알려져 있다(Zoltek, 1974). 따라서 본 연구에서 미세 결정체의 형성과 성장이 동시에 관찰된 것은 회분식 반응조의 특성상 pH가 일정하게 운전되더라도 반응시간에 따라 인의 농도가 낮아지면서 운전조건이 초기 불안정지대에서 과포화도곡선(Supersolubility curve)을 지나 준안정지대로 이동했기 때문으로 판단된다. 즉, 운전초기에는 불안정지대가 만들어져 미세 결정체가 생성되나 인 농도가 낮아지면서 준안정지대가 형성되어 미세 결정체의 성장이 이루어진 것으로 판단된다.

Fig. 3.

Microscopic images of MAP crystals recovered in (a) the 1st and (b) the 5th cycles.

../../Resources/kswe/32-4/images/SJBJB8_2016_v32n4_343_f003.jpg

한편, 회수한 MAP 결정체의 정량분석 결과를 Table 1에 나타내었는데 총인 및 총질소의 함량은 각각 약 26.2%와 4.0%에 이르는 것으로 나타났다. 이 함량은 공공하수처리장이나 분뇨 혹은 축산폐수처리장에서 상업적으로 인 회수에 성공한 국외의 경우와 유사하였다. 그 외에 아연과 크롬, 티탄 등의 중금속이 검출되었지만 함량은 비료관리법의 유기질 비료 중금속 함유 허용기준을 크게 밑도는 것으로 나타났다. 따라서 본 연구를 통해 축산폐수처리시설에서 회수한 인 결정체는 중금속 정제과정이나 그 밖의 다른 가공 과정 없이 비료나 비료원료로 사용될 수 있을 것으로 판단된다.

Table 1.

Contents of TN, TP and heavy metals

../../Resources/kswe/32-4/images/SJBJB8_2016_v32n4_343_t001.jpg

1) Sample obtained after 5 cycles

2) Korean standards for heavy metal in organic fertilizer

3) as P2O5

3.3. 인 결정체의 구조

회분식 인 회수시설을 통해 얻은 결정체가 MAP인지를 확인하기 위해 X선 회절분석을 실시하였다. 그 결과를 JCPDS의 PDF 데이터와 비교 ‧ 분석한 결과, Fig. 4에 나타낸 것과 같이 MAP로 확인되었는데 MAP 결정체에서 관찰된 조대 피크의 위치(2θ)가 표준 MAP (PDF 01-071-2089)의 것과 정확히 일치하였다. 그러나 MAP 결정체 시료의 스펙트럼에서 관찰된 상대적 강도(Relative intensity)가 가장 큰 피크(Fig. 4(a)의 삼각표시)의 위치가 표준 MAP (Fig. 4(b)의 삼각표시) 것과는 서로 다른 것으로 나타났다. 표준 MAP에서는 2θ값이 20.84에서 가장 큰 강도의 피크가 관찰된 반면 시료에서는 33.29에서 관찰되었다. 더욱이 표준 MAP에서 관찰되지 않은 피크들도 일부 관찰되었다.

Fig. 4.

XRD patterns of (a) MAP sample and (b) PDF 01-071-2089.

../../Resources/kswe/32-4/images/SJBJB8_2016_v32n4_343_f004.jpg

이와 같은 결과의 원인은 정확히 알 수 없지만 우선 MAP 결정체의 회수과정에서 소량의 슬러지나 유기물이 함께 회수되었기 때문으로 생각된다. 일례로 생물학적 고도처리시설에서 관찰되는 폴리인산축적미생물의 경우, 인산염을 방출하거나 폴리인산으로 축적하는 과정에서 K+, Mg2+ 및 Ca2+이 중요하게 관여하는 것으로 알려져 있다(Imai et al., 1988; WEF, 2006). 따라서 다른 미생물과 비교해 폴리인산과 함께 이들 물질의 화합물이 높은 비율로 세포 내에 존재할 수 있다.

한편, MAP 결정화 과정에서 다른 결정체도 일부 생성되었기 때문으로 생각된다. Fig. 5에 나타낸 것과 같이 SEM-EDS를 이용하여 MAP 결정체의 표면을 분석한 결과에서 P와 Mg 이외에도 K와 Ca도 함께 검출되었다. 이와 같은 결과는 K+와 Ca2+이 PO43-과 결합하여 KMgPO4‧6H2O (Potassium magnesium phosphate, KMP)나 Ca5(PO4)3OH (Hydroxyapatite, HAP)와 같은 물질로 결정화되어 MAP 결정체와 함께 공존하기 때문으로 판단된다. 축산폐수의 화학적 성상은 가축의 종류, 사료의 종류 및 양, 축사의 구조 및 관리방법에 따라 다양하지만 돈사폐수의 경우에는 수용성 K+가 0.59%, Ca2+이 0.02% 정도 포함되어 있는 것으로 알려져 있다. 따라서 MAP 결정화 과정에서 이와 유사한 구조를 가지는 KMP 결정체가 생성될 수 있다. 일반적으로 서로 다른 3개의 결정축이 직교하는 사방정계(Orthorhomic system) 결정구조를 가지는 MAP 결정체는 일반적으로 1가 이온인 NH4+와 2가 이온인 Mg2+ 그리고 PO43-이 결합된 구조를 가진다. 그러나 칼륨이 존재하는 환경에서는 1가 이온인 K+이 NH4+를 대체하여 KMP을 생성하는 것으로 알려져 있다(Chauhan et al., 2011, Wilsenach et al., 2007). 또한 칼슘도 적정 pH 운전조건에서는 PO43-과 반응하여 CaHPO4‧2H2O(Brushite), CaHPO4(Monetite), Ca3(PO4)2‧H2O(Amorphous calcium phosphate), Ca5(PO4)3OH(HAP), Ca3(PO4)2(Whitlockite) 등을 생성하는 것으로 알려져 있다(Santinelli et al., 2013). 따라서 생물학적 축산폐수처리시설에서 회수된 MAP 결정체의 조성은 폐수의 특성에 따라 크게 다양할 것으로 판단된다.

Fig. 5.

SEM image (a) and EDS spectrum (b) of MAP crystals.

../../Resources/kswe/32-4/images/SJBJB8_2016_v32n4_343_f005.jpg

결국, 회수한 MAP 결정체의 총질소가 이론적 함량인 5.7% 보다 30% 작은 4.0%를 나타낸 반면 총인은 이론적 함량인 28.92% 보다 9.4% 작은 26.2%인 점까지 감안하면 MAP결정화 과정에서 다음 화학양론식과 같이 상당량의 K+가 NH4+를 대신하여 KMP가 생성되었을 것으로 판단된다. 이와 유사한 결과가 반도체 폐수에서도 보고된 바 있다(Ryu et al., 2012).

../../Resources/kswe/32-4/images/SJBJB8_2016_v32n4_343_e001.jpg

이상과 같은 결과는 축산폐수 이외에도 혐기성 소화조의 소화액을 대상으로 하는 인 회수시설에서도 관찰될 것으로 추측된다. 이는 잉여 슬러지에 인과 질소 이외에 상당량의 칼륨과 칼슘도 포함되어 있어 소화과정에서 이들 물질이 함께 용출될 수 있기 때문이다(Spinosa and Vesilind, 2001). 따라서 공공하수처리장이나 축산폐수처리장에서 마그네슘과의 결정화 과정을 통해 회수된 인 결정체는 MAP 결정체 이외에도 KMP나 HAP와 같은 다양한 종류의 결정체를 포함하고 있을 것으로 판단된다.

한편, 인산비료는 일반적으로 수용성과 구용성으로 크게 구분되는데 MAP 결정체는 구용성 인산으로 물에 잘 녹지 않지만 시트릭 산에 잘 녹는 특징을 가지고 있다. 이에 MAP 결정체의 인은 작물 재배기간 동안 장시간에 걸쳐 서서히 용출되어 뿌리에 대부분 흡수가 가능하기 때문에 강우에 의해 대부분 유실되어 주변 환경을 오염시키는 수용성 인산보다 친환경적이다. 더욱이 장시간에 걸쳐 마그네슘과 함께 서서히 용출되기 때문에 토양 개량에도 유용한 것으로 알려져 있다(Luz and Yoav, 2004; Muryanto and Bayuseno, 2012).

따라서 본 연구에서와 같이 생물학적 축산폐수처리시설의 처리수에서도 MAP 결정체 회수가 가능하며, 이때 회수한 MAP 결정체는 비료의 3대 요소인 P. N과 K를 모두 포함하는 완효성 고부가가치 인산비료로 작물 재배나 조림, 토양 개량을 위해 특별한 가공 없이도 유용하게 사용될 수 있을 것으로 판단된다.

4. Conclusion

생물학적 축산폐수처리시설의 처리수에 포함된 인산염을 MAP 결정체로 회수하여 재이용할 수 있는지를 알아보기 위해 본 연구에서는 회분식 인 회수시설을 운전하였고. 이때 회수한 MAP 결정체의 총인, 총질소 및 중금속 함량분석과 X선 회절분석 및 X선 분광분석을 통해 재활용 가능 여부에 관해 논의하였다. 그 결과, 다음과 같은 결론을 얻을 수 있었다.

  • 1. 회분식 인 회수시설을 이용하여 생물학적 축산폐수처리시설의 처리수 내 인산염을 pH 8.5의 운전조건에서 NH4+와 Mg2+과 함께 반응시켜 결정체의 형태로 성공적으로 회수 할 수 있었다.

  • 2. 이 결정체의 총인 함량은 약 26.2%, 총질소 함량은 약 4.0%이고, 중금속 함량은 비료관리법의 유기질 비료 중금속 함유 허용기준 이하로 확인되었다.

  • 3. 더욱이 이 결정체는 X선 회절분석을 통해 MAP 결정체임이 확인되어 고부가가치의 완효성 인산비료나 토양 개량제로 활용될 수 있음이 입증되었다.

  • 4. 한편, X선 분광분석을 통해 MAP 결정화 과정에서 K+이 NH4+를 대체한 KMP 결정체나 Ca2+와 PO43-이 반응하여 생성되는 HAP 결정체의 동반 형성이 강하게 시사되었다.

References

1 
(1999), Standard Methods for the Examination of Water and Wastewater, American Public Health Association, American Water Works Association, and Water Environment Federation (APHA, AWWA, and AWEF). (1999). Standard Methods for the Examination of Water and Wastewater, Washington DC, USA.Google Search
2 
(2011), Growth and Characterization of Struvite-K Crystals, Crystal Research and Technology, Chauhan, C. K., Vyas, P. M., and Joshi, M. (2011). Growth and Characterization of Struvite-K Crystals, Crystal Research and Technology, 46(2), pp. 187-194., Vol. 46, No. 2, pp. 187-194DOI
3 
(2009), The Story of Phosphorus: Global Food Security and Food for Thought, Global Environmental Change, Cordell, D., Drangert, J., and White, S. (2009). The Story of Phosphorus: Global Food Security and Food for Thought, Global Environmental Change, 19(2), pp. 292-305., Vol. 19, No. 2, pp. 292-305DOI
4 
(2014), Phosphorus Recovery from Sewage and High Efficiency Sludge Dewatering -Toward the Development of a Self-Supporting Phosphorus Recovery Process-, Ebara Engineering Review, Hagino, T., Koga, D., and Tsukui, R. (2014). Phosphorus Recovery from Sewage and High Efficiency Sludge Dewatering -Toward the Development of a Self-Supporting Phosphorus Recovery Process-, Ebara Engineering Review, 243, pp. 9-14., Vol. 243, pp. 9-14Google Search
5 
(1988), Magnesium Requirement for Biological Removal of Phosphate by Activated Sludge, Journal of Fermentation Technology, Imai, H., Endoh, K., and Kozuka, T. (1988). Magnesium Requirement for Biological Removal of Phosphate by Activated Sludge, Journal of Fermentation Technology, 66(6), pp. 657-666., Vol. 66, No. 6, pp. 657-666DOI
6 
(2015), 2013 Mineral Yearbook: Phosphate Rock [Advanced Release], Jasinski, S. M. (2015). 2013 Mineral Yearbook: Phosphate Rock [Advanced Release], U.S. Geological Survey, Reston, USA, pp. 56.1-56.9., pp. 56.1-56.9Google Search
7 
(2015), K-stat, Korea International Trade Association (KITA). (2015). K-stat, http://stat.kita.net (accessed Dec. 2015).Google Search
8 
(2004), Recent Advances in Removing Phosphorus from Wastewater and its Future Use as Fertilizer, Water Research, Luz, E. B. and Yoav, B. (2004). Recent Advances in Removing Phosphorus from Wastewater and its Future Use as Fertilizer, Water Research, 38(19), pp. 222-4246., Vol. 38, No. 19, pp. 222-4246Google Search
9 
(2014), Statistics of Sewerage, Korea, Ministry of Environment (MOE). (2014). Statistics of Sewerage, Korea, Ministry of Environment, pp. 229-303., pp. 229-303Google Search
10 
(2012), Wastewater Treatment for a Sustainable Future: Overview of Phosphorus Recovery, Applied Mechanics and Materials, Muryanto, S. and Bayuseno, A. P. (2012). Wastewater Treatment for a Sustainable Future: Overview of Phosphorus Recovery, Applied Mechanics and Materials, 110-116, pp. 2043-2048., Vol. 110-116, pp. 2043-2048DOI
11 
(2012), Evaluation of Struvite Obtained from Semiconductor Wastewater as a Fertilizer in Cultivating Chines Cabbage, Journal of Hazardous Materials, Ryu, H. K., Lim, C. S., Kang, M. K., and Lee S. I. (2012). Evaluation of Struvite Obtained from Semiconductor Wastewater as a Fertilizer in Cultivating Chines Cabbage, Journal of Hazardous Materials, 221-222, pp. 248-255., Vol. 221-222, pp. 248-255DOI
12 
(2013), Struvite Crystallization for Anaerobic Digested Supernatants: Influence on the Ammonia Efficiency of the Process Variables and the Chemicals Dosage Modality, Chemical Engineering Transactions, Santinelli, M., Eusebi, A. L., Santini, M., and Battistoni, P. (2013). Struvite Crystallization for Anaerobic Digested Supernatants: Influence on the Ammonia Efficiency of the Process Variables and the Chemicals Dosage Modality, Chemical Engineering Transactions, 32, pp. 2047-2052., Vol. 32, pp. 2047-2052Google Search
13 
(2001), Sludge into Biosolids: Processing, Disposal, Utilization, Spinosa, L. and Vesilind, P. A. (2001). Sludge into Biosolids: Processing, Disposal, Utilization, IWA Publishing, Cornwell, UK, pp. 43-73., pp. 43-73Google Search
14 
(2006), Biological Nutrient Removal (BNR) Operation in Wastewater Treatment Plants, Water Environ Federation (WEF). (2006). Biological Nutrient Removal (BNR) Operation in Wastewater Treatment Plants, McGraw-Hill, New York, USA, pp. 106-161., pp. 106-161Google Search
15 
(2007), Phosphate and Potassium Recovery from Source Separated Urine through Struvite Precipitation, Water Research, Wilsenach, J. A., Schuurbiers, C. A. H., and van Loosdrecht, M. C. M. (2007). Phosphate and Potassium Recovery from Source Separated Urine through Struvite Precipitation, Water Research, 41, pp. 458-466., Vol. 41, pp. 458-466DOI
16 
(1974), Phosphorus Removal by Orthophosphate Nucleation, Journal Water Pollution Control Federation, Zoltek, J. (1974). Phosphorus Removal by Orthophosphate Nucleation, Journal Water Pollution Control Federation, 46(11), pp. 2498-2520., Vol. 46, No. 11, pp. 2498-2520Google Search