황정윤
(Jeong Yun Hwang)
1a
Rahidul Hasan
(Rahidul Hasan)
1a
이규형
(Kyu Hyoung Lee)
1*
-
연세대학교 신소재공학과
(1Department of Materials Science and Engineering, Yonsei University, Seoul 03722, Republic of Korea)
Copyright © 2023 The Korean Institute of Metals and Materials
Key words
thermoelectric, Bi2Te2.7Se0.3, electronic transport properties, hot extrusion, processing parameters
1. INTRODUCTION
최근 환경 위기 및 화석 원료의 고갈 문제가 심각해짐에 따라 대체에너지 및 에너지 사용 효율 증대 기술 개발이 필수적인 과제가 되었다. 특히 미활용
에너지원 중 많은 부분이 폐열로 버려지고 있기 때문에 에너지 사용 효율 측면에서 폐열 활용 기술은 그 중요성이 매우 크다. 열전기술은 고체 상태의
소재를 이용하여 열에너지를 전기에너지로 직접 변환할 수 있으며, 시스템 측면에서 공간적-무게적 부하가 적고 안정성이 높은 장점으로 차량 및 산업 폐열
발전과 체열 등 저온 배열을 이용한 에너지 하베스팅을 중심으로 기술 개발이 활발히 진행되고 있다[1-3]. 하지만 상용화 경제성 확보를 위한 열전발전 효율을 구현하는 데 한계가 있어 우주-항공, 군사용, 긴급 발전 등 특수 용도를 제외한 분야에서는
활용이 제한되고 있으며, 이는 열전소재의 낮은 성능 지수(zT)가 가장 중요한 원인이다. 열전현상은 전기전도 특성과 열전도 특성이 관련되므로 zT는 다음 식(1)과 같이 주어진 절대온도(T)에서 전기전도 특성인 전기전도도(σ)와 제벡계수(S) 및 열전도 특성인 열전도도 (κtot)를 포함한다.
Skutterudite계, half-Heusler계, Silicide계 등 다양한 고성능 열전소재가 연구되고 있으나[4], 현재 상용으로 사용되고 있는 열전소재는 상온 부근에서 약 zT = 1.0의 성능을 나타내는 Bi-Te계 소재가 유일하다. Bi-Te계 소재는 조성 제어를 통해 p형과 n형 반도체 특성을 나타내는 소재 구현이 가능하며, 일반적으로 Bi2-xSbxTe3계 및 BiTe3-xSex계 소재가 p형 및 n형 소재로 각각 활용되고 있다[5]. BiTe계 소재는 Te(1)-Bi-Te(2)-Bi-Te(1)의 5개 원자층으로 구성된 quintuple layer가 ab면 내에서는 강한 공유결합 및 이온결합을 포함하고 있으며, c축 방향으로는 약한 반데르발스 결합에 의해 연결된 구조를 형성하고 있다. 이에 따라 ab면 내에서의 전기전도특성을 극대화하여 높은 열전 성능을 구현하기 위한 목적으로 zone melting과 같이 일축 결정성장 공정을 이용하여 소재를
제조하는 것이 일반적이다. 하지만, 이렇게 제조한 ingot 형태의 소재는 약한 반데르발스 결합이 정렬된 구조도 동시에 포함하기 때문에 기계적 강도가
10 MPa 수준으로 매우 낮으며 이는 열전발전 시스템 구동 신뢰성에 문제를 유발하게 된다[6,7]. 따라서, 높은 성능을 유지하면서 기계적 강도를 증대할 수 있는 소재개발 전략이 요구된다.
최근 조성제어, 결함제어 및 나노구조화 기반 기술이 개발되어 Bi-Te계 열전소재의 zT 증대로 연계되었으며[8-14], 높은 zT와 동시에 기계적 강도 증대를 위한 목적으로 공정으로 열간압출, 핫프레싱, 방전플라즈마소결 등의 소재 제조 공정 기술이 개발되었다[15-20]. 열간압출은 입자가 유동성을 나타내는 온도영역에서 한 방향으로 압력을 인가하여 높은 결정 배향도를 갖는 봉상의 압출체를 제조하는 공정으로 핫프레싱,
방전플라즈마소결과 비교하여 미세구조 제어의 용이성은 물론 높은 생산성과 낮은 생산비용 등의 장점이 있다. 하지만 열간압출은 antisite 결함,
Te 및 Se 빈자리 등의 점결함 생성을 제어하는 것이 어렵기 때문에 열전특성이 점결함에 의해 민감하게 변화하는 n형 BiTe3-xSex 계 소재에 대해서는 공정인자를 확립하는 것이 중요하다. 본 연구에서는 BiTe2.7Se0.3 조성을 이용하여 높은 전기전도 특성 발현을 위한 열간압출 온도 및 압력 조건을 최적화 하였고, 70 MPa 이상의 높은 기계적 강도와 3 mW/mK2
수준의 높은 파워팩터(전기전도도와 제벡계수의 제곱을 곱한 값, σS2)를 동시에 발현하는 소재를 개발하였다.
2. EXPERIMENTAL
열간압출을 위한 원료 분말은 일반적인 encapsulated melting and solidification 공정으로 합성하였다. 청크 형태의 고순도(>99.999%)
Bi, Te, Se(5N Plus)를 BiTe2.7Se0.3 조성에 맞게 칭량 후 직경 15 mm의 석영관에 넣고 로터리펌프 및 터보분자펌프를 이용하여 10-3 torr 수준의 진공 상태 형성 후 실링하였다. 이때 원료 금속과 석영관의 반응을 방지하기 위해 아세톤크래킹법을 이용하여 석영관의 내벽을 카본으로
코팅하였다. 용융 시 원료의 균일한 혼합을 위해 120o로 회전하는 rocking furnace를 사용하였고, 1323 K에서 10시간 용융 후 물을 이용한 quenching으로 잉곳 형태의 원료물질을
제조하였다. 고에너지 볼밀(SPEX 8000D, USA)을 이용한 분쇄로 잉곳으로부터 분말을 수득하였다. 볼밀용 용기에 원료 잉곳 10 g과 직경
5 mm의 스테인리스스틸 재질 볼을 4개 넣고 산화 방지를 위해 아르곤 가스를 용기에 충진 후 5분 동안 분쇄를 진행하였다. 분쇄 후 분말의 평균
크기는 약 5 μm로 확인되었다. Fig 1에 나타낸 설비(온도 제어와 압력 제어가 가능한 열간압출기)와 몰드(SKD-11 재질)를 이용하여 열간압출을 진행하였고, 직경 20 mm의 성형체(분말
40 g을 일축가압하여 디스크 형태로 제조)로부터 노즐 각도 45o 조건으로 직경 3.8 mm의 압출체를 제조하였다. 압출 온도는 Bi-Te계 소재의 융점(약 580 oC) 대비 80% 수준인 450–470 oC 범위로, 압출 압력은 입자의 유동성을 유발할 수 있는 5.5–7 MPa 범위로 설정하였다.
압출체의 상 형성 거동과 00l 방향으로의 우선배향 특성은 압출체의 단면에 대한 Cu Kα1(λ = 1.54059 Å) X선회절(Empyrean, Malvern Panalytical,
UK)로 규명하였고, 미세구조 특징은 주사전자현미경(JEOL JSM-7001F, Japan)을 이용하여 분석하였다. 압출체의 기계적 강도는 압출체를
연마하여 제조한 2 × 2 × 35 mm 크기의 직육면체형 샘플을 이용하여 3점꺾임법(만능재료시험기(Ametek LD series, USA))으로
상온에서 측정하였다. 전기전도도와 제벡계수는 압출체를 길이 10 mm로 절단 후 상용 측정시스템(ZEM3, ULVAC-RIKO, Japan)을 이용하여
300–480 K의 온도범위에서 측정하였다. 이때 샘플의 산화를 방지하고 측정 분위기로부터의 영향을 최소화하기 위해 로터리펌프를 이용한 챔버 내 저진공
형성 및 고순도(99.999%) 헬륨 충진을 2회 반복하였다.
3. RESULTS AND DISCUSSION
Fig 1에 나타낸 die의 노즐 각도를 30–60o 범위에서 직경 3.8 mm 샘플 제조를 위한 열간압출을 진행한 결과 45 o에서 표면 결함이 없는 압출체
제조가 가능하였다. 노즐 각도가 작을 경우에는 성형체에 충분한 압력이 인가되지 못하여 압출체의 직경이 불균일하고 길이 방향으로 휘는 현상이 발생하였으며,
노즐 각도가 큰 경우에는 압출 압력을 7 MPa 이상으로 인가해도 압출이 원활하게 진행되지 않아 압출체 표면에 균열이 발생하였다. 따라서, 노즐 각도를
45 o로 제작한 die를 이용하여 압출 공정 온도 및 압력을 최적화하고자 하였다. Fig 1(b)에 나타낸 바와 같이 직경 20 mm로 제조한 성형체를 압출 die 상부에 올려 놓고 가열부의 히터를 구동하여 성형체의 온도를 450–470 oC로 승온 후 샘플 전체를 균일하게 가열하기 위해 5분간 유지하였다. 이후 가압부를 통하여 성형체에 5.5–7 MPa의 압력을 수직방향으로 인가하였다.
Fig 2에 압출압력 6 MPa에서 압출온도를 각각 (a) 450, (b) 460, (c) 470 oC로 변화하여 제조한 압출체의 파단면에 대한 주사전자현미경 사진을 나타내었다. 450 oC에서 열간압출을 진행한 경우에는 출발 원료 분말의 평균 크기인 5 μm와 유사한 크기의 결정립이 형성되었으며, 결정 배향을 나타내는 그레인 형상이
관찰되지 않았다. 이는 450 oC는 열간압출 공정 중에 그레인의 재배열 및 성장에 필요한 에너지를 제공하지 못함을 의미한다. 한편, Fig 2(b)에 나타낸 바와 같이 460 oC에서 열간압출을 진행한 경우에는 그레인 재배열에 의한 결정배향을 나타내는 한 방향으로 정렬된 형태의 그레인 구조가 관찰되었고 입성장에 의해 약 20
μm 수준의 평균 크레인 크기를 나타내었다. 압출온도 470 oC에서는 과도한 유동성으로 Fig 2(c)와 같이 기공을 많이 포함하는 다공성 구조가 형성되었다.
Fig 3에는 압출체에 대한 X선 회절패턴을 나타내었다. Fig 3(c)에 나타낸 바와 같이 압출온도 460 oC 및 압출압력 6 MPa 조건으로 제조한 압출체는 단일상에 가까운 높은 순도의 Bi2Te2.7Se0.3상을 형성하는 것으로 확인되었다. 이러한 미세구조 특성과 상 형성 거동으로부터 열간압출의 최적 온도를 460 oC로 설정하였다.
압출온도를 460 oC로 설정한 상태에서 압출압력을 5.5–7 MPa 범위에서 변화하여 압출체를 제조하였다. Fig 3에 나타낸 바와 같이 압출압력에 따라 상 형성 거동에는 큰 변화가 관찰되지 않았다. 하지만, 00l 방향으로의 결정배향도를 나타내는 식(2)의 Lotgering factor(f)에 차이를 나타내었다.
식(2)에서 p00l 는 SI00l/SIhkl이고 p0는 SI000l/SI0hkl이고, Ihkl과 I0hkl는 각각 결정 배향된 샘플과 결정 배향성을 전혀 나타내지 않는 샘플의 (hkl)에 대한 X선 회절 강도이다[20]. 압출압력 5.5 MPa에서 제조한 압출체의 f00l은 0.1261이었으며, 압출압력을 6 MPa로 증가하면 f00l 값이 0.1381로 증가하여 압출압력을 조절하여 00l면에 대한 결정배향도를 제어할 수 있음을 확인하였다. 하지만, 압출압력을 6.5 MPa로 증가한 경우에는 6 MPa로 제조한 샘플과 유사한 결정배향도를
나타내었고, 압출압력 7 MPa로 제조한 샘플은 오히려 f00l 이 0.1190으로 감소하였다. 이러한 거동은 압출체의 미세구조에서 확인할 수 있다.
Fig 2(b) 및 Fig 4(b)에 나타낸 바와 같이 6 MPa 및 6.5 MPa의 압력으로 제조한 압출체의 경우 한 방향으로 정렬된 결정립이 상대적으로 많은 특징을 나타낸다. 한편,
7 MPa로 제조한 샘플은 과도한 압출압력에 따른 그레인 재배열 효과 감소로 기공을 많이 포함하고 있는 것으로 확인되었다. 이러한 상형성 거동 및
미세구조 분석 결과로부터 압출온도 460 oC 및 압출압력 6–6.5 MPa이 BiTe2.7Se0.3 압출체 제조를 위한 최적의 공정 조건으로 판단되며, 이는 압출체의 기계적 강도 및 전기전도 특성 측정 결과에서도 확인된다. 압출온도 460 oC 및 압출압력 6 및 6.5 MPa 조건으로 제조한 압출체의 3점꺾임 강도는 각각 73 및 71 MPa을 나타내어 zone melting으로 제조한
잉곳(3점 꺾임강도 약 10 MPa) 대비 7배 이상 높은 기계적 신뢰성을 나타내었으며, 방전플라즈마 소결로 제조한 소결체(3점 꺾임강도 약 100
MPa)와 비교해도 70% 수준의 높은 수치이다.
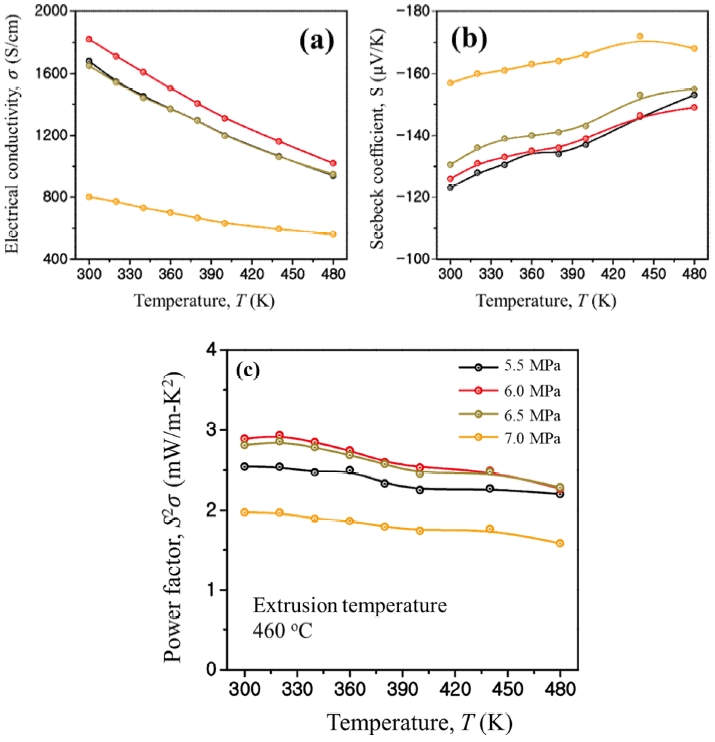
Fig 5에는 460 oC의 압출온도에서 압출압력을 5.5–7 MPa로 변화하여 제조한 압출체의 전기전도도 및 제벡계수 온도의존성을 나타내었다.
압출온도 460 oC 및 압출압력 6 MPa로 제조한 압출체는 핫프레싱으로 제조한 BiTe2.7Se0.3 소결체와 비교하여 상온 전기전도도는 최대 2배(~1800 S/cm) 증가한 반면 제벡 계수는 40% 정도 감소하였다(~-125 μV/K) [21]. 동일한 조성으로 제조한 두 샘플의 전기전도 거동 차이는 유사한 결정배향도를 고려하면 전하밀도의 차이에서 기인한 것으로 판단된다. 이는 기존에
잘 알려진 바와 같이 n형 BiTe3-xSex계 소재의 열전특성이 점결함과 밀접한 관련이 있으며, 점결함 형성 거동이 소재 제조 공정에 따라 크게 변화한다는 특성으로부터 확인할 수 있다. 전기전도도와
제벡 계수로부터 산출한 파워팩터는 상온에서 최대 2.9 mW/mK2 수준의 높은 값과 320 K에서 약 2.95 mW/mK2 의 최대값을 나타내었으며, 이는 핫프레싱으로 제조한 소결체 대비 10% 이상 높은 값을 구현한 결과이다. 본 연구에서 제조한 압출체는 Fig 5(c)에 나타내 바와 같이 온도변화에 대해 파워팩터의 감소가 크지 않은 장점을 나타낸다. 480 K에서도 2.25 mW/mK2 의 높은 파워팩터를 나타내며 이는 핫프레싱으로 제조한 소결체와 비교하여 70% 이상 높은 값이다. 이러한 파워팩터의 온도의존 특성의 향상은 본 연구의
개발 소재를 열전발전에 응용할 경우 발전효율을 크게 향상할 수 있는 장점을 제공한다.
4. CONCLUSIONS
본 연구에서는 높은 기계적 신뢰성과 열전성능을 동시에 발현하는 n형 Bi2Te2.7Se0.3 소재를 개발하기 위해 열간압출 공정 인자를 최적화하고자 하였다. 압출거동을 평가하여 die 구조를 최적화 하였고, 이후 결정배향도, 입도분포, 기공형성
등 미세구조 변화 및 상형성 거동을 관찰하여 열간압출 온도 및 압력 조건을 도출하였다. 최적 온도와 압력 조건에서 제조한 압출체는 70 MPa 이상의
기계적 강도를 나타냄과 동시에 상온에서 최대 2.9 mW/mK2의 높은 파워 팩터를 나타내었다. 본 연구에서 제조한 압출체는 상용소재와 비교하여 높은
전기전도도를 나타내어 상용소재 대비 낮은 열전성능을 나타낼 것으로 예상되나, 향후 전하밀도가 낮은 원료 조성을 이용한 압출체를 제작할 경우 높은 열전성능의
소개 개발이 가능한 열간압출 공정 인자 제어 지침을 확립한 측면에서 활용이 기대된다.
Acknowledgements
This work was supported by the National Research Foundation of Korea(NRF) grant funded
by the Korea government(MSIT). (No. 2022R1A2C2005210) This research was also supported
by Basic Science Research Program through the National Research Foundation of Korea(NRF)
funded by the Ministry of Education (2019R1A6A1A11055660) and by the Technology Innovation
Program (“20013621”, Center for Super Critical Material Industrial Technology) funded
by the Ministry of Trade, Industry & Energy (MOTIE, South Korea).
REFERENCES
Zhang Q., Suresh L., Liang Q., Zhang Y., Yang L., Paul N., Tan S. C., Adv. Sustain.
Syst,5, 2000152 (2021)

Tritt T. M., Subramanian M. A., MRS Bull,31, 188 (2006)

Hudak N. S., Amatucci G. G., J. Appl. Phys,103, 101301 (2008)

Snyder G. J., Toberer E. S., Nat. Mater,7, 105 (2008)

Saberi Y., Sajjadi S. A., J. Alloys Compd,904, 163918 (2022)

Xie W., Tang X., Yan Y., Zhang Q., Tritt T. M., Appl. Phys. Lett,94, 102111 (2009)

Jiang J., Chen L., Bai S., Yao Q., Wang Q., Scr. Mater,52, 347 (2005)

Ryu B., Chung J., Choi E.-A., Kim B.-S., Park S.-D., J. Alloys Compd,727, 1067 (2017)

Lee K. H., Kim S.-i., Kim H.-S., Kim S. W., ACS Appl. Energy Mater,3, 2214 (2020)

Zheng Y., Slade T. J., Hu L., Tan X. Y., Luo Y., Luo Z.-Z., Xu J., Yan Q., Kanatzidis
M. G., Chem. Soc. Rev,50, 9022 (2021)

Hu L., Zu T., Liu X., Zhao X., Point Defect Engineering of High-Performance Bismuth-Telluride-Based
Thermoelectric Materials,5211-5218, Adv. Funct. Mater,24, (2014)

Chen Z.-G., Han G., Yang L., Chen L., Zou J., Prog. Nat. Sci.: Mater. Int,22, 535
(2012)

Li J.-F., Liu W.-S., Zhao L.-D., Zhou M., NPG Asia Mater,2, 152 (2010)

Kim S.-i., Kim H.-S., Korean J. Met. Mater,59, 127 (2021)

Ivanova L., Petrova L., Granatkina Y. V., Zemskov V., Sokolov O., Skipidarov S. Y.,
Duvankov N., Inorg. Mater,45, 123 (2009)

Wang Z. L., Araki T., Onda T., Chen Z. C., Scr. Mater,141, 89 (2017)

Xu Z. J., Hu L. P., Ying P. J., Zhao X. B., Zhu T. J., Acta Mater,84, 385 (2015)

Wang H., Luo G., Tan C., Xiong C., Guo Z., Yin Y., Yu B., Xiao Y., Hu H., Liu G.,
Tan X., Noudem J. G., Jiang J., ACS Appl. Mater. Interfaces,12, 31612 (2020)

Zheng Y., Zhang Q., Su X., Xie H., Shu S., Chen T., Tan G., Yan Y., Tang X., Uher
C., Snyder G. J., Adv. Energy Mater,5, 1401391 (2015)

Lim Y. S., Park B. G., Lee G.-G., Korean J. Met. Mater,60, 463 (2022)

Lotgering F. K., J. Inorg. Nucl. Chem,9, 113 (1959)

Yan X., Poudel B., Ma Y., Liu W., Joshi G., Wang H., Lan Y., Wang D., Chen G., Ren
Z., Nano Lett,10, 3373 (2010)

Figures
Fig. 1.
Photos of (a) hot extrusion machine, (b) die, and (c) hot extrudate. Schematic illustration
for the operating parts of hot extrusion machine is shown in (b).
Fig. 2.
SEM(scanning electron microscope) images for the fractured surfaces of hot extrudates
fabricated under pressure of 6 MPa at different temperatures; (a) 450 oC, (b) 460 oC, and (c) 470 oC.
Fig. 3.
X-ray diffraction patters for hot extrudates fabricated at temperature of 460 oC under different pressures; (a) 7 MPa, (b) 6.5 MPa, (c) 6 MPa, and (d) 5.5 MPa.
Fig. 4.
SEM images for the fractured surfaces of hot extrudates fabricated at temperature
of 460 oC under different pressures; (a) 5.5 MPa, (b) 6.5 MPa, and (c) 7 MPa.
Fig. 5.
Temperature dependent (a) electrical conductivity, (b) Seebeck coefficient, and (c)
power factor for hot extrudates fabricated at temperature of 460 oC under different pressures.