์ดํ๋ฏผ
(Hye-Min Lee)
1
๋ฌธ์ ํ
(Jung Tak Moon)
3
์ด์์ฐ
(Young-Woo Lee)
3
๊นํ์ค
(Hui Joong Kim)
3
์ด์ฌ๊ธฐ
(Seul Gi Lee)
3
์ด์ข
ํ
(Joug-Hyun Lee)
12*
-
์์ธ๊ณผํ๊ธฐ์ ๋ํ๊ต ์ ์์ฌ๊ณตํ๊ณผ
(1Department of Materials Science and Engineering, Seoul National University of Science
and Technology, Seoul 139-743, Republic of Korea)
-
์์ธ๊ณผํ๊ธฐ์ ๋ํ๊ต ๋ฏธ๋์ตํฉ์์ฌ์ฐ๊ตฌ์
(2Materials Research Institute for Future Convergence Materials, Seoul National University
of Science and Technology, Seoul 139-743, Republic of Korea)
-
์ ์ผ์ด์ ์(์ฃผ) ๊ธฐ์ ์ฐ๊ตฌ์ ์๋๊ธฐ์ ๊ฐ๋ฐํ
(3Solder Development Team, R&D Center, MK Electron Co., Ltd., Youngin 17030, Republic of Korea)
Copyright ยฉ 2024 The Korean Institute of Metals and Materials
Key words
solder alloy, solidification, undercooling, solid solution, microstructure
1. ์ ๋ก
2006๋
๋ถํฐ RoHS ๋ฒ๋ น์ ์ํ ๋ฌด์ฐ(Pb-free) ์๋์ ์ฌ์ฉ์ด ๋ฒ์ ํ๋๋ฉด์ Sn-Ag-Cu์ 3์๊ณ ์กฐ์ฑ์ ๊ธฐ๋ฐ์ผ๋ก ํ์๋ ํฉ๊ธ์ ์ฌ์ฉ์ด
ํ์ฌ๊น์ง๋ ์ด์ด์ง๊ณ ์๋ค[1,2]. ๋ํ ์กฐ์ฑ์ธ Sn-3.0(wt%)Ag-0.5Cu(SAC305)์ ๊ฒฝ์ฐ ์ ํฉ๋ถ ํ์ฑ ์ ์ด์ ์ Sn-37Pb ์ ์ฐ ์๋ ๋๋น ์ฐ์ํ ์ด์ธ์ดํด๋ง
ํน์ฑ์ ๋ํ๋ด์ด ์ด์ ํผ๋ก ๋ฐ ํฌ๋ฆฌํ(creep)์ ๋ํญํ๋ ์ฅ๊ธฐ ์ ๋ขฐ์ฑ ํน์ฑ์ด ์ฐ์ํ ์ฅ์ ์ด ์ ๊ณต๋๋ค[3]. ๊ทธ๋ฌ๋, ๋ชจ๋ฐ์ผ(mobile) ์ ์์ ํ์ ๋์คํ์ ํจ๊ป ์ด์ธ์ดํด๋ง ํน์ฑ ์ธ์ ์ค์ ํน์ฑ์ผ๋ก ์๋ฆฌ์ก์ ๋ํ(drop) ํน์ฑ๊ณผ ๊ด๋ จํ์ฌ SAC305๋
๊ฐ๋ ์ฆ๊ฐ์ ์ํ ์ทจ์ฑ ๊ฐํ๋ก ๋ฎ์ ์ ๋ขฐ์ฑ์ ๋ํ๋ด๋๋ฐ[4,5], ์ด์ ๋ชจ๋ฐ์ผํฅ์ผ๋ก ๋ํ ํน์ฑ์ด ํฌ๊ฒ ๊ฐ์ ๋ Sn-1.2Ag-0.5Cu-0.05Ni(SAC1205N) ์กฐ์ฑ์ด ์ดํ ๊ฐ๋ฐ๋์๋ค[6]. ๊ทธ๋ฌ๋ ์ฐ์ฑ์ด ๊ฐ์ ๋ SAC1205N ์ ํฉ๋ถ๋ SAC305 ๋๋น ์ด์
ํ ์ด์ธ์ดํด๋ง ํน์ฑ์ ๋ํ๋ด๊ฒ ๋๋ค[7].
๋ชจ๋ฐ์ผ ์ ํ์ ๊ฒฝ์ฐ๋ ๋ฐ๋ณต์ ์ธ ์ด์ธ์ดํด๋ง ํ๊ฒฝ์ ๋
ธ์ถ๋๋ฏ๋ก ๋ํ ํน์ฑ๊ณผ ํจ๊ป ์ด์ธ์ดํด๋ง ํน์ฑ์ด ๋์์ ์ฐ์ํ ์๋ ํฉ๊ธ์ ๊ฐ๋ฐ ์ฐ๊ตฌ๊ฐ ์ต๊ทผ๊น์ง ์ง์๋๊ณ
์๋ค. ๊ทธ๊ฐ ์๋ ํฉ๊ธ์ ๊ธฐ๊ณ์ ๋ฌผ์ฑ์ ๊ฐ์ ์ํค๊ธฐ ์ํด ํฌํ ๋ฅ ๊ธ์(rare earth metal, REM) ์์๋ฅผ ๋ฏธ๋ ์ฒจ๊ฐํ๊ฑฐ๋[8,9], ๋๋
ธ ์
์๋ค์ ๊ท ์ผ ๋ถ์ฐ์ํค๋ ์ฐ๊ตฌ๋ค[10-12]์ด ๋ค์ํ ๋ฐฉ์์ผ๋ก ์งํ๋ ๋ฐ ์์ผ๋, ์ผ๋ฐ์ ์ธ ๋จ์ ์ฃผ์กฐ ๊ณต์ ์ ํตํด ์ด์ธ์ดํด๋ง ํน์ฑ๊ณผ ๋ํ ํน์ฑ์ ๋์์ ๊ธฐ์กด ์๋ ์กฐ์ฑ๋ค์ ์ต๊ณ ์์ค(์ฆ,
์ด์ธ์ดํด๋ง ํน์ฑ์ SAC305 ์ด์, ๋ํ ํน์ฑ์ SAC1205N ์ด์)์ผ๋ก ๊ฐ์ ์ํจ ๊ฒฐ๊ณผ๋ฅผ ์ ์ํ์ง๋ ๋ชปํ๋ค.
์ด๋ฌํ ์ํฉ์์ ์ต๊ทผ Bi๋ฅผ ๋ฏธ๋ ์ฒจ๊ฐํ๋ ๋ฐฉ์์ผ๋ก ์ด์ธ์ดํด๋ง ํน์ฑ๊ณผ ๋ํ ํน์ฑ์ ๋์์ ํ๋ณดํ๊ณ ์ ํ๋ ๋ชฉํ์์ ์ ์๋ฏธํ ๊ฒฐ๊ณผ๋ค์ด ๋ณด๊ณ ๋๊ณ ์๋๋ฐ,
Sn-2.5Ag-0.8Cu-0.05Ni-1Bi ๋ฐ Sn-0.75Cu-0.065Ni-1.5Bi ๋ฑ์ด ๋ํ ์กฐ์ฑ์ผ๋ก ๊ณ ๋ ค๋๊ณ ์๋ค. Sn-2.5Ag-0.8Cu-0.05Ni-1Bi
์กฐ์ฑ์ SAC305 ์กฐ์ฑ ์ด์์ ์ด์ธ์ดํด๋ง ํน์ฑ๊ณผ SAC1205N ์กฐ์ฑ ์ด์์ ๋ํ ํน์ฑ์ด ์ธก์ ๋์ด ๋ ํน์ฑ์ ๋์์ ๊ฐ์ ์ํจ ๋ํ ์๋ ์กฐ์ฑ์ผ๋ก
๋ณด๊ณ ๋๊ณ ์์ผ๋ฉฐ[13], Sn-0.75Cu-0.065Ni-1.5Bi ์กฐ์ฑ์ Ag-free ์กฐ์ฑ์ผ๋ก ์๋ฑํ ๊ฐ๊ฒฉ๊ฒฝ์๋ ฅ์ ๋ณด์ ํ๋ฉด์๋ SAC1205N ์กฐ์ฑ ์ด์์ ๋ํ ํน์ฑ์
๋ํ๋ด๋ ๊ฒ(Ag3Sn ์์ ์์ฑ ๋ถ์ฌ๋ก ์ด์ธ์ดํด๋ง ํน์ฑ์ SAC305 ์กฐ์ฑ๋ณด๋ค ์ด์
ํจ)์ผ๋ก ์๋ ค์ง๊ณ ์๋ค[14]. ๊ทธ๋ฌ๋, ์ด๋ฌํ Bi ํจ์ ์ ๊ท ์๋ ์กฐ์ฑ์ ์ฐ์ํ ์ ๋ขฐ์ฑ ํน์ฑ์ ๋นํด ํฉ๊ธ ์์ฒด์ ํน์ฑ ๋ฐ ํฉ๊ธ์ ๋ฐ์ ํน์ฑ์ ๋ํ ๋ณด๊ณ ๋ ๊ฑฐ์ ์ด๋ฃจ์ด์ง์ง
์๊ณ ์๋ค. ์ด์ ๋ณธ ์ฐ๊ตฌ์์๋ ์๊ธฐ ์ ๊ท ์๋ ์กฐ์ฑ์์์ ๊ณผ๋๋ ๋ฐ ์๊ณ ํน์ฑ, ๋ฏธ์ธ์กฐ์ง์ ํน์ง, Bi ์ฒจ๊ฐ์ ํจ๊ณผ, ํฉ๊ธ์ ๋ฌผ๋ฆฌ์ ํน์ฑ ๋ฐ ๊ณ๋ฉด๋ฐ์
ํน์ฑ ๋ฑ ๋ค์ํ ํน์ฑ ๋ฐ ๋ฌผ์ฑ๋ค์ ๊ณ ์ฐฐํ๊ณ ์ ํ๋ค.
2. ์คํ ๋ฐฉ๋ฒ
๋ณธ ์ฐ๊ตฌ์ ์ฌ์ฉ๋ ์๋๋ณผ๋ค์ ์ ์ผ์ด์ ์(์ฃผ)์์ ์์ฒด ์ ์กฐํ์๋ค. ์๋๋ณผ ์กฐ์ฑ์ ๋ฐ๋ฅธ ์๊ณ ๊ฑฐ๋ ๋ณํ๋ฅผ ๋ถ์ํ๊ธฐ ์ํด ์ง์ ๋ธ๋ก์(blowing)
ํ 20~250 ยฐC์ ์จ๋ ๋ฒ์์์ ๊ฐ์ด ๋ฐ ๋๊ฐ ์๋ 10 ยฐC/min์ ์กฐ๊ฑด์ผ๋ก ์์ฐจ์ฃผ์ฌ์ด๋๊ณ(differential scanning calorimetry,
DSC, Discovery DSC-250, TA Instruments) ์ธก์ ์ ์ค์ํ์๋ค. ๊ฐ ์กฐ์ฑ๋ณ ๊ฐ์ด ๋ฐ ๋๊ฐ ๊ณก์ ์์ ์ฉ์ต ๋ฐ ์๊ณ ์ ๊ฐ์
์จ๋๋ฅผ ์ธก์ ํ๊ณ , ๊ทธ ์ฐจ์ด๋ฅผ ๊ณ์ฐํ์ฌ ๊ณผ๋๊ฐ(undercooling) ์ ๋๋ฅผ ๋น๊ตํ์๋ค. DSC ๋ถ์ ์ดํ ์๊ณ ๋ ์๋๋ณผ์ ๋จ๋ฉด ๋ฏธ์ธ์กฐ์ง์ ๊ด์ฐฐํ๊ธฐ
์ํด ์ํญ์ ์์ง์ ์๋๋ณผ์ ๋ง์ดํ
(mounting)ํ ํ ๋จ๋ฉด์ ์ ๋ฐ ์ฐ๋งํ์์ผ๋ฉฐ, ์ผ์ฐ(HCl, 35%, ๋์ ํํ), ์ง์ฐ(HNO3, 65%, ๋์ ํํ) ๋ฐ ์ํ์ฌ(CH3CH2OH, 5%, ํ์ผ์ผ๋ฏธ์นผ)์ ํผํฉ์ก์ ์ ์กฐํ์ฌ ์์นญํ์๋ค. ์ดํ ์ค๋น๋ ์ํ๋ค์ ๊ดํํ๋ฏธ๊ฒฝ(optical microscopy, BA310, Motic)๊ณผ
์ฃผ์ฌ์ ์ํ๋ฏธ๊ฒฝ(scanning electron microscopy, SEM, SU8010, Hitachi High Technologies Corp.)
๋ฐ ์๋์ง๋ถ์ฐ์คํํธ๋ผ(energy dispersive spectroscopy, EDS, EX-250, Horiba)์ผ๋ก ์ดฌ์, ๋ถ์ํ์๋ค. ๋ํ ์กฐ์ฑ์
๋ฐ๋ฅธ ๋ฏธ์ธ๊ตฌ์กฐ ์ฐจ์ด๋ฅผ ์ ๋์ ์ผ๋ก ๋น๊ตํ๊ธฐ ์ํด ์ด๋ฏธ์ง ๋ถ์ ํ๋ก๊ทธ๋จ(ImageJ, US National Institutes of Health)์ ์ฌ์ฉํ
์ด์ ฮฒ-Sn ์์ ์ง๊ฒฝ ๋ฐ ๊ณต์ (eutectic)์กฐ์ง์ ๋ฉด์ ๋น์จ ์ธก์ ์ ์ค์ํ์๋ค.
๋ค์ํ ์๋ ํฉ๊ธ ๋ด์ ์กด์ฌํ๋ ์์ฑ ์๋ค์ ์ ๋ฐ ๋ถ์ํ๊ธฐ ์ํ์ฌ 9B-HRPD(high resolution powder diffraction, ๊ณ ๋ถํด๋ฅ
๋ถ๋ง ํ์ ) ๋น๋ผ์ธ(beamline)์ ์ฌ์ฉํ X-์ ํ์ (X-ray diffraction, XRD) ๋ถ์์ ์ค์ํ์๋ค. ๋ํ 300 kV ๊ฐ์์ ์์์
๊ตฌ๋์ํจ ๊ณ ๋ถํด๋ฅ ํฌ๊ณผ์ ์ํ๋ฏธ๊ฒฝ(transmission electron microscopy, TEM, Titan 80-300, FEI)์ผ๋ก ์๋๋ณผ์
๋จ๋ฉด ์กฐ์ง์์์ ๋ฉด๊ฐ๊ฑฐ๋ฆฌ ๋ณํ๋ฅผ ๊ฒ์ฆํ๊ธฐ ์ํด ๊ณ ์ ํธ๋ฆฌ์ ์ญ๋ณํ(inverse fast Fourier transformation, IFFT) ์ด๋ฏธ์ง
๋ฐ ๊ณ ์ ํธ๋ฆฌ์ ๋ณํ(fast Fourier transformation, FFT) ํจํด์ ์ดฌ์ํ์๋ค. ํํธ ๊ฐ ์๋ ์กฐ์ฑ์์ ์ด์ ฮฒ-Sn ์์ ๊ธฐ๊ณ์
๊ฐ๋๋ฅผ ์ํธ ๋น๊ตํ๊ธฐ ์ํด ๋จ๋ฉด ์ฐ๋ง๋ฅผ ์งํํ ์๋๋ณผ ์ํ์ ์ด์ ฮฒ-Sn ์ ์๋ฅผ 1 mN ํ์ค์ ๋๋
ธ์ธ๋ดํฐ(nanoindenter, STeP500
NHT3, Anton Paar)๋ฅผ ๊ฐํ๋ฉด์ ๋๋
ธ์ธ๋ดํ
์ด์
(nanoindentation) ์ํ์ ์ค์ํ๊ณ , ํ์ฑ๊ณ์(elastic modulus)์
๊ฒฝ๋๊ฐ์ ๊ณ์ฐํ๊ณ ์ ํ์๋ค.
๋ณผ ๊ทธ๋ฆฌ๋ ์ด๋ ์ด(ball grid array, BGA) ์๋ ์ ํฉ๋ถ์์ Bi ์ฒจ๊ฐ์ ๋ฐ๋ฅธ ๋ฏธ์ธ๊ตฌ์กฐ ๋ณํ๋ฅผ ๊ด์ฐฐํ๊ธฐ ์ํด Au/Ni/Cu under
bump metallurgy(UBM)์ ์ ๊ธฐ ์๋๋ง ๋ณดํธ์ (organic solderability preservative, OSP) ํ๋ฉด์ฒ๋ฆฌ ํจ๋(pad)
์ฌ์ด์์ ๋ค์ํ ์๋ ํ์ด์คํธ์ ์๋๋ณผ์ ์ฌ์ฉํ ์ ํฉ๋ถ ํ์ฑ์ ์งํํ์๋ค. ์ฆ, OSP ํ๋ฉด์ฒ๋ฆฌ ํจ๋์ ์คํฌ๋ฆฐ ํ๋ฆฐํฐ(screen printer,
MK-878Mx, Minami)๋ฅผ ์ฌ์ฉํ์ฌ ์๋ ํ์ด์คํธ(์ ์ผ์ด์ ์(์ฃผ) ์ ์กฐ)๋ฅผ ์ธ์ํ ํ ์๋๋ณผ์ด ๋ฒํ(bumping)๋ BGA ํจํค์ง(package)๋ฅผ
์ ๋ ฌํ์ฌ ์์น์์ผฐ์ผ๋ฉฐ, ์ดํ ๋ฆฌํ๋ก์ฐ ๋ฐฉ์์ ๋ฆฌํ๋ก์ฐ ์๋๋ง ์ฅ์น(reflow soldering machine, 1809UL, HELLER)๋ฅผ ์ฌ์ฉํ์ฌ
ํผํฌ(peak) 249.5 ยฐC์์ ๋ฆฌํ๋ก์ฐ ์ ํฉํ์๋ค. ์ด์ ๊ฐ์ BGA ํจํค์ง์ ํ๋ฉด ์ค์ฅ ๋ชจ์๋๋ ๊ทธ๋ฆผ 1๋ก ์์ฝ๋๊ณ , ๋ฆฌํ๋ก์ฐ ์๋๋ง์ ์ ์ฉ๋ ์จ๋ ํ๋กํ์ผ(profile)์ ๊ทธ๋ฆผ 2์ ๊ฐ์๋ค. ๋ํ ์๊ธฐ ์ ํฉ๋ถ ํ์ฑ์ ์ฌ์ฉ๋ ์๋ ์์ฌ์ ์กฐํฉ์ ํ 1์ ๋ํ๋ด์๋ค.
๋ค์ํ ์กฐํฉ์ผ๋ก ํ์ฑ๋ BGA ์๋ ์ ํฉ๋ถ๋ค์ ๋ํด ์ด์ ๋ณํ ํ๊ฒฝ์์์ ์ฅ๊ธฐ ์ ๋ขฐ์ฑ ํน์ฑ์ ๋น๊ตํ๊ธฐ ์ํด ์ด์ธ์ดํด๋ง ์ํ(thermal cycling
test)์ ์งํํ์๋๋ฐ, ์ํ์ JESD22-A104D ๊ท๊ฒฉ์ ๋ฐ๋ผ ์งํ๋์ด โ40~125 ยฐC์ ์จ๋์กฐ๊ฑด์์ 10๋ถ๊ฐ ์ ์ง ๋ฐ ์จ๋ ๋ณํ์๊ฐ 5
min ์ด๋ด์ ์ด์ธ์ดํด๋ง์ ์ด 2000 cycle๊น์ง ์ค์ํ์๋ค. ์ด์ธ์ดํด๋ง๋ BGA ์ํ์ ์ํญ์ ์์ง์ ๋ง์ดํ
ํ ํ ์ ๋ฐ ์ฐ๋ง ๋ฐ ์์นญ์ ์งํํ์๊ณ ,
์ดํ SEM ๋ฐ EDS ๋ถ์์ ์ค์ํ์๋ค. ํนํ ์ด์ถฉ๊ฒฉ ์ธ์ดํด์ ๋ฐ๋ฅธ ์๋ ์ ํฉ๋ถ ํ๋ถ ๊ณ๋ฉด์์์ ๊ธ์๊ฐํํฉ๋ฌผ(intermetallic compound,
IMC) ์ธต ๋๊ป๋ฅผ ์ธก์ ํ์๋๋ฐ, ์ด๋ฏธ์ง ๋ถ์ ํ๋ก๊ทธ๋จ์ผ๋ก ํ์ฑ IMC ์ธต์ ๋ฉด์ ์ ์ธก์ ํ ํ ํด๋น ์์ญ์ ๊ธธ์ด๋ก ๋๋์ด์ฃผ๋ ๊ณผ์ ์ ํตํด ํ๊ท ๋๊ป๋ฅผ
๊ณ์ฐํ ์ ์์๋ค.
3. ๊ฒฐ๊ณผ ๋ฐ ๊ณ ์ฐฐ
3.1 ๊ฐ๋ฐ ์๋ ์กฐ์ฑ์ ์๊ณ ๊ฑฐ๋ ๋ฐ ์ด์ ๋ฐ๋ฅธ ๋ฏธ์ธ์กฐ์ง ๋ณํ
SAC305, SAC1205N, Sn-2.5Ag-0.8Cu-0.05Ni-1Bi ๋ฐ Sn-0.75Cu-0.065Ni-1.5Bi ์๋๋ณผ์ DSC ๋ถ์
๊ฒฐ๊ณผ๋ ๊ทธ๋ฆผ 3(a)์ ๊ฐ๋ค. ๋ํ ์ฉ์ต ๋ฐ ์๊ณ ๊ฐ์ ์จ๋๋ฅผ ํ์ธํ ์ ์๋๋ก ํก์ด ๊ณก์ (๊ทธ๋ฆผ 3(b)) ๋ฐ ๋ฐ์ด ๊ณก์ (๊ทธ๋ฆผ 3(c))์ ์์๋ถ๋ฅผ ํ๋ํ์ฌ ๋ํ๋ด์๋ค.
์๊ธฐ ๋ ๊ณก์ ์์ ์ฉ์ต ๋ฐ ์๊ณ ๊ฐ์ ์จ๋๋ฅผ ์ธก์ ํ๊ณ , ์ด๋ค๊ฐ์ ์ฐจ์ด๋ฅผ ๊ณ์ฐํ์ฌ ๊ณผ๋๊ฐ์ ๊ตฌํ์์ผ๋ฉฐ, ๊ทธ ๊ฒฐ๊ณผ๋ ํ 2 ๋ฐ ๊ทธ๋ฆผ 4์ ๋ํ๋ด์๋ค.
๊ธฐ์กด ์กฐ์ฑ๋ค์ ๋์ฒด์ ๋ก ๊ฐ๋ฐ๋ ์ ๊ท ์กฐ์ฑ๋ค์ ๊ฐ์ด ๊ณผ์ ์์ ๊ธฐ์กด ์กฐ์ฑ๋ค๊ณผ ์ ์ฌํ ์ต์ ๋ค์ ๋ํ๋ด์์ผ๋, ์ต์ ๊ฐํ์ ์ด๋ฐ์งํ ์ ์๋ ๋ฏธ๋์ Ag๋ฅผ
๋ฐฐ์ ์ํจ Sn-0.75Cu-0.065Ni-1.5Bi ์กฐ์ฑ์ ๊ฒฝ์ฐ 221.86 ยฐC์ ์๋์ ์ผ๋ก ๋์ onset melting ์จ๋๋ฅผ ๋ํ๋ด์๋ค. ์ด์
๋นํด 4์ข
์ ๋ฌด์ฐ ์๋๋ค์ ๋๊ฐ ๊ณผ์ ์์ ๊ฐ๊ธฐ ํ์ฐํ ๋ค๋ฅธ ์๊ณ ์์ ์จ๋๋ฅผ ๋ํ๋ด์๋๋ฐ, SAC305, SAC1205N, Sn-0.75Cu-0.065Ni-1.5Bi,
Sn-2.5Ag-0.8Cu-0.05Ni-1Bi ์กฐ์ฑ ์๋๋๋ก ๋ฎ์ onset solidification ์จ๋๋ฅผ ๋ํ๋ด์๋ค. ๊ทธ ๊ฒฐ๊ณผ SAC305 ๋ฐ
SAC1205N ์๋๋ณผ์ ๊ฐ๊ฐ 12.2 ยฐC์ 15.88 ยฐC์ ํ์ดํ ๊ณผ๋๊ฐ๊ฐ์ ๋ํ๋ด์์ผ๋, Sn-2.5Ag-0.8Cu-0.05Ni-1Bi ๋ฐ
Sn-0.75Cu-0.065Ni-1.5Bi ์๋๋ณผ์ ๊ฐ๊ฐ 38.36 ์ 33.38 ยฐC์ ๊ณผ๋๊ฐ๊ฐ์ด ๊ณ์ฐ๋์ด ์ ๊ท ๊ฐ๋ฐ ์กฐ์ฑ๋ค์ ๊ธฐ์กด ์กฐ์ฑ ๋๋น ํฐ
๊ณผ๋๋๋ฅผ ๋ํ๋์ ํ์ธํ ์ ์์๋ค. ์ ๊ท ์กฐ์ฑ์ด ๊ณตํต์ ์ผ๋ก 1.0~1.5 wt%์ Bi๋ฅผ ํจ์ ํ๊ณ ์์์ ๊ณ ๋ คํ ๋ Bi๋ ์๋ ํฉ๊ธ์์ ๊ณผ๋๋๋ฅผ
์ฆ๊ฐ์ํค๋ ์ฃผ์ ์์๋ก ๋ถ์๋์๋ค. ์ด๋ฌํ ๊ณผ๋๋ ์ฆ๊ฐ ํ์์ ๊ถ๊ทน์ ์ผ๋ก ํฉ๊ธ์ ์๊ณ ์กฐ์ง์์์ ํฐ ๋ณํ๋ฅผ ์ผ๊ธฐ์ํฌ ๊ฒ์ผ๋ก ์์๋๋ค[15-18].
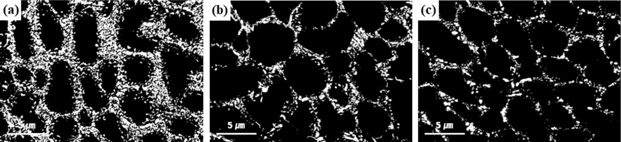
๊ทธ๋ฆผ 5 ๋ฐ ๊ทธ๋ฆผ 6๋ DSC ๋ถ์ ํ ์๊ณ ๋ ์๋๋ณผ์ ๊ดํ ํ๋ฏธ๊ฒฝ ๋ฐ SEM ์ด๋ฏธ์ง์ด๋ค.
SAC305, SAC1205N ๋ฐ Sn-2.5Ag-0.8Cu-0.05Ni-1Bi ์๋๋ณผ์ ๋ฏธ์ธ๊ตฌ์กฐ์์๋ ์ด์ ์ผ๋ก ํ์ฑ๋๋ Sn ๊ฒฐ์ ๋ฆฝ๋ค ์ฌ์ด๋ก Sn/Ag3Sn/Cu6Sn5๊ฐ ํผ์ฌ๋๋ Sn-Ag-Cu์ 3์๊ณ ๊ณต์ ์กฐ์ง๋ค์ด ๋ถํฌํ๋ ์กฐ์ง๋ค์ ๊ด์ฐฐํ ์ ์์๋ค. ๋ฐ๋ฉด Sn-0.75Cu-0.065Ni-1.5Bi ์๋๋ณผ์
๊ฒฝ์ฐ Sn ๊ธฐ์ง(matrix) ๋ด์ Cu6Sn5 ์์ด ๋ฐํ์๋ ๋ผ๋ฉ๋ผ(lamellar) ์กฐ์ง์ด ๊ตญ๋ถ์ ์ผ๋ก ๊ด์ฐฐ๋์ด ์์ ์ธ ์ข
๋ฅ์ ์๋๋ณผ๊ณผ๋ ํฌ๊ฒ ๋ค๋ฅธ ๋ฏธ์ธ์กฐ์ง์ ๋ํ๋ด์๋ค. ๋ฐ๋ผ์ 3์๊ณ ๊ณต์
์กฐ์ง์ด ๊ด์ฐฐ๋๋ 3์ข
์ ์๋๋ณผ๊ฐ ๋ฏธ์ธ๊ตฌ์กฐ๋ฅผ ์๋ก ๋น๊ตํด ๋ณด์๋๋ฐ, Sn-2.5Ag-0.8Cu-0.05Ni-1Bi ์๋๋ณผ์์ ๊ฐ์ฅ ๋ฏธ์ธํ๊ณ ๊ท ์ผํ ์กฐ์ง์ด
ํ์ฑ๋์์์ ๊ด์ฐฐํ ์ ์์๋ค. SAC1205N์ ๊ฒฝ์ฐ๋ ์๋์ ์ผ๋ก ์ ์ Ag์ ํจ๋์ด ์๋์ ์ผ๋ก ์กฐ๋ํ ์ด์ ฮฒ-Sn ์์ ํ์ฑ๊ณผ ์ง์ ์ ์ผ๋ก ์ฐ๊ด๋์์ง๋ง[19,20], SAC305์ Sn-2.5Ag-0.8Cu-0.05Ni-1Bi๊ฐ ๋น๊ต์์๋ Sn-2.5Ag-0.8Cu-0.05Ni-1Bi์์์ Ag ํจ๋์ด ์ ์์๋
๋ถ๊ตฌํ๊ณ ฮฒ-Sn์ ํ๊ท ํฌ๊ธฐ๊ฐ ๋ ์์ ์ด์ ๋ ํฐ ๊ณผ๋ ๊ฑฐ๋์ผ๋ก ์ธํ ์ด๊ธฐ ํต์์ฑ ์์ ์ฆ๊ฐ ๊ฒฐ๊ณผ๋ก ๋ถ์๋๋ค[21,22]. ์ฆ, ์ฉ์ต ํฉ๊ธ์ผ๋ก๋ถํฐ ์ด์ ์ธ ฮฒ-Sn์ ํต์์ฑ ์๊ฐ ํฌ๊ฒ ์ฆ๊ฐํ์ฌ ์๊ณ ๋๋ ๊ฒฝ์ฐ์์๋ Sn ๊ฒฐ์ ๋ฆฝ๋ค์ ์ต์ข
ํฌ๊ธฐ๊ฐ ์์์ง๊ณ , Sn ๊ฒฐ์ ๋ฆฝ๋ค
์ฌ์ด์ ์กด์ฌํ๊ฒ ๋๋ 3์๊ณ ๊ณต ์กฐ์ง๋ค์ ๋จ์ ๋ฉด์ ๋ํ ๋ฏธ์ธํ๊ฒ ํ์ฑ๋ ๊ฒ์ด๋ค. ๋ฐ๋ผ์ ๊ณผ๋๋๊ฐ ๊ฐ์ฅ ์ ์๋ SAC305์ ๊ฒฝ์ฐ Sn ๊ฒฐ์ ๋ฆฝ ์ฌ์ด
3์๊ณ ๊ณต์ ์กฐ์ง์ด ๊ทธ๋ฆผ 6(b)์ ๊ฐ์ด ์๋์ ์ผ๋ก ๋๋ฉด์ ์ผ๋ก ๋ฐ๋ฌํ์๋ค. ์๋๋ณผ์ ํฌ๊ธฐ์ ๋ฐ๋ฅธ ๊ณผ๋๋ ๋ณํ๋ฅผ ๊ณ ์ฐฐํ ์ ํ ์ฐ๊ตฌ์ ๋ฐ๋ฅด๋ฉด ์๋๋ณผ์ ํฌ๊ธฐ๊ฐ ์์์ง์๋ก ๊ณผ๋๊ฐ์ด ์ปค์ง๊ณ ,
์ด์ ๋ฐ๋ผ ฮฒ-Sn ์์ด ๋น๋กํ์ฌ ์์์ง๋ฉด์ 3์๊ณ ๊ณต์ ์กฐ์ง ์์ญ์ด ๋ฏธ์ธํด์ง๋ ์ ์ฌ ๊ฒฐ๊ณผ๊ฐ ๋ณด๊ณ ๋์๋ค[10,15]. ๋ํ ์ฝ 18 ยฐC ์ด์์ ๊ณผ๋ํ ๊ณผ๋ ์์๋ primary Cu6Sn5 ๊ธ์๊ฐํํฉ๋ฌผ(intermetallic compound, IMC) ์์ด ๊ด์ฐฐ๋์ง ์๋ ๋ฏธ์ธ์กฐ์ง์ ํน์ฑ๋ ๋
ผ์๋ ๋ฐ ์๋ค[15].
์กฐ์ฑ์ ๋ฐ๋ฅธ ์๋ ๋ด ๋ฏธ์ธ๊ตฌ์กฐ์ ์ฐจ์ด๋ฅผ ์ ๋์ ์ผ๋ก ๋น๊ตํ๊ธฐ ์ํด ฮฒ-Sn ์์ ํ๊ท ์ง๊ฒฝ์ ์ธก์ ํ์ฌ ๊ทธ๋ฆผ 7์ ๋ํ๋ด์๋ค.
๊ทธ ๊ฒฐ๊ณผ, ๊ณผ๋๊ฐ์ด ๊ฐ์ฅ ํฐ Sn-2.5Ag-0.8Cu-0.05Ni-1Bi ์๋๋ณผ์์ ๊ฐ์ฅ ์์ 3.9 ฮผm์ Sn ์ ์ง๊ฒฝ์ด ์ธก์ ๋์๋ค.
๊ทธ๋ฆผ 8 ๋ฐ ๊ทธ๋ฆผ 9๋ ฮฒ-Sn ์๊ณผ ๊ณต์ ์กฐ์ง ์์ญ์ ๋น์จ์ ์ธก์ ํ๊ธฐ ์ํ ์ด๋ฏธ์ง์ ๋์ถ ๊ณผ์ ๊ณผ ๊ทธ ๊ฒฐ๊ณผ๋ฅผ ๋ณด์ฌ์ค๋ค.
๋น๊ต๋ ์ธ ์ํธ์์์ ์ธ๋ถ ์กฐ์ฑ์ ์๋ก ๋ค๋ฅด์ง๋ง, ๊ณผ๋๊ฐ์ด ์ปค์ง์ ๋ฐ๋ผ ์ด์ ฮฒ-Sn ์์ญ์ ๋น์จ์ ์ฆ๊ฐํ์๊ณ , ๋ฐ๋๊ธ๋ถ๋ก ๊ณต์ ์กฐ์ง ์์ญ์ ๋น์จ์
๊ฐ์ํ๋ ๊ฒฝํฅ์ด ์ ๋์ ์ผ๋ก ํ์ธ๋์๋๋ฐ, ์ด๋ ์์ SAC305 ์กฐ์ฑ์์์ ๊ณผ๋ ์กฐ์ ์ ์กฐ์ง ๋ณํ ๊ฒฝํฅ๊ณผ ๋์ผํ๋ค[15,23]. ์ด์์ ๊ฒฐ๊ณผ๋ค์ ํตํด ๊ณผ๋ ๊ฑฐ๋์ด ์ปค์ง์๋ก ฮฒ-Sn ์์ ํฌ๊ธฐ๋ ๊ฐ์ํ์ง๋ง ์ด ๋ฉด์ ์ ์ฆ๊ฐํ๊ณ , ๊ณต์ ์กฐ์ง ์์ญ์ ๋์ฑ ๋ฏธ์ธํ๊ฒ ์ฌํธ๋๋ฉด์ ์ด
๋ฉด์ ์ ๊ฐ์ํ๋ ๊ฒ์ ์ ์ ์์๋ค.
3.2 ์ฒจ๊ฐ Bi์ ์ํ ๊ณ ์ฉ์ฒด ํ์ฑ
Bi ํจ๋ 3% ์ดํ์์๋ Sn ๊ธฐ์ง์ Bi๊ฐ ์์ถ๋์ง ์๊ณ Sn์ ๊ณ ์ฉ๋ ์ํ๋ก ์กด์ฌํ๋ ๊ฒ์ผ๋ก ๋ณด๊ณ ๋๊ณ ์๋๋ฐ[24-26], ์ด๋ฅผ ๊ฐ์ ์ ์ผ๋ก ํ์ธํ๊ธฐ ์ํ์ฌ XRD ์ธก์ ๋ฐ TEM ๊ด์ฐฐ์ ์ค์ํ์๋ค. ๊ทธ๋ฆผ 10์ ๋ฏธ๋(1 wt%)์ Bi ์ฒจ๊ฐ ์๋ ํฉ๊ธ์์ ฮฒ-Sn ์์ ๊ฒฉ์์์(lattice constant)๋ฅผ ํ์ธํ๊ธฐ ์ํ ๋ชฉ์ ์ผ๋ก ์ค์๋ Sn-2.5Ag-0.8Cu-0.05Ni-1Bi
๋ฐ SAC305์ SAC1205N ์๋๋ณผ์ XRD ์ธก์ ๊ฒฐ๊ณผ๋ฅผ ๋ณด์ฌ์ค๋ค.
์ต๋ํ ํํ ์กฐ์ง์์์ ๊ฒฉ์์์ ์ธก์ ์ ์ํ์ฌ ๋ชจ๋ ์๋๋ณผ๋ค์ 2 ยฐC/min์ ์๋ ์กฐ๊ฑด์ผ๋ก ์๊ณ ์ํจ ํ XRD ์ธก์ ์ ์ค์ํ์๋ค. ๊ทธ ๊ฒฐ๊ณผ ๊ทธ๋ฆผ 10(a)์์์ ๊ฐ์ด 3์ข
์กฐ์ฑ ์๋๋ณผ ๋ชจ๋์์ ฮฒ-Sn, Ag3Sn ๋ฐ Cu6Sn5 ์์ด ๊ฒ์ถ๋์์ผ๋, Sn-2.5Ag-0.8Cu-0.05Ni-1Bi ์กฐ์ฑ์์ Bi ๊ด๋ จ ์์ ๊ฒ์ถํ ์ ์์๋ค. ฮฒ-Sn ์๊ณผ ๊ด๋ จํ์ฌ SAC305
๋ฐ SAC1205N ๋๋น Sn-2.5Ag-0.8Cu-0.05Ni-1Bi ์กฐ์ฑ์์ Sn ์์ ๊ทธ ํผํฌ(peak)๋ค์ด ์ผ์ชฝ์ผ๋ก 0.05ยฐ ๋งํผ ๋ฏธ์ธํ๊ฒ
์ด๋๋ ๊ฒ์ ํ์ธํ ์ ์์๋ค. ๋ฐ๋ผ์ ์๋ Scherrer ์[27]์ ํตํด ๊ณ์ฐ๋ ๊ฒฉ์์์๊ฐ์ SAC305(2.484 ร
) ๋๋น Sn-2.5Ag-0.8Cu-0.05Ni-1Bi(2.492 ร
)๊ฐ 0.008 ร
ํฐ
๊ฒ์ผ๋ก ํ์ธ๋์ด ฮฒ-Sn ์์ ๊ฒฉ์๊ฐ ๋ค์ ํฝ์ฐฝ๋ ์ํ์์ ํ์ธํ ์ ์์๋ค.
์ (1)์์ K๋ ํ์ ์ธ์(shape factor), ฮป๋ X์ ํ์ฅ, ฮฒ๋ ๋ฐ์น์ ํญ(full width at half maximum of peak, FWHM), ฮธ๋ ๋ธ๋๊ทธ(bragg) ๊ฐ๋์ด๋ค. ์ด๋ ์๋์ ์ผ๋ก ์์ ๋ฐ๊ฒฝ์ด ํฐ Bi ์์๊ฐ ๊ตญ๋ถ์ ์ผ๋ก ฮฒ-Sn ์์์ ์นํํ ๊ณ ์ฉ์ฒด(substitutional
solid solution)๋ก ์๋ฆฌ ์ก์ผ๋ฉด์ ฮฒ-Sn ๊ฒฐ์ ์ ๊ตญ๋ถ ํฝ์ฐฝ์ผ๋ก ๊ด์ฐฐ๋ ๊ฒฐ๊ณผ๋ก ๋ถ์๋๋ค[28,29].
Bi ์์๋ค์ ์นํํ ๊ณ ์ฉ์ฒด ํ์ฑ ์ํ๋ฅผ ๋ณด๋ค ์ง์ ์ ์ผ๋ก ํ์
ํ๊ณ ์ Sn-2.5Ag-0.8Cu-0.05Ni-1Bi ์๋๋ณผ์ ๋จ๋ฉด ์กฐ์ง์ ๊ณ ์ ๋ฐ TEM์ผ๋ก
๊ด์ฐฐํ๊ณ , ๋ถ์์ ์ค์ํ์๋ค. ๊ทธ๋ฆผ 11์ ฮฒ-Sn ์์ IFFT ์ด๋ฏธ์ง ๋ฐ FFT ํจํด ๊ฒฐ๊ณผ๋ค์ ๋ณด์ฌ์ค๋ค.
๊ทธ๋ฆผ 11(a) A ์์ญ์์์ ํ๋ ์ด๋ฏธ์ง(๊ทธ๋ฆผ 11(b))๋ (020)๋ฉด๊ฐ์ ๊ฑฐ๋ฆฌ๊ฐ 2.92 ร
์๊ณผ ํจ๊ป FFT ํจํด(๊ทธ๋ฆผ 11(c))์์ (020)๋ฉด์ ํด๋น๋๋ ํ์ ์ ๊ฐ์ ๊ฑฐ๋ฆฌ๋ฅผ ๋ ๊ฐ์ ๋ถ์ ์ ์ผ๋ก ํ์ํ์๋ค. ๊ทธ๋ฆผ 11(a)์ B ์์ญ์์์ FFT ํจํด(๊ทธ๋ฆผ 11(d))์ (020)๋ฉด์ ํด๋น๋๋ ํ์ ์ ๊ฐ์ ๊ฑฐ๋ฆฌ๊ฐ ์์ ๋ถ์ ์ ๊ฐ์ ๊ฑฐ๋ฆฌ์ ๋นํด ๋ค์ ๋ฉ์ด์ง ๊ฒ์ด ๊ด์ฐฐ๋์ด(020)๋ฉด ๋ฉด๊ฐ๊ฑฐ๋ฆฌ๊ฐ B ์์ญ์์๋ ๋ฏธ์ธํ๊ฒ
์ฆ๊ฐ๋ ๊ฒ์ผ๋ก ๋ถ์๋์๋ค. ๋ฐ๋ผ์ ์ด ์ญ์ Sn ์์ ๋๋น ์ง๊ฒฝ์ด ํฐ Bi ์์๊ฐ ๊ตญ๋ถ์ ์ผ๋ก ์นํ ๊ณ ์ฉ๋จ์ ๋ฐ๋ผ ๊ตญ๋ถ์ ์ผ๋ก ฮฒ-Sn ์์ ๊ฒฐ์ ์ด ํฝ์ฐฝํ์๊ณ ,
์ด๋ ํน์ ๊ฒฐ์ ๋ฉด๊ฐ์ ๋ฉด๊ฐ๊ฑฐ๋ฆฌ ์ฆ๊ฐ๋ก ๊ด์ฐฐ๋ ๊ฒ์ผ๋ก ํด์๋๋ค. ๋
ผ์๋ Bi ์์๋ค์ ์นํํ ๊ณ ์ฉ์ฒด ํ์ฑ ๊ฑฐ๋์ ๊ตญ๋ถ์ ์๋ ฅ์ฅ์ ํ์ฑํ์ฌ ์ ์์ ์ด๋์
๋ฐฉํดํ ์ ์์ผ๋ฏ๋ก ๊ถ๊ทน์ ์ผ๋ก ์๋ ํฉ๊ธ์ ๊ฐ๋ ์ฆ๊ฐ์ ์ด๋ฐ์งํ๊ฒ ๋๋ค[30,31].
3.3 Bi์ ์ํ ๊ณ ์ฉ๊ฐํ ํจ๊ณผ
Sn ๊ธฐ์ง์ Bi๊ฐ ๊ณ ์ฉ๋ ์ํ, ์ฆ, ๊ณ ์ฉ๊ฐํ ๊ธฐ๊ตฌ๋ ํฉ๊ธ์ ๊ธฐ๊ณ์ ๊ฐ๋ ํฅ์์ ํจ๊ณผ์ ์ด๋ค[32,33]. ๋ฐ๋ผ์ Bi๊ฐ ์ฒจ๊ฐ๋ 2์ข
์ ์ ๊ท ๊ฐ๋ฐ ์กฐ์ฑ์์ ฮฒ-Sn ์์ ๊ธฐ๊ณ์ ๊ฐ๋ ๋ณํ๋ฅผ ํ์ธํ๊ธฐ ์ํด ฮฒ-Sn ์์์์ ๋๋
ธ์ธ๋ดํ
์ด์
์ํ์ ์งํํ์๋ค.
๊ทธ ๊ฒฐ๊ณผ ์๋๋ณผ 4์ข
์ ๋ํด ํ์ฑ๋ ์ํ์ ํฌ๊ธฐ์ ํ์ค ์ ๊ฑฐ ๊ณผ์ ์์์ ํ์ค-๋ณ์ ๊ณก์ ์ ๊ด์ฐฐํ์ฌ ๊ทธ๋ฆผ 12์ ๋ํ๋ด์๊ณ , ์ดํ Oliver-Pharr๋ฒ์ ์ํด ๊ณ์ฐ๋ ํ์ฑ๊ณ์ ๋ฐ ๊ฒฝ๋๊ฐ์ ๊ทธ๋ฆผ 13์ ์์ฝํ์๋ค[34,35].
์์๋๋ก ํ์ฑ๊ณ์ ๊ฐ๊ณผ ๊ฒฝ๋ ๊ฐ์ ๋์ฒด์ ์ผ๋ก ์๋ก ๋น๋กํ์์ง๋ง, Sn-0.75Cu-0.065Ni-1.5Bi ์๋๋ณผ์์์ ํ์ฑ๊ณ์ ๊ฐ์ ์์ธ์ ์ผ๋ก ๋ฎ๊ฒ
์ธก์ ๋์๋๋ฐ, ์ด๋ Ag3Sn ์์ถ ์์ ๋ถ์ฌ๋ก ํ์ค ์ ๊ฑฐ ์ ํ์ฑ์ ์ํ ํ๋ณต ์ ๋๊ฐ ์ด๋ฑํ๊ฒ ๊ด์ฐฐ๋๊ธฐ ๋๋ฌธ์ผ๋ก ๋ถ์๋๋ค. ๋ฐ๋ฉด Bi ํจ๋์ด ๊ฐ์ฅ ํฐ Sn-0.75Cu-0.065Bi-1.5Bi์์์
๊ฐ์ฅ ์์ ์ํ ํฌ๊ธฐ ๊ด์ฐฐ๊ณผ ํ๊ป Sn ์์ ๊ฒฝ๋๊ฐ์ด ๊ฐ์ฅ ํฌ๊ฒ ์ธก์ ๋์์ผ๋ฉฐ, Sn-2.5Ag-0.8Cu-0.05Ni-1Bi, SAC305, ๊ทธ๋ฆฌ๊ณ
SAC1205N ์์ผ๋ก ๊ฒฝ๋๊ฐ์ด ๊ฐ์๋๋ ๊ฒฐ๊ณผ๊ฐ ๊ด์ฐฐ๋์๋ค. ์ด๋ฅผ ํตํด 1~1.5 wt% Bi ์ฒจ๊ฐ๋ก ฮฒ-Sn์ ๋ด์ Bi๊ฐ ๊ณ ์ฉ๋ ๊ฒฝ์ฐ ๊ณ ์ฉ๊ฐํ
ํจ๊ณผ๋ก ๊ธฐ๊ณ์ ๊ฐ๋๊ฐ ํฅ์๋จ์ ๊ฒ์ฆํ ์ ์์๋ค.
3.4 ๊ฐ๋ฐ ์๋ ์กฐ์ฑ์ ๊ณ๋ฉด๋ฐ์ ํน์ฑ
์๋ ์กฐ์ฑ์ ๋ฐ๋ฅธ BGA ํจํค์ง ์๋ ์ ํฉ๋ถ์ ๋ฏธ์ธ์กฐ์ง ๋ณํ๋ฅผ ๋น๊ตํ๊ธฐ ์ํด 2์ข
์ ์๋ ํ์ด์คํธ์ 4์ข
์ ์๋๋ณผ์ ์ฌ์ฉํ ์ด 8์ข
์ ์ ํฉ๋ถ๋ฅผ ๊ทธ๋ฆผ 14์ ๊ฐ์ด ํ์ฑํ๊ณ , ๊ทธ ์ ํฉ๋ถ์ ์ธ๋ถ ๋ฏธ์ธ์กฐ์ง์ ๊ด์ฐฐํ์๋ค.
๊ทธ๋ฆผ 15๋ BGA ์๋ ์ ํฉ๋ถ ๋ด๋ถ๋ฅผ ํ๋ํ์ฌ SEM์ผ๋ก ๊ด์ฐฐํ ๋ํ ๋จ๋ฉด ๋ฏธ์ธ์กฐ์ง์ ๋น๊ตํ ๊ฒฐ๊ณผ์ด๋ค.
SAC305 ์๋ ํ์ด์คํธ๋ฅผ ์ฌ์ฉํ ์ ํฉ๋ถ ๋ฏธ์ธ์กฐ์ง์ ๊ฒฝ์ฐ, SAC305 ๋ฐ SAC1205N ์๋๋ณผ ์ฌ์ฉ ์ ํ์(platelet) ํํ์ ์กฐ๋ IMC(Cu6Sn5 ๋๋ (Cu,Ni)6Sn5 ์)๊ฐ ์์ฑ๋์์ผ๋, Sn-2.5Ag-0.8Cu-0.05Ni-1Bi ๋ฐ Sn-0.75-0.065Ni-1.5Bi ์ ๊ท ์๋๋ณผ์ ๊ฒฝ์ฐ ์์ ์กฐ๊ฐ ํํ์
Cu6Sn5 IMC ์๋ค๋ง์ด ๊ด์ฐฐ๋์ด ๊ธฐ์กด ์กฐ์ฑ์ ๋นํด Cu๊ณ IMC ์๋ค์ด ๋ฏธ์ธํ๊ณ ๊ท ์ผํ๊ฒ ์์ฑ๋ ๊ฒ์ ํ์ธํ ์ ์์๋ค. ์ด๋ 18 ยฐC ๋ฏธ๋ง์ ๊ณผ๋๋๋ฅผ
๋ํ๋ด๋ Sn๊ณ ์๋ ํฉ๊ธ์์๋ primary Cu6Sn5 IMC ์์ด ํ์ฑ๋๋ค๋ ์ด๋ก ์ ๋ถํฉ๋๋ ๊ฒฐ๊ณผ๋ก ์ ๊ท ์กฐ์ฑ์ ํฐ ๊ณผ๋ ๊ฑฐ๋์ Cu๊ณ IMC ์๋ค์ ๋ฏธ์ธํ์ ์ด๋ฐ์งํ์ฌ ๊ถ๊ทน์ ์ผ๋ก ์๋ ์ ํฉ๋ถ์ ์ ๋ขฐ์ฑ
ํฅ์์ ๊ธฐ์ฌํ ๊ฒ์ผ๋ก ๊ธฐ๋๋๋ค. ์ฆ, ์๋ ์ ํฉ๋ถ ๋ด์์ ์ทจ์ฑ์ด ๊ฐํ IMC ์๋ค์ด ํ์๊ณผ ๊ฐ์ ํํ๋ก ์กฐ๋ํ๊ฒ ํ์ฑ๋ ๊ฒฝ์ฐ ์ด์ธ์ดํด๋ง(thermal
cycling)๊ณผ ๊ฐ์ ์ ๋ขฐ์ฑ ์ด์ ํ๊ฒฝ์์ ์กฐ๋ IMC ์์ ํฌ๋(crack)์ ์์ฑ ๋ฐ ์ ํ์ ์ฃผ์ ๊ฒฝ๋ก๋ก ์์ฉํ๊ฒ ๋๋ฏ๋ก ์๋ ์ ํฉ๋ถ์ ์ด๋ฅธ
ํ๋จ์ ์ผ๊ธฐ์ํฌ ์ ์๋ค[36]. ํํธ Sn-2.5Ag-0.8Cu-0.05Ni-1Bi ์๋ ํ์ด์คํธ๋ฅผ ์ฌ์ฉํ ์ ํฉ๋ถ์์๋ ๊ณผ๋๋๊ฐ ๋์ ์๋ ํ์ด์คํธ์ ์ฌ์ฉ ํจ๊ณผ๋ก ์ธํด 4์ข
์๋ ์ ํฉ๋ถ ๋ชจ๋์์ ์ ์ฌํ๊ฒ Cu๊ณ IMC ์๋ค์ ๋ฏธ์ธ ํ์ฑ ๊ฒฐ๊ณผ๊ฐ ๊ด์ฐฐ๋์๋ค. ๋ฐ๋ผ์ ์๋๋ณผ์ ์กฐ์ฑ์ ์ ๊ท ์กฐ์ฑ์ผ๋ก ์ ํํ์ง ์๊ณ ์ ๊ท ์กฐ์ฑ์
์๋ ํ์ด์คํธ๋ฅผ ์ฌ์ฉํ๋ ๋ฐฉ๋ฒ๋ง์ผ๋ก๋ ์๋ ์ ํฉ๋ถ์์์ ๊ณผ๋ ์ ๋๋ฅผ ์ฆ๊ฐ์์ผ ํ์ฑ๋๋ ์๋ ์ ํฉ๋ถ์ ๋ฏธ์ธ์กฐ์ง์ ๊ฐ์ ์ํค๋ ๊ฒฐ๊ณผ๋ฅผ ์ป์ด๋ผ ์ ์์๋ค.
SAC305 ์๋ ํ์ด์คํธ์ Sn-2.5Ag-0.8Cu-0.05Ni-1Bi ์๋๋ณผ์ ์ฌ์ฉํ์ฌ ํ์ฑ์ํจ BGA ์๋ ์ ํฉ๋ถ์ ์ํ๋ถ๊ณ๋ฉด ํ๋ SEM
์ด๋ฏธ์ง ๋ฐ EDS ๋ถ์ ๊ฒฐ๊ณผ๋ฅผ ๊ทธ๋ฆผ 16์ ๋ํ๋ด์๋ค.
์๋ถ ๊ณ๋ฉด์ธ BGA ํจํค์ง์ UBM ์์ ํ์ฑ๋ IMC ์ธต์ UBM์ ์ต์๋จ Au๊ฐ ๊ธ์ํ ์ฉํด๋ ํ ๋
ธ์ถ๋ Ni ์ธต์ด ๊ณ๋ฉด ๋ฐ์์ ์ฐธ์ฌํ์ฌ ํ์ฑ๋๋ฏ๋ก
์๋ ๋ด Sn ๋ฐ Cu์ ํจ๊ป (Ni,Cu)3Sn4 ๋ฐ (Cu,Ni)6Sn5 IMC ์ธต์ ํ์ฑํ๊ฒ ๋๋ค. ๋ฐ๋ฉด, ํ๋ถ ๊ธฐํ์ Cu ํจ๋ ๊ณ๋ฉด๋ถ์์ ์์ฑ๋ IMC ์ธต๋ค์ EDS๋ก ์ธก์ ํ ๊ฒฐ๊ณผ, (Cu,Ni)6Sn5 ๋ฐ Cu6Sn5 ์์ผ๋ก ๋ถ์๋์๋ค. ์ฆ, ์๋ ๋ด Sn๊ณผ ํ๋ถ ํจ๋์ธ Cu๊ฐ์ ๋ฐ์์ผ๋ก Cu6Sn5 IMC ์ธต์ด ์ฐ์ ์ ์ผ๋ก ์์ฑ๋๋[37], ์๋ถ BGA ํจํค์ง UBM์ผ๋ก๋ถํฐ ์ฉํด๋ Ni์ด ์๋ ์ ํฉ๋ถ๋ฅผ ๊ฐ๋ก์ง๋ฌ ํ๋ถ ํจ๋ ๊ณ๋ฉด๋ถ๊น์ง ํ์ฐํ๋ ๊ฒฝ์ฐ Cu6Sn5 IMC ์ธต์ ์๋ถ ์ผ๋ถ๋ถ์ (Cu,Ni)6Sn5 ์กฐ์ฑ์ผ๋ก ์ ์ด๋์๋ค[38-40].
๊ทธ๋ฆผ 17์ SAC305 ์๋ ํ์ด์คํธ์ SAC305 ๋ฐ Sn-2.5Ag-0.8Cu-0.05Ni-1Bi ์๋๋ณผ์ ๊ฐ๊ฐ ์ฌ์ฉํ ๊ฒฝ์ฐ ์ด์ถฉ๊ฒฉ์ํ ํ์์ ๋ฐ๋ผ ํ๋ถ
Cu ํจ๋ ๊ณ๋ฉด๋ถ์์ ์์ฑ๋ IMC ์ธต์ ๋จ๋ฉด ๋ฏธ์ธ์กฐ์ง ๋ณํ๋ฅผ ๋น๊ตํ SEM ์ด๋ฏธ์ง์ด๋ค.
์ธ๊ธํ ๋ฐ์ ๊ฐ์ด ๋ฆฌํ๋ก์ฐ ์๋๋ง ์งํ ํ์ฑ๋ ์๋ ์ ํฉ๋ถ์ ํ๋ถ Cu ํจ๋ ๊ณ๋ฉด๋ถ์์๋ (Cu,Ni)6Sn5 ๋ฐ Cu6Sn5์ ๊ฐ์ Cu๊ณ IMC ์ธต๋ค์ด ํ์ฑ๋๋ฉฐ, ์ด๋ฌํ IMC ์ธต์ ์ด์ถฉ๊ฒฉ์ํ์ด ์งํ๋จ์ ๋ฐ๋ผ Cu์ Sn์ ์ํธํ์ฐ์ ์ํด Cu3Sn๊ณผ ๊ฐ์ IMC ์ธต์
์ถ๊ฐ์ ์ผ๋ก ์์ฑ์ํค๋ฉฐ ๊ทธ ์ด ๋๊ป๋ฅผ ์ง์์ ์ผ๋ก ์ฆ๊ฐ์ํค๊ฒ ๋๋ค[41-43]. ๋ํ ํ
์คํธ์ ๊ฐ์ ์๋ ์ ํฉ๋ถ ์ ๋ขฐ์ฑ ํ
์คํธ์์๋ ํฌ๋์ ์ ํ๊ฐ ์ด ๊ณ๋ฉด IMC ์ธต์ ํตํด ์ฃผ๋ก ์ด๋ฃจ์ด์ง๊ธฐ ๋๋ฌธ์[44] ๊ณ๋ฉด IMC ์ธต์ ์ด ๋๊ป ์ฑ์ฅ ์๋๋ ์๋ ์ ํฉ๋ถ์์์ ์ฃผ์ ์ธก์ ํญ๋ชฉ์ผ๋ก ๊ณ ๋ ค๋๋ฉฐ, ๋๋ฆฐ ์ฑ์ฅ ์๋ ํน์ฑ์ด ์๊ตฌ๋๊ณ ์๋ค. ๋ฐ๋ผ์ ์๋ ํ์ด์คํธ์
์๋๋ณผ๊ฐ ์ฌ๋ฌ ์กฐํฉ์์ ๋ฆฌํ๋ก์ฐ ์งํ ๋ฐ ์ด์ธ์ดํด๋ง ํ์์ ๋ฐ๋ฅธ ํ๋ถ Cu ํจ๋ ๊ณ๋ฉด๋ถ IMC ์ธต์ ์ด ๋๊ป ๋ณํ๋ฅผ ์ธก์ ํ์์ผ๋ฉฐ, ๊ทธ ๊ฒฐ๊ณผ๋ ๊ทธ๋ฆผ 18๊ณผ ๊ฐ๋ค.
์๋ ํ์ด์คํธ ์กฐ์ฑ์ ๋ค๋ฅธ ๊ฒฝํฅ์ฑ์ ๋ณด๋ฉด SAC305 ํ์ด์คํธ๋ฅผ ์ฌ์ฉํ ๊ฒฝ์ฐ๋ค ๋๋น Sn-2.5Ag-0.8Cu-0.05Ni-1Bi ํ์ด์คํธ๋ฅผ ์ฌ์ฉํ
๊ฒฝ์ฐ๋ค์์ ๋ฆฌํ๋ก์ฐ ์งํ๋ ์ด์ธ์ดํด๋ง ์งํ ์ค์ด๋ ๋์ฒด์ ์ผ๋ก IMC ์ธต์ ์ด ๋๊ป๊ฐ ๊ฐ์ํ๋ ๊ฒฝํฅ์ด ๊ด์ฐฐ๋์๋๋ฐ, ๊ทธ ๊ฐ์ ์ ๋๋ SAC305 ๋ฐ
SCA1205N ์๋๋ณผ์ ์ฌ์ฉํ ๊ฒฝ์ฐ์์ ๋์ฑ ํฌ๊ฒ ๊ด์ฐฐ๋์๋ค. ํํธ ์๋๋ณผ ์กฐ์ฑ์ ๋ฐ๋ฅธ IMC ์ด ๋๊ป๋ฅผ ๋น๊ตํ ๊ฒฝ์ฐ, Sn-2.5Ag-0.8Cu-0.05Ni-1Bi
๋ฐ Sn-0.75Cu-0.065Bi-1.5Bi ์๋๋ณผ์ ์ฌ์ฉํ ๊ฒฝ์ฐ์ IMC ์ด ๋๊ป๊ฐ SAC305 ๋ฐ SAC1205N ์๋๋ณผ์ ์ฌ์ฉํ ๊ฒฝ์ฐ ๋๋น
๋ฆฌํ๋ก์ฐ ์๋๋ง ์งํ๋ถํฐ ํ์ฐํ ์๊ฒ ํ์ฑ๋์ด ์ดํ ์ด์ธ์ดํด๋ง์ด ์งํ๋๋ฉด์ ๊ทธ ๋๊ป ์ฐจ์ด๊ฐ ๋์ฑ ๋ฒ์ด์ง๊ฒ ๊ฒฝํฅ์ ๊ด์ฐฐํ ์ ์์๋ค. ์ด๋ ์ฒจ๊ฐ๋ Bi๊ฐ
๋ฆฌํ๋ก์ฐ ์๋๋ง ๋ฐ ์ดํ ๊ณ ์์ด์ํจ(thermal aging) ์ ๊ณ๋ฉด ๋ฐ์์ ์ํฅ์ ๋ฏธ์น๋ ๊ฒ์ผ๋ก ์ถ๋ก ๋ ์ ์๋ค. ๊ณ๋ฉด IMC ์ธต ํ์ฑ ๋ฐ์์
์ํด ๊ณ๋ฉด์ ์์นํ ์๋ ๋ด Sn ์์๋ค์ด ์๊ฐ์ ์ผ๋ก ์๋ชจ๋๋ฉด ๊ณ๋ฉด๋ถ์์ Bi ๋๋๊ฐ ์๊ฐ์ ์ผ๋ก ๋์์ง ์ ์๋๋ฐ, Bi๋ ๊ณ๋ฉด ๋ฐ์์ ์ฐธ์ฌํ์ง ์์ผ๋ฏ๋ก
๊ฒฐ๊ตญ ๊ณ๋ฉด์ ์๋ฆฌ์ก์ Bi๋ ์ดํ ์๋๋ก๋ถํฐ ๊ณ๋ฉด ๋ฐ์์ Sn์ ๊ณต๊ธ์ํค๋ ๋ฐ์ ์ฅํด๋ฌผ์ ์ญํ ์ ํ๊ฒ ๋๋ค. ๋ฐ๋ผ์ Bi์ ์ฒจ๊ฐ๋ ์๋ ์ ํฉ๋ถ ๋ด
๊ณ๋ฉด IMC ์ธต์ ์ฑ์ฅ์ ์ต์ ์ํค๋ ๊ฒฐ๊ณผ๋ฅผ ์ผ๊ธฐํ๊ฒ ๋๋ค. ์ด๋ฌํ IMC ํ์ฑ ๊ณ๋ฉด๋ถ์์์ Bi ์์กด ํจ๊ณผ๋ ๊ณ ์ ์ด์ํจ ๋์์๋ ๋์ผํ๊ฒ ์ด์ด์ง
์ ์๋ค. ๊ฒฐ๋ก ์ ์ผ๋กSn-2.5Ag-0.8Cu-0.05Ni-1Bi ๋ฐ Sn-0.75Cu-0.065Bi-1.5Bi ์๋ ์กฐ์ฑ์์์ ๊ฐ์ด ์ ๋น๋์ Bi์
์ฒจ๊ฐ๋ ๊ณ๋ฉด IMC ์ธต์ ์ฑ์ฅ ์ต์ ์ ์ํ ์๋ ์ ํฉ๋ถ์ ๋ํ ์ ๋ขฐ์ฑ ๊ฐ์ ์ ๊ธ์ ์ ์ธ ๊ฒฐ๊ณผ๋ก ์ด์ด์ง ์ ์๋ค[45-47].
4. ๊ฒฐ ๋ก
๋ณธ ์ฐ๊ตฌ์์๋ ์ด์ธ์ดํด๋ง ํน์ฑ๊ณผ ๋ํ ํน์ฑ ๋ ๋ค์์ ์ฐ์ํ ์๋ ์ ํฉ๋ถ๋ฅผ ํ์ฑํ๊ธฐ ์ํ์ฌ ๊ฐ๋ฐ๋ Sn-2.5Ag-0.8Cu-0.05Ni-1Bi ๋ฐ
Sn-0.75Cu-0.065Ni-1.5Bi ์๋๋ณผ์ ๋ค์ํ ํน์ฑ ๋ฐ ๋ฌผ์ฑ๋ค์ ๊ณ ์ฐฐํ๊ธฐ ์ํ์ฌ Bi์ ๋ฏธ๋ ์ฒจ๊ฐ์ ์ง์คํ๋ฉฐ ๊ณผ๋๋ ๋ฐ ์๊ณ ํน์ฑ, ์ด์
๋ฐ๋ฅธ ๋ฏธ์ธ์กฐ์ง ๋ณํ, Bi ๊ณ ์ฉ ํจ๊ณผ, ํฉ๊ธ์ ๋ฌผ๋ฆฌ์ ํน์ฑ ๋ฐ ๊ณ๋ฉด๋ฐ์ ํน์ฑ ๋ฑ์ ๋ํด ๊ธฐ์กด ์๋ ์กฐ์ฑ์ธ SAC305 ๋ฐ SAC1205N ์๋๋ณผ๊ณผ์
๋น๊ต ๋ถ์์ ์ค์ํ์๋ค. ์ด๋ฅผ ํตํด ๋ค์๊ณผ ๊ฐ์ ๊ฒฐ๊ณผ๋ค์ ์ป์ ์ ์์๋ค.
1) Sn-2.5Ag-0.8Cu-0.05Ni-1Bi ๋ฐ Sn-0.75Cu-0.065Ni-1.5Bi ์๋๋ณผ์ ๊ฐ๊ฐ 38.36 ์ 33.38 ยฐC์ ๊ณผ๋๊ฐ๊ฐ์
๋ํ๋ด์ด SAC305 ๋ฐ SAC1205N ๋๋น ํฐ ๊ณผ๋๋๋ฅผ ๊ฐ๋ ๊ฒ์ ํ์ธํ์๋ค. ๊ฒฐ๊ณผ์ ์ผ๋ก Sn-2.5Ag-0.8Cu-0.05Ni-1Bi ์๋๋ณผ์์
Sn ๊ฒฐ์ ๋ฆฝ๋ค์ ํ๊ท ํฌ๊ธฐ๊ฐ ๊ฐ์ฅ ์์๊ณ , Sn ๊ฒฐ์ ๋ฆฝ ์ฌ์ด ๊ณต์ ์กฐ์ง๋ค์ ์๋์ ์ผ๋ก ์์ ๋ฉด์ ๋ค์ ํ์ฑํ๋ฉฐ ๋ฐ๋ฌํ์ฌ ๊ฐ์ฅ ๋ฏธ์ธํ๊ณ ๊ท ์ผํ ์กฐ์ง์ด
ํ์ฑ๋จ์ ๊ด์ฐฐํ ์ ์์๋ค. ์ด์ ๋ฐ๋ผ ฮฒ-Sn ์์ ์ด ๋ฉด์ ์ ๊ฐ์ํ์ผ๋ฉฐ, ์๋์ ์ผ๋ก ๊ณต์ ์กฐ์ง์ ์ด ๋ฉด์ ์ ์ฆ๊ฐํ๋ ๊ฒฐ๊ณผ๋ฅผ ํ์ธํ ์ ์์๋ค.
2) XRD ๋ฐ STEM ๋ถ์์ผ๋ก๋ถํฐ ๋ฏธ๋์ Bi ์ฒจ๊ฐ์ ์ํ ฮฒ-Sn ์ ๋ด ๊ณ ์ฉ์ฒด ํ์ฑ์ผ๋ก ํน์ ๊ฒฐ์ ๋ฉด๊ฐ๊ฑฐ๋ฆฌ๊ฐ ์ฆ๊ฐ๋ ๊ฒฐ๊ณผ๋ฅผ ๊ด์ฐฐํ ์ ์์๋๋ฐ,
ฮฒ-Sn ์์ ๋๋
ธ์ธ๋ดํ
์ด์
์ํ์ ํตํด ๊ฒฝ๋์ ๊ฐ์ ๊ธฐ๊ณ์ ํน์ฑ์ด ํฅ์๋จ์ ํ์ธํ ์ ์์๋ค.
3) Sn-2.5Ag-0.8Cu-0.05Ni-1Bi ์๋๋ณผ ์ฌ์ฉ ์ ์๋ ์ ํฉ๋ถ์ ํ๋ถ Cu ํจ๋ ๊ณ๋ฉด๋ถ์์์ IMC ์ธต์ ๋ฆฌ๋ฅผ๋ก์ฐ ์๋๋ง ์งํ๋ถํฐ
์๋์ ์ผ๋ก ์๊ฒ ํ์ฑ๋์ด ์ด์ฌ์ดํด๋ง ์ํ ์ ๋ฐ์ ๊ฑธ์ณ ์์ ๋๊ป๊ฐ ์ ์ง๋์์ผ๋ฉฐ, Sn-2.5Ag-0.8Cu-0.05Ni-1Bi ์กฐ์ฑ์ IMC ์ธต ์ฑ์ฅ
์ต์ ํน์ฑ์ ์ด ์กฐ์ฑ์ ํ์ด์คํธ๋ฅผ ์ฌ์ฉํ ๊ฒฝ์ฐ๋ค์์๋ ํ์ธํ ์ ์์๋ค. ์ด๋ ๋ฆฌํ๋ก์ฐ ์๋๋ง ์ ๊ณ๋ฉด ๋ฐ์์์ ๋ฐ์์ ์ฐธ์ฌํ๋ ์ฉ์ต ์๋ ๋ด Sn์ด
์๊ฐ์ ์ผ๋ก ์๋ชจ๋ ๊ฒฝ์ฐ ๋ฐ์์ ๋ฏธ์ฐธ์ฌํ๋ Bi๊ฐ ๋ง์์ง๋ฉด์ ๋ฐ์ ์ฅ๋ฒฝ์ผ๋ก์ ์ญํ ์ ์ํํ๊ธฐ ๋๋ฌธ์ผ๋ก ๋ถ์๋์๋ค.
Acknowledgements
๋ณธ ์ฐ๊ตฌ๋ ์ฐ์
ํต์์์๋ถ์ ๊ธ๋ก๋ฒ์ฃผ๋ ฅ์ฐ์
ํ์ง๋์ ๋ฟ๋ฆฌ๊ธฐ์ ๊ฐ๋ฐ์ฌ์
(๊ณผ์ ๋ฒํธ : 200183332)์ ์ง์์ฌ์
์ผ๋ก์ํ๋์์ต๋๋ค.
REFERENCES
Richards B., Nimmo K., http://eprintspublications.npl.co.uk/id/eprint/1080, An Analysis
of the Current Status of Lead-Free Soldering Update 2000, (2000)

Suganuma K., Curr. Opin. Solid State Mater. Sci,5, 55 (2001)

Terachima S., Kariya Y., Hosoi T., Tanaka M., J. Electron. Mater,32, 1527 (2003)

Syed A., Scanlan J., Cha S.W., Kang W. J., Sohn E. S., Kim T. S., Ryu C. G., Impact
of package design and materials on reliability for temperature cycling, bend, and
drop loading conditions,2008 58th Electronic Components and Technology Conference,
USA, 1453-1461, (2008)

Zhao X. J., Caers J. F. J. M., de Vries J. W. C., Kloosterman J., Wong E. H., Rajoo
R., Improvement of mechanical impact resistance of BGA packages with Pbfree solder
bumps,2006 8th Electronics Packaging Technology Conference, Singapore, 174-178, (2006)

Bizer C., Raow B., Steiner R., Walter J., Drop test reliability improvement of lead-free
fine pitch BGA using different solder ball composition,2005 7th Electronic Packaging
Technology Conference, Singapore, (2005)

Terashima S., Kohno T., Mizusawa A., Arai K., Okaga O., Wakabayashi T., Tanaka M.,
Tatsumi K., J. Electron. Mater,38, 33 (2009)

Chen Z., Shi Y., Xia Z., Yan Y., J. Electron. Mater,32, 235 (2003)

Xiao W., Shi Y., Lei Y., Xia Z., Guo F., J. Electron. Mater,35, 1095 (2006)

Tsao L. C., Mater. Sci. Eng. A,529, 41 (2011)

Gain A. K., Fouzder T., Chan Y. C., Sharif A., Wong N. B., Yung Winco K.C., J Alloys
Compd,506, 216 (2010)

Shen J., Chan Y. C., J Alloys Compd,477, 552 (2009)

Lee I. B., Lee Y. W., Lee T. K., Crack Propagation Mechanism Study on Bismuth Contained
Base Lead Free Solder,2018 SMTA International Conference, USA, (2018)

Son J. Y., Lee S. G., Park J. W., Lee Y. W., Jung S. B., Modifying of Tin based solder
composition with optimized Bi, Ni and Cu contents for high TC and drop shock reliability,2022
IEEE 24th Electronics Packaging Technology Conference (EPTC), Singapore, 1-5, (2022)

Wang B., Hu X. J., Sun W., Liao J. L., Peng H. L., Hou N., Chen B., Zeng G., Mater.
Charact,198, 112707 (2023)

Schindler S., Mueller M., Wiese S., Investigation of the undercooling of SnCu solder
spheres,2014 5th Electronics System-integration Technology Conference (ESTC), Finland,
1-7, (2014)

Min-Bo Z., Xiao M., Xin-Ping Z., Size effect on the intermetallic compound coalescence
in Sn-Ag-Cu solder and Sn-Ag-Cu/Cu solder joints,2011 12th International Conference
on Electronic Packaging Technology and High Density Packaging, China, 1-6, (2011)

Cui Y., Xian J. W., Zois A., Marquardt K., Yasuda H., Gourlay C. M., Acta Materialia,249,
118831 (2023)

Reid M., Punch J., Collins M., Ryan C., Solder. Surf. Mt. Technol,20, 3 (2008)

Kariya Y., Hosoi T., Terachima S., Tanaka M., Otsuka M., J. Electron. Mater,33, 321
(2004)

Kinyanjui R., Lehman L. P., Zavalij L., Cottsa E., J. Mater. Res,20, 2914 (2005)

Li X. P., Xia J. M., Qin H. B., He X. Q., Zhang X. P., Study of critical factors influencing
the solidification undercooling behavior of Sn-3.0Ag-0.5Cu (SAC) lead-free solder
and SAC/Cu joints,2012 13th International Conference on Electronic Packaging Technology
& High Density Packaging, China, 356-360, (2012)

Liu Y., Sun F., Li X., J Mater Sci: Mater Electron,25, 2627 (2014)

Zhao J., Qi L., Wang X. M., Wang L., J Alloys Compd,375, 196 (2004)

Hodรบlovรก E., Li H., ล imekovรก B., Kovaลรญkovรก I., Weld World,62, 1311 (2018)

Chen Y., Meng Z. C., Gao L. Y., Liu Z. Q., J Mater Sci: Mater Electron,32, 2172 (2021)

Scherrer P, Nachr. Ges. Wiss. Gottingen,2, 96 (1918)

Wang F., Chen H., Huang Y., Yan C., J Mater Sci: Mater Electron,29, 11409 (2018)

Nogita K., Mohd Salleh M. A. A., Smith S., Wu Y. Q., Mcdonald S. D., ab Razak A. G.,
Akaiwa T., Nishimura T., Effects of Bi in Sn-Cu based lead-free solder alloys and
interconnects,2017 International Conference on Electronics Packaging (ICEP), Japan,
377-380, (2017)

Shen Y. A., JOM,75, 4922 (2023)

Raza M., Shewchenko L., Qlofinjana A., Kent D., Mata J., Haque R., J Mater Sci: Mater
Electron,32, 22155 (2021)

Jo M. G., Ryu S. H., Kim K. I., Kim D. E., Kim J. I., Kim K. T., Kim S. S., Cho G.
S., Korean J. Met. Mater,60, 251 (2022)

Son H. W., Koo T. M., Cho Y. H., Lee J. M., Korean J. Met. Mater,61, 472 (2023)

Chen Z., Wang X., Bhakhri V., Giuliani F., Atkinson A., Acta Mater,61, 5720 (2013)

Hu C., Li Z., Constr. Build. Mater,90, 80 (2015)

Bae J. Y., Kim M. S., Lee H. M., Lee S. G., Lee Y. W., Moon J. T., Hong W. S., J Weld
Join,41, 379 (2023)

Laurila T., Vuorinen V., Kivilahti J.K., Mater. Sci. Eng. R Rep,49, 1 (2005)

Yoon J. W., Kim S. W., Jung S. B., J Alloys Compd,392, 247 (2005)

Lee T. K., Zhou B., Bieler T., Liu K. C., Electron. Mater,41, 273 (2012)

Fu S. W., Yu C. Y., Lee T. K., Liu K. C., Duh J. G., Mater,80, 103 (2012)

Kim Y. M., Roh H. E., Kim S. T., Kim Y. H., J. Electron. Mater,39, 2504 (2010)

Wu Y., Sees J. A., Pouraghabagher C., Foster L. A., Marshall J. L., Jacobs E. G.,
Pinizzotto R. F., J. Electron. Mater,22, 769 (1993)

Vianco P. T., Rejent J. A., Hlava P. F., J. Electron. Mater,33, 991 (2004)

Tegehall P. E., Review of the impact of intermetallic layers on the brittleness of
tin.lead and lead-free solder joints, IVF project report 06/07,IVF Industrial Research
and Development Corporation, Mรถlndal, Sweden, (2006)

Laurila T., Vuorinen V., Krรถckel M. P., Mater. Sci. Eng. R,68, 1 (2010)

Rizvi M. J., Chan Y. C., Bailey C., Lu H., Islam M. N., J Alloys Compd,407, 208 (2006)

Hodรบlovรก E., Palcut M., Lechoviฤ E., ล imekovรก B., Ulrich K., Alloys Compd,509, 7052
(2011)

Figures and Tables
Fig. 1.
Schematics of the solder bonding during mounting of a BGA package: (a) before and
(b) after reflow soldering.
Fig. 2.
Temperature profile for mounting of a BGA package by reflow soldering.
Fig. 3.
(a) DSC curves of SAC305, SAC1205N, Sn-2.5Ag-0.8Cu-0.05Ni-1Bi, and Sn-0.75Cu-0.065Ni-1.5Bi
solder balls: (b) enlarged endothermic curves during heating and (c) enlarged exothermic
curves during cooling.
Fig. 4.
Onset temperatures of melting and solidification measured during heating and cooling,
and calculated undercooling of SAC305, SAC1205N, Sn-2.5Ag-0.8Cu-0.05Ni-1Bi, and Sn-0.75Cu-0.065Ni-1.5Bi
solder balls.
Fig. 5.
Low- and high- magnified optical micrographs of (a, b) SAC305, (c, d) SAC1205N, (e,
f) Sn-2.5Ag-0.8Cu-0.05Ni-1Bi, and (g, h) Sn-0.75Cu-0.065Ni-1.5Bi solder balls after
DSC measurement.
Fig. 6.
Low- and high- magnified SEM micrographs of (a, b) SAC305, (c, d) SAC1205N, (e, f)
Sn-2.5Ag-0.8Cu-0.05Ni-1Bi, and (g, h) Sn-0.75Cu-0.065Ni-1.5Bi solder balls after DSC
measurement.
Fig. 7.
Average diameter of ฮฒ-Sn phases in the solidified SAC305, SAC1205N, and Sn-2.5Ag-0.8Cu-0.05Ni-1Bi
solder balls.
Fig. 8.
Measurement images of eutectic area fraction in the solidified (a) SAC305, (b) SAC1205N,
and (c) Sn-2.5Ag-0.8Cu-0.05Ni-1Bi solder balls.
Fig. 9.
Eutectic and primary ฮฒ-Sn area percentages in the solidified SAC305, SAC1205N, and
Sn-2.5Ag-0.8Cu-0.05Ni-1Bi solder balls.
Fig. 10.
(a) XRD results of the solidified SAC305, SAC1205N, and Sn-2.5Ag-0.8Cu-0.05Ni-1Bi
solder balls and (b) enlarged results of the dotted rectangular part in (a).
Fig. 11.
(a) IFFT micrograph of a ฮฒ-Sn phase in a Sn-2.5Ag-0.8Cu-0.05Ni-1Bi solder ball and
(b) enlarged image of A area in (a). (c, d) FFT patterns of A and B areas in (a).
Fig. 12.
Load-displacement curves measured in ฮฒ-Sn phases during nano-indentation tests using
(a) SAC305, (b) SAC1205N, (c) Sn-2.5Ag-0.8Cu-0.05Ni-1Bi, and (d) Sn-0.75Cu-0.065Ni-1.5Bi
solder balls.
Fig. 13.
Elastic modulus and hardness values in the ฮฒ-Sn phases of SAC305, SAC1205N, Sn-2.5Ag-0.8Cu-0.05Ni-1Bi,
and Sn-0.75Cu-0.065Ni-1.5Bi solder alloys.
Fig. 14.
SEM micrograph of BGA solder joints formed after reflow soldering using SAC305 solder
paste and Sn-2.5Ag-0.8Cu-0.05Ni-1Bi solder balls.
Fig. 15.
Magnified cross-section SEM micrographs of BGA solder joints formed after reflow soldering
using (a-d) SAC305 and (e-h) Sn-2.5Ag-0.8Cu-0.05Ni-1Bi solder pastes and (a, e) SAC305,
(b, f) SAC1205N, (c, g) Sn-2.5Ag-0.8Cu-0.05Ni-1Bi, and (d, h) Sn-0.75Cu-0.065Ni-1.5Bi
solder balls.
Fig. 16.
(a) Low- and (b, c) high- magnified SEM micrographs of (a) BGA solder joints formed
after reflow using SAC305 solder paste and Sn-2.5Ag-0.8Cu-0.05Ni-1Bi solder balls
at (b) upper UBM, and (c) lower Cu pad, and (d-f) representative EDS analysis results
of each IMC layer.
Fig. 17.
SEM micrographs of IMC layers at the interfaces of lower Cu pad in BGA solder joints
formed after reflow soldering using SAC305 solder paste and (aโc) SAC305 and (dโf)
Sn-2.5Ag-0.8Cu-0.05Ni-1Bi solder balls with the different numbers of thermal cycling:
(a, d) 0, (b, e) 1000, and (c, f) 2000 cycles.
Fig. 18.
Total thicknesses of IMC layers at the interfaces of lower Cu pads in BGA solder joints
with different solder paste/solder ball combinations and the numbers of thermal cycling.
Table 1.
Solder materials used for BGA reflow soldering
|
Solder paste alloys (wt%)
|
Solder ball alloys (wt%)
|
|
Sn-3.0Ag-0.5Cu (SAC305)
|
Sn-3.0Ag-0.5Cu
|
|
Sn-1.2Ag-0.5Cu-0.05Ni (SAC1205N)
|
|
Sn-2.5Ag-0.8Cu-0.05Ni-1Bi
|
|
Sn-0.75Cu-0.065Ni-1.5Bi
|
|
Sn-2.5Ag-0.8Cu-0.05Ni-1Bi
|
Sn-3.0Ag-0.5Cu
|
|
Sn-1.2Ag-0.5Cu-0.05Ni
|
|
Sn-2.5Ag-0.8Cu-0.05Ni-1Bi
|
|
Sn-0.75Cu-0.065Ni-1.5Bi
|
Table 2.
Onset melting/solidification temperatures of SAC305, SAC1205N, Sn-2.5Ag-0.8Cu-0.05Ni-1Bi,
and Sn-0.75Cu-0.065Ni-1.5Bi solder balls obtained from DSC test and calculated undercooling.
|
Solder ball
|
Onset melting temperature, T1 (ยฐC)
|
Onset solidification temperature, T2 (ยฐC)
|
Undercooling, T1-T2 (ยฐC)
|
|
SAC305
|
216.02
|
203.82
|
12.20
|
|
SAC1205N
|
216.18
|
200.30
|
15.88
|
|
Sn-2.5Ag-0.8Cu-0.05Ni-1Bi
|
215.10
|
176.74
|
38.36
|
|
Sn-0.75Cu-0.065Ni-1.5Bi
|
221.86
|
188.48
|
33.38
|